Sistemas neumáticos e hidráulicos
Unidad I: Neumática
Ing. Oscar Alonso Rosete Beas
Semana 8 Agosto Rev: 4 ciclo 2022-2

oscarrosete.com
Agenda
1.1 Fundamentos de la neumática.
1.2 Generación, distribución y acondicionamiento del aire comprimido.
1.3 Simbología de los elementos neumáticos.
1.4 Diseño de circuitos neumáticos.
a) Método Intuitivo.
b) Método de cascada.
c) Método paso a paso.
Unidad I: Neumática
oscarrosete.com
oscarrosete.com
Unidad 1
Introducción a la materia
oscarrosete.com
Horas de Clase Asistidas: 64 (4/semana)
Horas de Clase Independientes: 64 (4/semana)
Duración Total: 128 horas
MC008-01 Horario: Lunes y Jueves 15:00-17:00 Salón: 28007
MC008-02 Horario: Martes y Jueves 17:00-19:00 Salón: 2429
MC008-03 Horario: Miercoles 17:00- 19:00 (28104) y Viernes 15:00-17:00 (28204)
DATOS DEL DOCENTE
Nombre: Oscar Alonso Rosete Beas
E-mail: oscar.rosete@cetys.mx
PROPÓSITO DEL CURSO
oscarrosete.com
PROPÓSITO DEL CURSO
oscarrosete.com


Introducción a la materia
oscarrosete.com
Las actividades que se realicen dentro del aula serán dirigidas por el profesor y otras serán de carácter independiente para ser realizadas por los alumnos fuera del aula.
Las formas genéricas de actividades de aprendizaje que serán realizadas por los alumnos son:
- Trabajo colaborativo dentro del aula para analizar y debatir sobre los contenidos y bajo la dirección del profesor.
- Exposición de contenidos por parte del profesor y alumnos
- Aprendizaje basado en proyectos de aplicación por equipos o individuales.
EVIDENCIAS DE DESEMPEÑO
oscarrosete.com
- Reportes de análisis y resolución de casos de estudio y ejercicios de aplicación.
- Reportes de lectura y reportes de investigación donde se identifiquen las principales tecnologías relacionadas a los sistemas hidráulicos y neumáticos para aplicaciones industriales.
Elaboración de prototipos/ simulaciones.
- Presentaciones en clase.
- Proyecto final integrador en donde se apliquen las herramientas vistas durante el curso.
- Exámenes teóricos/prácticos a lo largo del curso.
Contenido temático
1.1 Fundamentos de la neumática.
1.2 Generación, distribución y acondicionamiento del aire comprimido.
1.3 Simbología de los elementos neumáticos.
1.4 Diseño de circuitos neumáticos.
a) Método Intuitivo.
b) Método de cascada.
c) Método paso a paso.
Unidad I: Neumática
oscarrosete.com
Contenido temático
oscarrosete.com
2.1 Alimentación eléctrica y características.
2.2 Sensores, interruptores y relevadores.
2.3 Dispositivos de salida electroneumáticos.
2.4 Convertidor neumático-eléctrico.
2.5 Sistemas de mando con válvula direccional con retorno por muelle.
2.6 Sistemas de mando con válvula de doble bobina.
2.7 Sistemas de mando con auto-retención eléctrica.
2.8 Sistemas de mando con convertidor neumático-eléctrico.
Unidad 2: Electroneumática
Contenido temático
oscarrosete.com
Contenido temático
oscarrosete.com

3.1 Principios físicos que rigen la hidráulica.
3.2 Fluidos hidráulicos.
3.3 Bombas hidráulicas.
3.4 Actuadores hidráulicos.
3.5 Válvulas hidráulicas y electrohidráulicas.
3.6 Simbología hidráulica.
3.7 Filtros, tuberías y sellos hidráulicos.
3.7 Diseño y trazado en software de circuitos de mandos hidráulicos y electrohidráulicos.
Unidad 3: Hidraúlica
Contenido temático
oscarrosete.com
Contenido temático
oscarrosete.com
POLÍTICAS DEL CURSO
- Existe tolerancia de 5 minutos de llegada tardía, a partir de los cuales se tomará asistencia.
- Las fechas de entrega y presentación para exámenes parciales, tareas, exposiciones, prácticas y trabajo final son Inamovibles.
- No se aceptarán entregas de exámenes fuera de la fecha y hora establecida y la calificación de una falta de entrega o entrega extemporánea es cero.
oscarrosete.com
- Se aceptarán entregas de tareas/prácticas fuera de las fechas y horas establecidas (calificación de falta de entrega es cero).
- Penalización 10%/ día en tareas
- Penalización 10%/ semana en práctica.
- Todas las entregas deberán realizarse por medio definido en clase, de acuerdo a las indicaciones dadas (blackboard y pdf generalmente).
oscarrosete.com
POLÍTICAS DEL CURSO
POLÍTICAS MATERIAL
- El material para trabajar en clase, descripción de tareas y temas para exposición, así como cualquier material de apoyo estará disponible a través del Blackboard o el sitio web y este será actualizado periódicamente.
- Es responsabilidad de cada estudiante traer a la sesión de clase el material que indique el maestro, incluyendo exposiciones y tareas.
oscarrosete.com
POLÍTICAS PRESENTACIONES
- Preparar una presentación formal e interactiva que presente al grupo el tema correspondiente (Prezi, PowerPoint, Google Slides, otro).
- Preparar un reporte escrito de los puntos más relevantes de la presentación, así como las referencias consultadas.
- Subir en la actividad correspondiente en Blackboard la presentación y el reporte escrito.
- Es necesario estar presente en las actividades de exposición, de lo contrario la calificación para la exposición es cero.
oscarrosete.com
Introducción a la materia
Bibliografía
Antonio Serrano Nicolás, (2009), “Neumática práctica”, Editorial: Paraninfo
John S. Cundiff, (2001), “Fluid Power Circuits and Controls”; Editorial: CRC Press
Antonio Guillén Salvador, "Introducción a la neumática"; Editorial: Marcombo


oscarrosete.com



ISO 8573-1 (calidad aire)
ISO 1219 (simbología)

Software:
Festo FluidSIM 4.2
Herramientas digitales:
Blackboard, Google suite, recursos microsoft, portafolio electronico, bases de datos.

oscarrosete.com
Introducción a la materia
oscarrosete.com
Introducción a la materia
| Concepto | Descripción | Ponderación |
|---|---|---|
| Formación: Actitudes y valores | Actitud en actividades individuales y en equipo relacionadas a la clase | 5% |
| Tareas | Resolución de ejemplos típicos, solución de problemas en tareas individuales y en equipo. | 20% |
| Exposiciones grupales | Exposiciones de acuerdo a temáticas asignadas. | 10% |
| Pruebas objetivas (2) | Pruebas objetivas en forma de exámenes parciales y/o finales | 25% |
| Actividades de clase | Desarrollo exitoso y elaboración de actividades de clase | 15% |
| Proyecto Final | Desarrollo y presentaciones profesionales de los proyectos | 25% |
oscarrosete.com
Introducción a la materia
Información de referencia
Profesor:
Ing. Oscar Alonso Rosete Beas
E-Mail:
oscar.rosete@cetys.mx
Pagina de facebook:
https://www.facebook.com/oscararosete
Sitio web:
https://oscarrosete.com/
oscarrosete.com
Contacto preferente para dudas

Asesorías: WhatsApp 686 264 5073
oscarrosete.com
Proyecto final
Desarrollar un proyecto de innovación a nivel experimental de tecnología utilizando sistemas neumáticos e hidráulicos, donde el alumno proponga la solución de un problema planteado mediante el desarrollo de un proceso para la implementación de la solución y la realización de pruebas de factibilidad y utilidad de un sistema.
oscarrosete.com


Introducción a la materia
- Formación de equipos para presentaciones y proyectos (3-4 integrantes)
- Registro en grupo de Facebook

oscarrosete.com

oscarrosete.com
Diagnóstico conceptos clave
1.1 Fundamentos de la neumática.
1.2 Generación, distribución y acondicionamiento del aire comprimido.
1.3 Simbología de los elementos neumáticos.
1.4 Diseño de circuitos neumáticos.
a) Método Intuitivo.
b) Método de cascada.
c) Método paso a paso.
Unidad I: Neumática
Agenda
oscarrosete.com
- Identificar los conceptos de física básicos, sobre el aire.
- Comprender sobre la generación, distribución y acondicionamiento del aire comprimido.
- Comprender la construcción y operación de los diferentes elementos neumáticos.
- Diseñar e interpretar circuitos neumáticos básicos
Mediante lecturas, investigación documental, análisis de casos y la realización de proyecto de innovación. Con una actitud proactiva, creativa y colaborativa.
oscarrosete.com
Objetivos
-
Automatización y su justificación (pretextos)
-
Herramientas para automatizar
Neumática
-
Ventajas de usar sistemas neumáticos
-
Desventajas
-
Propiedades del aire
-
Conceptos básicos
oscarrosete.com
Agenda
En los equipos previamente formados, debatan al respecto y lleguen a una respuesta conjunta a las preguntas:
-
¿Qué es la automatización?
-
¿Cuáles son las tecnologías utilizadas para automatizar?
- Mencione como se clasifican
- Mencione ejemplos de casos documentados en los que se hayan implementado estas tecnologías
oscarrosete.com
Automatización
Consiste en dotar al sistema de los dispositivos que le permiten operar por sí mismo.
Tiene como objetivo principal la sustitución del hombre por la máquina en tareas específicas.
-Andres Garcia, el control automático en la industria.

oscarrosete.com
Automatización
La automatización consiste en el uso de tecnologías que permiten que un proceso o procedimiento se realice sin la necesidad del trabajo humano.
Se implementa mediante un conjunto de dispositivos, programas, mecanismos, etc. como parte de un sistema de control.
El término fue acuñado originalmente por un ingeniero de la Ford Motor Company en 1946.
oscarrosete.com
Automatización
oscarrosete.com
Funciones de la automatización
- Realizar operaciones imposibles de controlar intelectual o manualmente.
- Mejorar la disponibilidad de los productos, para lograr proveer las cantidades necesarias en el momento preciso.
- Simplificar el mantenimiento de forma que el operador no requiera grandes conocimientos para manipular el proceso productivo.

oscarrosete.com
Tendencias tecnológicas emergentes
Hype Cycle for Emerging Technologies, 2019. Gartner
oscarrosete.com
Top ten strategic technology trends 2020
-
Tecnicas cableadas:
Sistemas diseñados a la medida que utilizan diferentes componentes conectados entre sí para realizar determinadas operaciones.
-
Tecnicas programadas:
Uso de sistemas más complejos y genéricos de información.
-Andres Garcia, el control automático en la industria.
oscarrosete.com
Automatización
oscarrosete.com
Automatización
oscarrosete.com
oscarrosete.com
Automatización
En los equipos previamente formados, debatan al respecto y lleguen a una respuesta conjunta a las preguntas:
-
¿Qué es la neumática?
-
Aplicaciones de la neumática.
oscarrosete.com
oscarrosete.com
Introducción a la neumática
Etimología de la palabra neumática
La neumática (del griego πνεῦμα [pneuma], ‘espiritu/alma/aire’)
En sus comienzos el hombre utilizó el viento en la navegación y en el uso de los molinos para moler grano y bombear agua.

oscarrosete.com
oscarrosete.com
Introducción a la neumática
Sucesos notables
- Fuelle de mano y pie
-
Fundicion no ferrosa
1500 A.C

Hero's wind-powered organ (reconstruction)
Heron of Alexandria (c. 10–85 AD)
Influenciado por
Ctesibius of Alexandria (270 A.C.) llamado el padre de la neumática
oscarrosete.com
oscarrosete.com
Introducción a la neumática
Sucesos notables
A partir de 1950 la neumática progreso ampliamente en la industria con el desarrollo paralelo de los sensores, se comenzó con electroneumática
1690
Máquina de émbolos
-Denis papin
1776
Prototipo Compresor
-John Wilkinson
1829
diseño actual con cilindros


oscarrosete.com
oscarrosete.com
Introducción a la neumática
¿Qué es la neumática?
La palabra neumática se refiere al estudio del movimiento del aire.
-Antonio Creus Solé, Neumática e Hidráulica 2a
Tecnologia que emplea el aire comprimido como modo de transmision de energia para mover o hacer funcionar mecanismos.
oscarrosete.com
oscarrosete.com
Introducción a la neumática
¿Qué es la neumática?
La neumatica y la hidraulica se pueden definir como las tecnologias destinadas a aprovechar las capacidades energeticas de los fluidos a presion para obtener trabajo util.
Transforma procesos manuales en semiautomáticos o automáticos.

oscarrosete.com
Aplicaciones de la neumática
La neumática se aplica en líneas de producción y máquinas herramientas, donde el movimiento de diferentes mecanismos se logra a través de cilindros o motores neumáticos.
oscarrosete.com
Aplicaciones de la neumática
Accionamiento de válvulas de control.
Herramientas de uso manual.

oscarrosete.com
Aplicaciones de la neumática
oscarrosete.com
Ventajas de la neumática
Disponibilidad:
El aire está presente en cualquier lugar. El aire comprimido es fácil de transportar a grandes distancias mediante tuberías, sin necesidad de líneas de retorno y se almacena fácilmente en depósitos y acumuladores.
oscarrosete.com
Ventajas de la neumática
Fácil de usar:
Las instalaciones son seguras y no precisan de costosos elementos adicionales. Puede usarse tanto en pequeñas operaciones como en grandes automatizaciones, siendo sencillo ampliar las instalaciones, en forma modular.

oscarrosete.com
Ventajas de la neumática
Manejo:
Las instalaciones son robustas y sus componentes son prácticamente insensibles a perturbaciones, sus equipos y componentes son sencillos de mantener y permiten una amplia gama de regulación de fuerza y velocidad de sus actuadores.
Es prácticamente insensible a los cambios de temperatura, por muy bruscos que sean.
oscarrosete.com
Ventajas de la neumática
Seguridad:
No tiene riesgos de incendio o explosión, lo que le convierten en idóneo para instalaciones madereras, textiles, papeleras, mineras, químicas, entre otras.
Resistencia al desgaste:
Sus componentes pueden sobre-utilizarse, sin sufrir deterioro.
oscarrosete.com
Ventajas de la neumática
Tecnología limpia (desde el punto de vista microscópico), generalmente utilizado en ambientes médicos y la industria alimenticia.


oscarrosete.com
Ventajas de la neumática
Son los más adecuados en ambientes sensibles a campos magnéticos, con riesgos de incendio, explosión o medios húmedos.

oscarrosete.com
oscarrosete.com
Conceptos
oscarrosete.com
Desventajas de la neumática
-
El aire comprimido debe tratarse para poder utilizarlo, por ello se filtra, deshumidifica y si se requiere y/o permite, se lubrica.
-
En la práctica es imposible conseguir velocidades de trabajo uniformes y constantes.

oscarrosete.com
Desventajas de la neumática
-
Los máximos esfuerzos que se pueden desarrollar están limitados por la presión de trabajo y el tamaño de los componentes.
-
Riesgos inherentes a los recipientes sujetos a presión.

oscarrosete.com
Desventajas de la neumática
A pesar de que el aire es abundante y gratuito, comprimirlo y tratarlo generan un alto costo, por ello, las fugas en las líneas de presión deben evitarse…


oscarrosete.com
Desventajas de la neumática
Leaks are a significant source of wasted energy in a compressed air system, often wasting as much as 20%-30% of the compressor’s output.

oscarrosete.com
Desventajas de la neumática
Is it a good idea to use compressed air to blow dirt off clothing or work surfaces?
No. Under no circumstances should anyone use compressed air to clean off clothing or any part of the body. Although many people know using compressed air to clean debris or clothes can be hazardous, it is still used because of old habits and the easy availability of compressed air in many workplaces. However, cleaning objects, machinery, bench tops, clothing and other things with compressed air is dangerous. Injuries can be caused by the air jet and by particles made airborne (re-enter the air). Many workplace injuries occur due to the misuse of compressed air.

oscarrosete.com
Referencia Adicional
Potential causes
- Not draining tank (hot moist air)-->Rust
- Safety valve
- welds
oscarrosete.com
Aplicaciones Industriales
Describir en equipos 1 aplicación documentada y 1 no documentada (propuesta por ustedes) de un sistema neumático en el ámbito industrial.
En una presentación deberá describir la problemática a resolver, con que dispositivos será resuelto o fue resuelto.
Subir a blackboard.
La extensión mínima será de 2 diapositivas por aplicación.
No de matricula – Titulo_Actividad
Ejemplo: 13256 Aplicaciones Neumática...
ACTIVIDAD EN CLASE

1.1 Fundamentos de la neumática.
1.2 Generación, distribución y acondicionamiento del aire comprimido.
1.3 Simbología de los elementos neumáticos.
1.4 Diseño de circuitos neumáticos.
a) Método Intuitivo.
b) Método de cascada.
c) Método paso a paso.
Unidad I: Neumática
oscarrosete.com
Agenda
Para una correcta aplicación del aire en instalaciones neumáticas, se deben conocer sus propiedades y características.
-
El aire es un gas transparente, incoloro, inodoro e insípido y es buen aislante térmico y eléctrico.
-
El aire conforma la atmósfera terrestre manteniéndose alrededor de la tierra, por acción de la fuerza de gravedad, constituido de Nitrógeno (78%), Oxígeno (21%), y 1% de otros gases (incluyendo las partículas contaminantes pm 2.5 )
oscarrosete.com
¿Porqué utilizar el aire y cuáles son sus propiedades?
-
Expansión. El aire se expande, al disminuir la presión sobre él, o bien si se incrementa el calor en el mismo. Al expandirse su densidad disminuye.
-
Contracción/Compresibilidad: El aire reduce su volumen si se ejerce una presión sobre el mismo, lo cual ocurre al comprimirlo, o bien si se le enfría.
-
Elasticidad: El aire al comprimirlo ejerce sobre sus paredes una presión normal a las superficies de contacto.
oscarrosete.com
Propiedades del aire

-
Fluidez: El aire tiene un coeficiente de viscosidad muy bajo, [0,018 cp @ 20°C], ello le permite fluir con facilidad a través de ductos y tuberías, pasando de zonas de alta presión a zonas de baja presión, nivelando las presiones.
No resistencia al desplazamiento.
-
Volumen: El aire ocupa 0,773 m3/kg a 20 ºC.
-
Masa: Su densidad es de 1,293 kg/m³ @ 20 ºC.
oscarrosete.com
Propiedades del aire
-
En mecánica, la presión se define como la fuerza normal que actúa sobre una unidad de área. Esto se escribe en forma de fórmula como se muestra:
-
Todo sistema neumático usa aire comprimido, para activar los actuadores, las presiones de compresión, varían en función de la aplicación a la que se destina su operación. Válvula reguladora de presión.
oscarrosete.com
Conceptos básicos
Presión

-
La unidad de medida de la presión en el SI es el pascal, 1 pascal es muy pequeño, la presión ejercida aproximadamente una hoja de un libro sobre el objeto que se deposite.
-
El bar es una unidad útil equivalente a 1 atmósfera y muy utilizada en Alemania.
La libra por pulgada cuadrada (psi) es utilizada en U.S.
oscarrosete.com
Unidades de Presión

Conceptos básicos
oscarrosete.com
Ejercicio Conversiones


oscarrosete.com
Para la medición de la presión se utilizan los sistemas de referencia absoluto y relativo, las presiones medidas desde el cero absoluto se conocen como absolutas y las medidas desde la presión atmosférica local se conocen como relativas.
Conceptos básicos
Unidades de Presión

oscarrosete.com
Para medir la presión atmosférica/barométrica se utilizan instrumentos denominados barómetros. Barómetro aneroide y barómetro de mercurio.
Conceptos básicos
Unidades de Presión


oscarrosete.com
Presion absoluta,PSIA.
La presión absoluta, se mide a partir del cero absoluto de presión. El cero absoluto se tiene en el vacío absoluto, ejemplo en el espacio. Todo cálculo que involucre las leyes de los gases requiere que tanto presión como temperatura están dados en unidades absolutas.
Presion manometrica, PSIG.(Presión relativa)
Un manómetro (gauge) se usa para medir la diferencia de presión entre un sistema y la presión atmosférica, denominándose a la lectura como presión manométrica.
Si la presión manométrica es negativa, es una presión de vacío, respecto de la presión atmosférica.
Conceptos básicos
Relaciones entre las presiones
oscarrosete.com
Las presiones absolutas y manométricas se relacionan mediante la ecuación:
La presión atmosférica, varía con la temperatura (afecta la densidad del aire) y la altitud sobre el mar.
La presión atmosferica estandar es 1.01325 bar @273K, se usa como referencia para establecer la densidad y volumen de los gases.

Conceptos básicos
Relaciones entre las presiones
oscarrosete.com
Conceptos básicos
Relaciones entre las presiones

oscarrosete.com

Conceptos básicos
Ejemplo ilustrativo
oscarrosete.com

Conceptos básicos
Ejemplo ilustrativo
oscarrosete.com

Conceptos básicos
Ejemplo ilustrativo
oscarrosete.com

Conceptos básicos
Ejemplo ilustrativo
oscarrosete.com
-
Los manómetros llenos de líquido (glicerina) se recomiendan en procesos donde existan vibraciones excesivas, presiones pulsantes, impactos mecánicos y atmósferas corrosivas.
-
Una vez instalado el manómetro se debe “ventear”, cortando la punta del tapón fusible a fin de liberar presiones internas del manómetro (generadas por altas temperaturas) para evitar lectura errónea
Conceptos básicos
Selección manómetro y vacuómetro
oscarrosete.com
Conceptos básicos
Selección manómetro y vacuómetro
oscarrosete.com
Conceptos básicos
Selección manómetro y vacuómetro
oscarrosete.com

Conceptos básicos
Instrumento de medición
oscarrosete.com
Conceptos básicos
Caudal/gasto volumétrico
Es la cantidad de volumen que atraviesa una superficie en la unidad de tiempo. En un elemento neumático es la cantidad de aire que atraviesa dicho conducto en un determinado tiempo.
Unidades:
SI: m^3/s
US: gpm
l/min
Donde:
A=Área de sección transversal del ducto o cilindro (m2)
l=longitud(m)
v=velocidad(m/s)
Donde:
Q=caudal(m3/s)
V=volumen(m3)
t=tiempo(s)
oscarrosete.com
El cilindro neumático de la figura, tiene un émbolo de 50 mm de diámetro, y un vástago de 19 mm de diámetro. Si el vástago se mueve a una velocidad de 5 pulgadas por minuto, cuál es el caudal por segundo que se consume en 50 ciclos similares, operando al mismo tiempo.

Conceptos básicos
Caudal

oscarrosete.com
En los equipos previamente definidos, establezcan las diferencias entre un caudalímetro, flujometro y un rotámetro e identifiquen aplicaciones.
ACTIVIDAD EN CLASE


oscarrosete.com

Conceptos básicos
Selección caudalimetro/flujometro/rotámetro
oscarrosete.com
El rotámetro es un caudalímetro industrial que se usa para medir el caudal de líquidos y gases. El rotámetro consiste en un tubo y un flotador.
Conceptos básicos
Rotámetro

oscarrosete.com
-
¿Cuál es el caudal mínimo y máximo para el rotámetro?
-
¿Cuál es la temperatura de proceso mínima y máxima?
-
¿Cuál es el tamaño de la tubería?
-
¿Quisiera un rotámetro de lectura directa o es aceptable una tabla de consulta?
-
¿Qué precisión necesita?
-
¿Requiere una válvula para regular el flujo?
-
¿Habrá contrapresión?
-
¿Cuál es la presión de proceso máxima?

Conceptos básicos
Rotámetro
oscarrosete.com
Un caudalímetro es un instrumento usado para medir lineal, no lineal, la masa o caudal volumétrico de un líquido o un gas.
Existen caudalimetros ultrasonicos, rotametros, magneticos, de turbina, entre otros.

Conceptos básicos
Caudalímetro o flujómetro
oscarrosete.com
Conceptos básicos
Flujometro
oscarrosete.com
La presión ejercida en un punto cualquiera de un fluido, se transmite por igual en todas direcciones y sentidos. En este principio se basa la operación de las prensas hidráulicas.

Conceptos básicos
Principio Pascal
oscarrosete.com
¿Qué fuerza se debe aplicar sobre un émbolo de 5 cm2 de área, de un circuito hidráulico, con el que se desea elevar un automóvil de 1200 kg de masa, el cual se soportará sobre el vástago de un pistón que tiene un émbolo de área 120 cm2?

Ejemplo ilustrativo
Principio Pascal
oscarrosete.com
Sistemas de frenado de los vehiculos (líquido de frenos)
Aplicaciones
Principio Pascal

Bombas hidráulicas

oscarrosete.com
El concepto de potencia neumática, es útil para realizar el análisis económico de instalaciones de sistemas neumáticos.
La potencia instantánea consumida por un actuador, es igual al producto de la fuerza por la velocidad, si el actuador es un cilindro, la fuerza ejercida será igual al producto de la presión por el área de sección útil del cilindro.
Conceptos básicos
Potencia neumática
oscarrosete.com
Si la presión de trabajo del pistón del ejercicio anterior de cálculo de caudal fuese de 110 psi, cuál sería la potencia consumida en 50 ciclos del pistón en Hp.
Conceptos básicos
Potencia neumática
oscarrosete.com
Generación, distribución y acondicionamiento
del aire comprimido
Agenda: 1.2 Generación, distribución y acondicionamiento del aire comprimido.
-
Calidad del aire comprimido.
-
Casos registrados
-
Normativa
-
Tipos de secadores
-
Tipos de filtros
-
Compresores
-
Acumulador
-
Red de aire
-
Conectores para tubería
-
Instrumentación básica.
oscarrosete.com
Es la unidad que se emplea para medir el caudal o flujo de un fluido, en el sistema inglés, (sus siglas son CFPM o CFM, “Cubic Feet Per Minute), especificando así el volumen, en pies cúbicos, que pasa por una tubería o se consume en un cilindro, de sección determinada, por cada minuto que transcurre.
SCFM-Standard conditions
At sea-level of 14.7 PSIA (760 mmHg), relative humidity of 36%, and ambient temperature of 68oF (19oC).
Conceptos básicos
Cálculo de los cfpm/cfm
oscarrosete.com
Cálculo de los cfpm/cfm
ACFM (Actual Cubic Feet per Minute)
Las condiciones reales son difícilmente condiciones estándar.
-
Cuando se aplica presión a un volumen de aire, este se comprime.
-
Cuando se aplica vacío a un volumen de aire este se expande.
El flujo volumétrico real/actual es denominado ACFM.

Conceptos básicos
oscarrosete.com

Ejercicios alumnos
Cálculo de los cfpm/cfm

oscarrosete.com
En una prensa el émbolo mayor tiene un diámetro de 42 cm y el émbolo menor de 2.1 cm. ¿Qué fuerza se necesita ejercer en el émbolo menor para levantar un bloque de 5097 kg.

Ejercicio alumno
Principio Pascal

oscarrosete.com
Un cilindro de simple efecto efectúa 750 ciclos por minuto, siendo la longitud de cada carrera de 75 mm y produce una elevación de presión de 100 bar.
El área del pistón es de 10cm2.

Ejercicio alumno
Potencia neumática


oscarrosete.com
Consideraciones preliminares
Ejercicio alumno
Potencia neumática

oscarrosete.com
El aire en el planeta presenta un gran contenido de contaminantes acentuándose la presencia de estos en el aire comprimido, la tabla abajo proporciona valores típicos de contaminantes en el aire comprimido, los valores mostrados pueden excederse de manera significativa dependiendo de la localidad y circunstancias ambientales.
Generación, distribución y acondicionamiento
del aire comprimido
Calidad del Aire comprimido
oscarrosete.com

Generación, distribución y acondicionamiento
del aire comprimido
Calidad del Aire comprimido
oscarrosete.com
El contaminante más abundante en un sistema de aire comprimido es el agua; (hasta un 99%), la cual se mezcla con aceite, residuos de desgaste del compresor y corrosión de las tuberías, así como partículas en suspensión, bacterias y virus que entran al sistema de aire comprimido a través del compresor.
La cantidad de contaminantes se multiplica cuando el aire se comprime a la presión de trabajo. A 8 bar habrá 8 veces más contaminantes por m3.
Generación, distribución y acondicionamiento
del aire comprimido
Calidad del Aire comprimido
oscarrosete.com
La acumulacion en líneas de presión, válvulas y cilindros del sistema genera corrosión en las tuberías y tiempo muerto debido a fallas de operación por la oclusión de válvulas y atascamiento de cilindros.
Adicional a la contaminación de productos médicos o alimenticios.
Generación, distribución y acondicionamiento
del aire comprimido
Calidad del Aire comprimido
oscarrosete.com
Generación, distribución y acondicionamiento
del aire comprimido
Calidad del Aire comprimido
oscarrosete.com
Generación, distribución y acondicionamiento
del aire comprimido
Calidad del Aire comprimido
oscarrosete.com
Ejemplo afectación maquinaría
Generación, distribución y acondicionamiento
del aire comprimido
oscarrosete.com
Ejemplo afectación maquinaría
Generación, distribución y acondicionamiento
del aire comprimido

oscarrosete.com
Normativa de calidad del aire comprimido
Generación, distribución y acondicionamiento
del aire comprimido
Al seleccionar una pureza de aire debe considerarse la aplicación que se va a dar al aire comprimido, no es lo mismo aire para una llantera que aire para un hospital o trabajos de dentista.


oscarrosete.com
Normativa de calidad del aire comprimido
Generación, distribución y acondicionamiento
del aire comprimido
Clase 1.2.1(ISO 8573-1:2010)
-
Clase 1 en Partículas (impurezas sólidas)
Partículas sólidas. Cantidad máx. de partículas por m3 o en mg/m³.
-
Clase 2 en Agua (vapor de agua y agua)
Punto de condensación bajo presión de vapor.
-
Clase 1 en Aceite (mg/m³)
Contenido total en aceite (líquido, aerosol y niebla).
oscarrosete.com
Agua
Generación, distribución y acondicionamiento
del aire comprimido
El agua es la única sustancia en la Tierra que aparece naturalmente en tres estados físicos:
gas (vapor de agua), líquido (agua) y sólido (hielo)
El vapor de agua es el único gas en la atmósfera que se puede encontrar en sus 3 estados.
oscarrosete.com
Punto de rocío
Generación, distribución y acondicionamiento
del aire comprimido

Temperatura en la que el vapor de agua se condensa en agua líquida a la presión de funcionamiento del sistema.
Entre más bajo mejor.

oscarrosete.com
Punto de rocío
Generación, distribución y acondicionamiento
del aire comprimido
oscarrosete.com
Normativa de calidad del aire comprimido
Generación, distribución y acondicionamiento
del aire comprimido
Dew point (punto de rocio):
the atmospheric temperature (varying according to pressure and humidity) below which water droplets begin to condense and dew can form.
oscarrosete.com
Normativa de calidad del aire comprimido
Generación, distribución y acondicionamiento
del aire comprimido
Clase 1.2.1(ISO 8573-1:2010)
-
Clase 1 en Partículas
En un m^3 de aire: ≤20,000 partículas de 0.1-0.5 micrones, ≤400 partículas 0.5-1 micrón, 10 de 1-5 micrones.
-
Clase 2 en Agua
no permitiéndose cantidad alguna de agua líquida (g/m^3).
Punto de rocio ≤ -40°C
-
Clase 1 en Aceite
En un m^3 de aire: <0.01mg de aceite.
oscarrosete.com
Diferencias entre ISO 12500 and ISO 8573 (Atlas Copco)
Generación, distribución y acondicionamiento
del aire comprimido
oscarrosete.com
Auditoría de Aire comprimido (Beko)
Datos con instrumentos de medición exactos
De particulas, humedad y aceite residual
Generación, distribución y acondicionamiento
del aire comprimido

oscarrosete.com
Normativa de calidad del aire comprimido
Generación, distribución y acondicionamiento
del aire comprimido
Aire para aplicaciones Críticas… [1.1.1 ; 1.2.1 ; 1.3.1]
Productos Farmacéuticos, (Medicamentos, Aire para pulmones mecánicos,…) Producción de Alimentos, (Cereales, Enlatados, Pastas,…), Productos Lácteos, (Leche, Grasas, Yogurts,…)
Aire de Alta Calidad, Libre de Aceite… [ 2.1.1 ; 2.2.1 ; 2.3.1]
Soplado de botellas de plástico, (PET, PVC, PHD…), Procesamiento de películas, Instrumentación Crítica y de Medición, Producción de cosméticos, Aire para dentistas.
Aire para Propósitos Generales, con carga mínima de Aceite… [2.4.2]
General, Estampado de metales, forja.
oscarrosete.com
Red de aire comprimido
Generación, distribución y acondicionamiento
del aire comprimido
El propósito del sistema de distribución de aire comprimido es proveer de aire en los puntos de uso.
El aire comprimido debe entregarse en volumen suficiente, con calidad apropiada, y la presión requerida para alimentar correctamente los componentes que utilizan el aire.
oscarrosete.com
Red común de aire
Generación, distribución y acondicionamiento
del aire comprimido
a. El compresor (generación)
b. El acumulador (soportar picos de demanda)
c. Válvulas de cierre (control flujo)
d. Las tuberías (conducción del aire comprimido)
e. Bajadas de aire con cuellos de ganso y puntos de uso previo a los extremos.

oscarrosete.com
Red común de aire
Generación, distribución y acondicionamiento
del aire comprimido
oscarrosete.com
Generación, distribución y acondicionamiento
del aire comprimido
Eficiencia de red
-
La eficiente separación de los condensados.
-
Una baja caída de presión entre el compresor y el punto de uso o consumo, <0.5 Bar entre compresor y punto de uso más alejado.
-
Un mínimo volumen de fugas en las tuberías de distribución, <10% del aire comprimido.
oscarrosete.com
Generación, distribución y acondicionamiento
del aire comprimido
Compresor
-
Elemento que convierte la energía mecánica de un motor eléctrico o de combustión, en energía potencial de aire comprimido.
-
Los compresores son máquinas que aspiran el aire del medio ambiente y lo comprimen a una presión superior a la atmosférica, generando así el aire comprimido.
Se seleccionan para la operación de que se trate, en función del caudal y la presión requeridos.

oscarrosete.com
Generación, distribución y acondicionamiento
del aire comprimido

oscarrosete.com
Generación, distribución y acondicionamiento
del aire comprimido
Secadores de aire
En los sistemas de aire comprimido, el aire aspirado por el compresor entra a la presión y temperatura ambiente con su consiguiente humedad relativa.
Entonces se lo comprime a una presión más elevada lo que produce un calentamiento del aire al grado que toda su humedad pasará por el compresor.
Este aire, ahora comprimido, al ir enfriándose en el depósito y tuberías de distribución hasta igualar la temperatura ambiente, condensará parte de su humedad en forma de gotas de agua.
oscarrosete.com
Generación, distribución y acondicionamiento
del aire comprimido
Secadores de aire
El aire comprimido incluye objetos extraños como la humedad (vapor de agua, gotitas de agua), aceite y partículas.
Las gotitas de agua, el aceite y las partículas pueden eliminarse usando filtros de aire, separadores de neblina, etc., pero la humedad debe eliminarse mediante un secador.
oscarrosete.com
Generación, distribución y acondicionamiento
del aire comprimido

oscarrosete.com
Generación, distribución y acondicionamiento
del aire comprimido
Secado por absorción
(secado coalescente)
El aire comprimido es forzado a través de un agente secante que reacciona con la humedad, drenando posteriormente.

oscarrosete.com
Generación, distribución y acondicionamiento
del aire comprimido
La coalescencia es la propiedad que tienen los elementos a juntarse (crecer conjuntamente),
Las partículas líquidas son obligadas a unirse en gotas más grandes, por medio de una matriz filtrante, logrando un tamaño suficiente para caer por gravedad.

Secado por absorción
(secado coalescente)
oscarrosete.com
Generación, distribución y acondicionamiento
del aire comprimido
Secado por absorción
(desecante)
En una cámara vertical está contenido un producto químico, que por métodos físicos absorbe la humedad del aire comprimido.
Cuando se satura, se regenera mediante secado por calentamiento.

oscarrosete.com
Generación, distribución y acondicionamiento
del aire comprimido

oscarrosete.com
Generación, distribución y acondicionamiento
del aire comprimido
Secado por refrigeración
Unidad mecánica que incorpora un circuito de refrigeración con dos intercambiadores de calor.

oscarrosete.com
Generación, distribución y acondicionamiento
del aire comprimido
Secado por refrigeración
Consisten en una máquina con un circuito de refrigeración típico el cual se encarga de enfriar aire por debajo de la temperatura mínima histórica en la red produciéndose intencionalmente condensados que son retirados por medio de un separador centrífugo.
oscarrosete.com
Generación, distribución y acondicionamiento
del aire comprimido
Secado por refrigeración
Solo pueden ser utilizados en sitios donde el punto de rocío sea mayor o igual a 0°C ya que de lo contrario el agua se congela y obstruye la tubería.
oscarrosete.com
Generación, distribución y acondicionamiento
del aire comprimido
Secado por refrigeración
oscarrosete.com
Generación, distribución y acondicionamiento
del aire comprimido

oscarrosete.com
Actividad en clase / primer exposición
Lunes, Martes y Miercoles 29, 30 y 31 de Agosto
En equipos previamente acordado, definan y justifiquen qué arreglo de filtros (#parte, proveedor y diagrama) utilizarían para las siguientes aplicaciones:
-
Cirugías dentales.
-
Empaquetado de píldoras para diabetes.
-
Remoción de humedad de hojuelas de papa.
-
Limpieza de rebabas metálicas en prensa.
-
Pintado automotriz.
-
Accionamiento de pistón para fijación de pieza.
Nota: Definir calidad de aire comprimido y buscar con proveedores los elementos filtrantes(FESTO, SMC, etc) requeridos.

oscarrosete.com
Lineamientos Primer Exposición
Realizar Presentación que cubra los siguientes puntos:
-
Justificación en base a normativa
-
Características de filtros seleccionados
-
Diagrama de sistema de filtrado identificando conexiones(port size) y roscado(thread type).
-
Bill of Materials donde se defina el costeo de la solución (Incluir tubería, niples y reducciones)
-
Enviar a oscar.rosete@cetys.mx


oscarrosete.com
Sesión pasada
-
Calidad del aire comprimido.
-
Casos registrados
-
Normativa
-
Compresores (generación)
-
Tipos de secadores
-
Tipos de filtros
Agenda: 1.2 Generación, distribución y acondicionamiento del aire comprimido.
-
Acumulador
-
Red de aire
-
Conectores para tubería
-
Instrumentación básica.
oscarrosete.com
Red común de aire
Generación, distribución y acondicionamiento
del aire comprimido
a. El compresor (generación)
b. El acumulador (soportar picos de demanda)
c. Válvulas de cierre (control flujo)
d. Las tuberías (conducción del aire comprimido)
e. Bajadas de aire con cuellos de ganso y puntos de uso previo a los extremos.

oscarrosete.com
Generación, distribución y acondicionamiento
del aire comprimido
Compresor

-
Elemento que convierte la energía mecánica de un motor eléctrico o de combustión, en energía potencial de aire comprimido.
-
Los compresores son máquinas que aspiran el aire del medio ambiente y lo comprimen a una presión superior a la atmosférica, generando así el aire comprimido.
Se seleccionan para la operación de que se trate, en función del caudal y la presión requeridos.
oscarrosete.com
Generación, distribución y acondicionamiento
del aire comprimido
Máquinas de desplazamiento positivo:
Constan de un sistema mecánico que es capaz de transportar un volumen de fluido entre dos puntos situados a distinta presión y que, generalmente se completa con un juego de válvulas que solo permiten la circulación del fluido en el sentido deseado.
El aire llega a la cámara de compresión y es comprimido al reducir el volumen de la cámara.
Compresores de desplazamiento

oscarrosete.com
Generación, distribución y acondicionamiento
del aire comprimido
Compresor


oscarrosete.com
Generación, distribución y acondicionamiento
del aire comprimido
Compresor de émbolo de una etapa
El movimiento hacia abajo del émbolo aumenta el volumen creando una presión más baja que la atmosférica, lo que hace entrar el aire a través de la válvula de admisión. Cuando se mueve hacia arriba, la válvula de admisión se cierra y se comprime el aire saliendo por la válvula de escape.
Existen de múltiples etapas con diferente cantidad de pistones.


oscarrosete.com
Generación, distribución y acondicionamiento
del aire comprimido
Compresor de émbolo de una etapa (single acting)

oscarrosete.com
Generación, distribución y acondicionamiento
del aire comprimido
Compresor de émbolo de una etapa
oscarrosete.com
Generación, distribución y acondicionamiento
del aire comprimido
Video demostrativo reemplazo de pistón
oscarrosete.com
Generación, distribución y acondicionamiento
del aire comprimido
Compresor de émbolo de dos etapas
El aire recogido a la presión atmosférica se comprime en dos etapas refrigeración entre ambas para reducir el calor excesivo que se crea y así aumentar en gran medida su eficacia.

oscarrosete.com
Generación, distribución y acondicionamiento
del aire comprimido
Compresor de diafragma (diaphragm)
Este compresor suministra aire comprimido seco y totalmente libre de aceite (pues el aire comprimido queda aislado del émbolo gracias al diafragma), por lo que se emplea principalmente en la industria farmacéutica y alimentaria

oscarrosete.com
Generación, distribución y acondicionamiento
del aire comprimido
Compresor de diafragma(diaphragm)
Hose barbs are cylindrical pieces or parts for attaching and securing of hoses. The barb-like rings on the cylindrical piece allow for an easy push-connection of flexible-plastic or rubber tubing that is not so easily disconnected.

oscarrosete.com
Generación, distribución y acondicionamiento
del aire comprimido
Compresor rotativo de paletas Deslizantes (vane)
Este compresor tiene un rotor montado excéntricamente con una serie de paletas que se deslizan dentro de ranuras radiales.
Al girar el rotor e impulsadas por la fuerza centrífuga, las paletas entran en contacto con la pared del estator, reduciendo el espacio entre ambas comprimiendo el aire contra el estator


oscarrosete.com
Generación, distribución y acondicionamiento
del aire comprimido
Compresor de Tornillo
Dos rotores helicoidales giran en sentidos contrarios. el volumen libre entre ellos disminuye, comprimiendo el aire atrapado entre dichos rotores.


oscarrosete.com
Generación, distribución y acondicionamiento
del aire comprimido
oscarrosete.com
Generación, distribución y acondicionamiento
del aire comprimido
oscarrosete.com
Generación, distribución y acondicionamiento
del aire comprimido

oscarrosete.com
Generación, distribución y acondicionamiento
del aire comprimido

oscarrosete.com
Generación, distribución y acondicionamiento
del aire comprimido
En equipos:
-
Determine que tipo de compresor(es), se recomienda(n) si la presión requerida es de 300 psi con un requerimiento de caudal de 800 ACFM
-
Presión requerida fuese 100 psi y un caudal de 11000 ACFM.
Propongan un proveedor y número de parte de acuerdo a las especificaciones del proveedor.
oscarrosete.com
Generación, distribución y acondicionamiento
del aire comprimido
Fig. 1.1. Compressor types and application conditions.
Modified from NGPSA Engineering Data Book, vol. 1, Revised tenth ed., 1994. Compiled and edited in cooperation with the Gas Processors Association.Copyright © 1987 Gas Processors Association.
https://www.sciencedirect.com/topics/engineering/dynamic-compressor
oscarrosete.com
Generación, distribución y acondicionamiento
del aire comprimido

oscarrosete.com
Generación, distribución y acondicionamiento
del aire comprimido
Acumulador/air receiver tank
El acumulador, permite almacenar el aire comprimido y mantener la presión en las líneas de suministro, permitiendo que en caso ocurrir alguna falla en el circuito, el sistema siga operando gracias al aire almacenado en el mismo.

oscarrosete.com
Generación, distribución y acondicionamiento
del aire comprimido
Acumulador
Generalmente se instala cerca del compresor; pero si la cantidad y presión de aire, son críticas en una operación, se recomienda colocar un acumulador cerca del punto de uso para dicha operación.
El tamaño del acumulador depende del caudal de aire que consume el sistema y la potencia del compresor.

oscarrosete.com
Generación, distribución y acondicionamiento
del aire comprimido
Acumulador
oscarrosete.com
Generación, distribución y acondicionamiento
del aire comprimido
Acumulador

oscarrosete.com
Generación, distribución y acondicionamiento
del aire comprimido
Acumulador
oscarrosete.com
Generación, distribución y acondicionamiento
del aire comprimido
El volumen del acumulador puede calcularse aplicando la siguiente fórmula:
V = volumen del acumulador (cu ft, pies cúbicos)
t = Tiempo para que el acumulador pase del límite de presión superior al límite de presión inferior, (min)
C = Aire atmosférico necesario, (scfm)
pa = Presión atmosférica, (14.7 psia)
p1 = Presión máxima en el tanque, (psia)
p2 = Presión mínima en el tanque, (psia)

Es común dimensionar los acumuladores en función del caudal requerido como sigue: Un galón de aire por cada ACFM (Pies cúbicos por minuto a las condiciones actuales de operación), o 4 galones de volumen por cada caballo de fuerza, [hp], del compresor
Ejercicio Alumno
Acumulador
En una instalación se manejan las siguientes presiones, presión de operación 90 psig, presión máxima en el tanque del acumulador 150 psig, presión mínima en el acumulador 100 psig (condiciones actuales de operación). Presión atmosférica del lugar 14.7 psig. Se desea que el tiempo de paro de los compresores, esto es el tiempo para que la presión en el tanque pase de la presión máxima a la mínima sea de 3 minutos. El volumen de aire en condiciones estándar requerido es de 175 SCFM.
Determine el tamaño de acumulador recomendado, si el diámetro del acumulador debe ser 1.5 m, qué altura debe tener.
oscarrosete.com
Generación, distribución y acondicionamiento
del aire comprimido
Secadores de aire
El aire comprimido incluye objetos extraños como la humedad (vapor de agua, gotitas de agua), aceite y partículas. Las gotitas de agua, el aceite y las partículas pueden eliminarse usando filtros de aire, separadores de neblina, etc., pero la humedad debe eliminarse mediante un secador.
La concentración de vapor de agua en un gas se denomina humedad del gas
El vapor de agua es un gas que se obtiene por evaporación o ebullición del agua líquida o por sublimación del hielo. Es inodoro e incoloro.
oscarrosete.com
Generación, distribución y acondicionamiento
del aire comprimido
-
Secado por absorción
(secado coalescente)
Las partículas líquidas son obligadas a unirse en gotas más grandes, por medio de una matriz filtrante. Gravedad.
-
Secado por absorción(desecante)
-
Secado por refrigeración

oscarrosete.com
oscarrosete.com
Sistema de aire comprimido CETYS

oscarrosete.com
Sistema de aire comprimido
Regulador
Nota: La información original provenia de plews-edelmann, ahora amflo
oscarrosete.com
Sistema de aire comprimido
Conector rápido
oscarrosete.com
Sistema de aire comprimido
Conector rápido

oscarrosete.com
Sistema de aire comprimido
Conector rápido
oscarrosete.com
Sistema de aire comprimido
Filtros
oscarrosete.com
Sistema de aire comprimido
Filtros
Amflo air line filters are recommended for use in All air line applications Centrifugal force created by airflow through the filter removes liquids, oil, water, and large dust. The porous element filter removes small dust particles down to 40 microns.

oscarrosete.com
Sistema de aire comprimido
Filtros
Filter assembly includes element, manual drain and a high pressure metal bowl.
-
1/2-14 female NPT inlet/outlet.
-
Max pressure: 250 PSI at 175 degrees F.
-
Temperature range -10 to +175 F.
-
150 SCFM (standard cubic feet per minute) with 100 PSI inlet pressure and 10 PSI pressure drop(low pressure drop).

oscarrosete.com
Sistema de aire comprimido
Filtro
Filtros
Filter assembly includes element, manual drain and a high pressure metal bowl.

oscarrosete.com
Sistema de aire comprimido
Filtro
Filter Cartridge/Elemento filtrante


oscarrosete.com
Sistema de aire comprimido
1/2-14 female NPT inlet/outlet.
Filtro

oscarrosete.com
Sistema de aire comprimido
Filtro
Filtros de coalescencia para aire comprimido
Son probablemente el equipo de purificación más importante en un sistema de aire comprimido; están diseñados para eliminar aceite y agua en aerosol por filtración mecánica, removiendo también sólidos en suspensión tan pequeños como 0,01 micras de tamaño.

oscarrosete.com
Sistema de aire comprimido
Filtros
-
Los poros de los filtros generalmente tienen un tamaño que va desde 5 hasta 40 micrones.
-
Con un filtro de 5 micrones m, se puede obtener una filtración del 99.99%
-
Si la caída de presión entre entrada y salida de la instalación de filtrado es de 0.4 a 0.6 bar, se recomienda cambiar el filtro.

oscarrosete.com
Generación, distribución y acondicionamiento
del aire comprimido
Filtros

oscarrosete.com
Generación, distribución y acondicionamiento
del aire comprimido
Filtros
Filtros de Adsorción de aceite, (carbón activado).
También denominados “filtered carbon adsorbers” son utilizados para reducir los niveles de aceite a resultados tan bajos como 0.01 mg/ m³, más bajos que Clase 1 , así como la eliminación de olores.
oscarrosete.com
Generación, distribución y acondicionamiento
del aire comprimido
Filtros
Filtros de eliminación de polvo
Los filtros de eliminación de polvo se utilizan para la remover las partículas cuando no hay líquido presente. Por lo general, proporcionan un rendimiento de eliminación de partículas similar al filtro de coalescencia y utilizan las mismas técnicas de filtración mecánica para alcanzar una eficiencia de hasta el 99,9999% en eliminación de partículas.

oscarrosete.com
Generación, distribución y acondicionamiento
del aire comprimido
Filtros
Microbiológicos filtros (estériles)
La remoción absoluta de partículas sólidas y microorganismos se logra con un filtro de membrana o de tamiz. Generalmente conocidos como filtros de aire estéril. Sus carcasas están fabricadas en acero inoxidable para facilitar la esterilización por vapor o química del filtro y el elemento.

oscarrosete.com
Generación, distribución y acondicionamiento
del aire comprimido
SMC AMG WATER SEPARATOR
Fueron desarrollados para remover agua condensada de una red de aire comprimido.
oscarrosete.com
Generación, distribución y acondicionamiento
del aire comprimido
Festo Water Separator
The water separator MS-LWS has been developed to remove condensed water effectively from compressed air network, as using air filters is not enough for humid countries.
oscarrosete.com
Generación, distribución y acondicionamiento
del aire comprimido
Filtrado previo al compresor (Compressor inlet filter)

El aire debe filtrarse desde antes de entrar al compresor, ello proporcionará mayor vida útil al equipo, cada fabricante de compresores proporciona el tipo adecuado de filtro, sin embargo debe revisarse contra las condiciones ambientales en las que el equipo realmente opera.
oscarrosete.com
Generación, distribución y acondicionamiento
del aire comprimido
Sistema de selección de festo
Selection tool for choosing the right service unit without oversizing, and with the right air quality class: www.festo.com/engineering/wartungseinheit
oscarrosete.com
Generación, distribución y acondicionamiento
del aire comprimido
Ejemplo ilustrativo
Compressed air comes into direct contact with non-dry food (e.g. drinks, meat, vegetables)
The following compressed air quality classification in accordance with ISO 8573-1:2010 applies:
– Solid particles: Class 1
– Water: Class 4
– Oil: Class 1

oscarrosete.com
Generación, distribución y acondicionamiento
del aire comprimido

oscarrosete.com
En equipos previamente acordado, definan y justifiquen qué arreglo de filtros (#parte, proveedor y diagrama) utilizarían para las siguientes aplicaciones:
-
Cirugías dentales.
-
Empaquetado de píldoras para diabetes.
-
Remoción de humedad de hojuelas de papa.
-
Limpieza de rebabas metálicas en prensa.
-
Pintado automotriz.
-
Accionamiento de pistón para fijación de pieza.
Nota: Definir calidad de aire comprimido y buscar con proveedores los elementos filtrantes(FESTO, SMC, etc) requeridos.
Actividad en clase / primer exposición
Lunes, Martes y Miercoles 29, 30 y 31 de Agosto
oscarrosete.com
Lineamientos primer tarea
Realizar Presentación que cubra los siguientes puntos:
-
Justificación en base a normativa
-
Características de filtros seleccionados
-
Diagrama de sistema de filtrado identificando conexiones (port size) y roscado (thread type).
-
Bill of Materials donde se defina el costeo de la solución (Incluir tubería, niples y reducciones)

oscarrosete.com
Contenido
Unidad I: Neumática
-
1.1 Fundamentos de la neumática.
-
1.2 Generación, distribución y acondicionamiento del aire comprimido.
-
1.3 Simbología de los elementos neumáticos.
-
1.4 Diseño de circuitos neumáticos.
-
a) Método Intuitivo.
-
b) Método de cascada.
-
c) Método paso a paso.
-
oscarrosete.com
Sesión pasada
Agenda: 1.2 Generación, distribución y acondicionamiento del aire comprimido.
-
Calidad del aire comprimido.
-
Casos registrados
-
Normativa
-
Compresores (generación)
-
Tipos de secadores
-
Tipos de filtros
-
Acumulador
-
Red de aire
-
Conectores para tubería
-
Instrumentación básica.
oscarrosete.com
Diseño del sistema rentable
El tratamiento en un solo punto no es suficiente, se recomienda que el aire comprimido sea tratado a un nivel de calidad adecuado desde antes de entrar al sistema, y proteger los acumuladores y la tubería de distribución.
Debe prestarse atención a la purificación en el punto de uso, considerando la aplicación y el nivel de calidad requerido.
Generación, distribución y acondicionamiento
del aire comprimido
oscarrosete.com
Generación, distribución y acondicionamiento
del aire comprimido
La red de aire comprimido (pérdidas por fuga)
El mejor método de detectar y localizar fugas mediante es con el uso de un detector acústico ultrasónico, el cual pueda reconocer la alta frecuencia del agudo sonido asociado con las fugas. Estas unidades tienen micrófonos direccionales, amplificadores, filtros de audio y usualmente indicadores visuales o bien audífonos, para detectar las fugas.
oscarrosete.com
La red de aire comprimido (pérdidas por fuga)
Otro método más simple requiere de usar una brocha para aplicar agua jabonosa en las áreas de riesgo; aun y cuando este método es confiable, requiere de mucho más tiempo.
Generación, distribución y acondicionamiento
del aire comprimido
oscarrosete.com
La red de aire comprimido (pérdidas por fuga)
Generación, distribución y acondicionamiento
del aire comprimido
oscarrosete.com
La red de aire comprimido (pérdidas por fuga)
Generación, distribución y acondicionamiento
del aire comprimido
oscarrosete.com
Conectores y accesorios para tubería

Generación, distribución y acondicionamiento
del aire comprimido
oscarrosete.com
Conectores para válvulas y actuadores neumáticos

Generación, distribución y acondicionamiento
del aire comprimido
oscarrosete.com
Roscas
Al usar conexiones roscadas debe tenerse cuidado de unir roscas que sean compatibles
Los tipos de roscas usadas en tuberías y conexiones de tubería, pueden clasificarse por el uso que se les da, como sigue:
-
Roscas que cuando se ensamblan con un sellador, producen una unión resistente a la presión.
-
Roscas que cuando se ensamblan sin sellador producen una unión resistente a la presión.
-
Roscas que provén uniones mecánicas flojas o libres, sin hermeticidad.
-
Roscas que producirán una unión mecánica rígida, sin hermeticidad.
Generación, distribución y acondicionamiento
del aire comprimido
oscarrosete.com
Roscas
Estas necesidades han dado pie al desarrollo de dos formas de rosca para tubería: rectas y cónicas
Estas roscas se regulan por los estándares:
ANSI B1 20.1;
ANSI B1 20.3 y SAE J 476.
Generación, distribución y acondicionamiento
del aire comprimido
oscarrosete.com
Roscas
Esta tabla muestra los diferentes tipos de rosca usados en los USA y el estándar que las rige.

Generación, distribución y acondicionamiento
del aire comprimido
oscarrosete.com
Instrumentación básica
En un sistema neumático, son imprescindibles los siguientes elementos básicos:
-
Regulador de presión
-
válvula de seguridad/ válvula de alivio de presión
-
Unidad de mantenimiento
-
Válvulas de purga
-
Acumuladores intermedios
Generación, distribución y acondicionamiento
del aire comprimido
1.1 Fundamentos de la neumática.
1.2 Generación, distribución y acondicionamiento del aire comprimido.
1.3 Simbología de los elementos neumáticos.
1.4 Diseño de circuitos neumáticos.
a) Método Intuitivo.
b) Método de cascada.
c) Método paso a paso.
Unidad I: Neumática
oscarrosete.com
Agenda
-
Tipos de filtros
-
Eliminación de fugas
-
Actuadores
-
Simple y doble efecto
-
-
Válvulas
Unidad I: Neumática
oscarrosete.com
Agenda
oscarrosete.com
1.3 Simbología de los elementos neumáticos.
Simbología estándar
Se han desarrollado y establecido estándares para representar de manera esquemática los elementos neumáticos, mediante símbolos, de esta manera se facilita la elaboración de dibujos y su comunicación a todos los niveles.
El estándar que más se utiliza es el ISO 1219-1:2012 (en los USA se aplicaba el ANSI Y32.10, pero este ha sido removido y ya solo se usa como estándar de referencia histórica).
En los siguientes sitios pueden encontrar información útil sobre la simbología neumática e hidráulica, detallaremos solo la que aquí usaremos.
-
http://www.fluidpowersolutions.ca/pdf/Fluid%20Power%20Symbols%20ANSI%20Standard.pdf
-
http://hydraulicspneumatics.com/other-technologies/chapter-4-iso-symbols
- http://blog.utp.edu.co/ricosta/files/2011/08/SIMBOLOGIA-NEUMATICA-ISO-1219-1.pdf
1.3 Simbología de los elementos neumáticos.
Simbología estándar
oscarrosete.com
oscarrosete.com
Actuadores neumáticos
-
Cilindro neumático con vástago de simple efecto
- Cilindro neumático con vástago de doble efecto
1.3 Simbología de los elementos neumáticos.
oscarrosete.com
Actuadores neumáticos

1.3 Simbología de los elementos neumáticos.
oscarrosete.com
Actuadores neumáticos

1.3 Simbología de los elementos neumáticos.

oscarrosete.com
Válvulas
Las Válvulas son los elementos de señalización y mando, mediante ellas se dirige y regula la operación de los elementos de trabajo de manera secuencial y preestablecida. En los principios de la automatización, los elementos de manejo de señales y de control eran manuales o mecánicos.
Las válvulas neumáticas, tienen las siguientes funciones:
- Distribuir el fluido
- Regular el caudal
- Regular la presión
1.3 Simbología de los elementos neumáticos.
oscarrosete.com
Válvulas
Conforme a la norma DIN/ISO 1219 y por recomendación del CETOP (Comité Européen des Transmissions Oiéohydrauliques et Pneumatiques).
El término "válvula" o "distribuidor" es el término general para todo tipo de dispositivo que controla una o más variables de un fluido pueden ser válvulas de corredera, de bola, de asiento, grifos, de émbolo, etc.
Estas controlan o regulan el arranque, el paro y la dirección del flujo, así como la presión y el caudal del fluido enviado desde el acumulador.
1.3 Simbología de los elementos neumáticos.
oscarrosete.com
Válvulas
1.3 Simbología de los elementos neumáticos.
oscarrosete.com
Simbología de los elementos neumáticos
El término "válvula" o "distribuidor" es el término general para todo tipo de dispositivo que controla una o más variables de un fluido.
Por su función las válvulas se categorizan en 5 grupos:
a.Válvulas de vías o distribuidoras (definen la ruta)
b.Válvulas de bloqueo
c.Válvulas reguladoras de presión
d.Válvulas reguladoras de caudal
e.Válvulas de cierre
Válvulas
oscarrosete.com
1.3 Simbología de los elementos neumáticos.
Válvulas de vías o distribuidoras
Las válvulas direccionales son los componentes que definen la ruta que ha de tomar el flujo de aire. Físicamente son bloques de metal con varios orificios o vías, que internamente son interconectados por medio de un vástago con émbolos mediante el cual se guía el fluido para que salga por la conexión deseada y sea posible realizar la operación que se quiere.

oscarrosete.com
1.3 Simbología de los elementos neumáticos.
Válvulas de vías o distribuidoras
En los esquemas neumáticos cada posición que puede adoptar una válvula distribuidora se representa por medio de un cuadrado.
Las conexiones externas (entradas y salidas) o vías se representan por medio de trazos unidos a la casilla que esquematiza la posición de reposo Inicial. Las uniones con los actuadores figuran en la parte superior y la alimentación de aire comprimido y el escape en la inferior.
Al denominarlas debe especificarse primero el número de vías que tienen, seguido del número de posiciones
Válvula direccional 2 vías, 2 posiciones

oscarrosete.com
Identifique las siguientes válvulas direccionales en base a sus posiciones y vías
Válvulas de vías o distribuidoras
Ejemplo: 2/2→ 2 vías(conexiones externas), 2 posiciones

Simbología de los elementos neumáticos
oscarrosete.com
Las líneas representan los conductos internos de la válvula. Las flechas, el sentido exclusivo o prioritario de circulación del fluido y siempre en la posición de reposo.
Las posiciones de cierre dentro de las casillas se representan mediante líneas transversales.
Si hay unión de conductos internos se representa mediante un punto.

Simbología de los elementos neumáticos
Válvulas de vías o distribuidoras
oscarrosete.com
La otra posición u otras posiciones se obtienen desplazando lateralmente los cuadrados, hasta que las conexiones coincidan.
Si la válvula es de tres posiciones, la intermedia es, en principio, la de reposo.
Los escapes a través de un conducto se representan con un triángulo ligeramente separado del símbolo de la válvula.

Simbología de los elementos neumáticos
Válvulas de vías o distribuidoras
oscarrosete.com
Si el fluido que circula es aire comprimido, es decir en neumática, el triángulo tendrá aristas negras y fondo blanco. Si se trata de aceite, o sea en óleo hidráulica, el triángulo será negro en su totalidad.
La línea de presión se representa por una circunferencia con un punto dentro
La posición inicial es la segunda posición de izquierda a derecha.
La presión inicial se coloca en la segunda vía de derecha a izquierda
En la parte inferior de la posición inicial, las demas vias se consideran escapes.

Simbología de los elementos neumáticos
Válvulas de vías o distribuidoras
oscarrosete.com
Las conexiones externas se identifican por medio de letras mayúsculas o números:
-
Tuberías o conductos de trabajo, es decir las uniones con los actuadores: A, B, o bien 2, 4,6
-
Conexión con la alimentación del aire comprimido: P ó 1
-
Salida de escape R, S, T ó 3, 5,7

Simbología de los elementos neumáticos
Válvulas de vías o distribuidoras
oscarrosete.com
Cada posición tiene el mismo número de vías, esto es porque la válvula solo las interconecta.

Simbología de los elementos neumáticos
Válvulas de vías o distribuidoras
oscarrosete.com
Simulación 3/2 simple efecto en fluidsim

Simbología de los elementos neumáticos
oscarrosete.com
Válvulas de vías
Por el tipo de accionamiento
a. Válvulas monoestables (1)
b. Válvulas biestables (2)
Por el tipo de control o mando
a. Mando directo (3)
b. Mando indirecto (4)
Por su posición inicial:
a. Normalmente cerradas (5)
B. Normalmente abiertas (6)
Simbología de los elementos neumáticos
oscarrosete.com
En equipos definan la clasificación de válvula de vías asignada.
Simbología de los elementos neumáticos
oscarrosete.com
Válvulas de vías (accionamiento)
a.Válvulas monoestables (1)
Pueden sostener una posición por tiempo indefinido. La válvula se mantendrá en su posición inicial por tiempo indefinido, y la posición activada por el pulsador será mantenida solo mientras el mismo sea presionado.

Simbología de los elementos neumáticos
oscarrosete.com
Válvulas de vías (accionamiento)
b.Válvulas biestables (2)
Sostendrá la última posición que se haya activado por tiempo indefinido o mientras no se accione en sentido contrario.
El accionamiento puede ser: (mecánico, eléctrico o por presión)

Simbología de los elementos neumáticos
oscarrosete.com
Válvulas de vías (Tipo de control)
Por el tipo de control o mando
a.Mando directo (3)
La válvula se utiliza para accionar directamente a un actuador.

Simbología de los elementos neumáticos
oscarrosete.com
Válvulas de vías (Tipo de control)
b.Mando indirecto (4)
La válvula de mando activa a otra válvula que a su vez accionará al actuador.

Simbología de los elementos neumáticos
oscarrosete.com
Válvulas de vías (Posición inicial)
La condición inicial es aquella en la que se han identificado las vías o conexiones de la misma.
Las válvulas se denominan normalmente abiertas, (NA), o normalmente cerradas, (NC), en base a su condición inicial.
La posición inicial es la segunda posición de izquierda a derecha.

Simbología de los elementos neumáticos
oscarrosete.com
Tipos de accionamientos

Simbología de los elementos neumáticos

oscarrosete.com
Ejercicio para entregar
En equipos se investigarán el tipo de accionamiento de la válvula asignada y realizarán una presentación donde:
- Se identificará modelo comercial de válvula que lo utilice .
- Propondrán una aplicación industrial en la cual pueda utilizarse.

septiembre 12/13 (previo a clase)

1.1 Fundamentos de la neumática.
1.2 Generación, distribución y acondicionamiento del aire comprimido.
1.3 Simbología de los elementos neumáticos.
1.4 Diseño de circuitos neumáticos.
a) Método Intuitivo.
b) Método de cascada.
c) Método paso a paso.
Unidad I: Neumática
oscarrosete.com
Agenda
Método Intuitivo (Secuencial)
Método Intuitivo(Secuencial)
Este tipo de diseño se realiza de forma instintiva, es decir cada persona al diseñar un circuito lo hace en base a su experiencia y conocimientos, ello implica que para una operación en particular, el circuito resultante pueda tener diferentes estructuras, (tipos y cantidad de válvulas, tipos de actuadores, etc.), todo dependerá de las habilidades del diseñador.
oscarrosete.com
Variantes
Método Intuitivo(Secuencial)
oscarrosete.com

oscarrosete.com
Ejemplo válvula

Simbología de los elementos neumáticos
oscarrosete.com
Ejemplo válvula 5/2


Simbología de los elementos neumáticos
oscarrosete.com
Ejemplo válvula 5/2
Simbología de los elementos neumáticos
oscarrosete.com
Ejemplo 1
Al accionar un botón un cilindro de simple efecto debe avanzar, al soltar el botón el cilindro de simple efecto debe regresar:
-
La mayoría de las válvulas son monoestables y regresan a su posición predeterminada (inicial) cuando se desactivan a través de un mecanismo de resorte.

Simbología de los elementos neumáticos
oscarrosete.com
Ejemplo 1
Solución con válvula 3/2 mono-estable Normalmente cerrada (Considerar existen NO y NC)

Simbología de los elementos neumáticos
oscarrosete.com
Ejemplo 1


Simbología de los elementos neumáticos
oscarrosete.com
Ejercicio alumno
Al accionar un botón un cilindro de doble efecto debe avanzar,al soltar el botón el cilindro debe regresar:
-
Hacerlo de manera directa (Investigar válvulas 4/2 y 5/2), realizarlo con ambas y simularlo
-
Hacerlo de manera indirecta y simularlo
-
El avance debe ser lento y regulable
Simbología de los elementos neumáticos
oscarrosete.com
Ejercicio alumno directa

Simbología de los elementos neumáticos
oscarrosete.com
Ejercicio alumno [lento y regulable]
Ejercicio alumno indirecta


oscarrosete.com
Ejercicio alumno [lento y regulable]
-
Válvula reguladora de flujo unidireccional
-
Válvula reguladora de flujo bidireccional
oscarrosete.com
Ejercicio alumno [lento y regulable]
-
Válvula reguladora de flujo bidireccional
-
Válvula de retención/antibloqueo (Check valve/non-return)

oscarrosete.com
Ejercicio alumno [lento y regulable]
-
Válvula reguladora de flujo unidireccional

oscarrosete.com
Ejercicio alumno [lento y regulable]
oscarrosete.com
Ejercicio alumno [lento y regulable]

oscarrosete.com
Ejercicio alumno
Al accionar un botón un cilindro de simple efecto debe avanzar, si se suelta el botón el cilindro debe regresar.
Lo mismo ocurre cuando se acciona un segundo botón.
Realizar simulación
oscarrosete.com
Ejercicio alumno
Válvula selectora/OR
Shuttle valve (OR)
The shuttle valve is switched through to the output by applying compressed air to one of the inputs (OR function).

oscarrosete.com
Válvula selectora/OR
Shuttle valve (OR)


Ejercicio alumno
oscarrosete.com

Ejercicio alumno
oscarrosete.com
Al accionar dos botones de manera simultánea (al mismo tiempo) un cilindro de simple efecto debe avanzar, al soltar cualquiera de los dos botones el cilindro debe regresar.
Realizar simulación
Ejercicio alumno
oscarrosete.com
Ejercicio alumno

oscarrosete.com
Ejercicio alumno

oscarrosete.com
Ejercicio alumno

oscarrosete.com
Ejercicio alumno
Al accionar un botón un cilindro de doble efecto debe avanzar lentamente, al soltar el botón el cilindro debe regresar a la máxima velocidad posible.
Realizar simulación
oscarrosete.com
Válvula de escape rápido
Quick exhaust valve
Estos elementos permiten aumentar la velocidad del émbolo en cilindros de simple y doble efecto.
Para que el escape rápido de aire sea efectivo, es necesario que la válvula esté montada directamente sobre la conexión de aire del cilindro.

oscarrosete.com
Válvula de escape rápido y funciones lógicas
oscarrosete.com
Configuración avance controlado/escape rápido

oscarrosete.com
Válvula de escape rápido

oscarrosete.com
Ejercicio simulación

oscarrosete.com
Al accionar un botón y soltarlo un cilindro de doble efecto debe avanzar , debe regresar al llegar al final de su carrera.
Realizar simulación
Ejercicio alumno (final de carrera)
oscarrosete.com
Ejercicio alumno (final de carrera)
oscarrosete.com
Final de carrera neumático
Válvula 3/2 con accionamiento mecánico por rodillo.
Ejercicio alumno (final de carrera)
oscarrosete.com
Tipos de finales de carrera
Cabezal orientable, levas sobregirado, levas ajustables, con conector, cable salida orientable,etc.
Selección ibérica
http://www.ibericadeautomatismos.com/producto/na-nb-finales-de-carrera-pizzato/
Selección Honeywell
https://sensing.honeywell.com/es-es/switches/limits
Ejercicio alumno (final de carrera)
oscarrosete.com
Ejercicio alumno (final de carrera)
oscarrosete.com
Diagramas
En el diseño intuitivo de circuitos neumáticos se hace uso de los diagramas:
Espacio←→ Fase -ó- Espacio ←→ Tiempo
Se entiende por fase el cambio de estado o posición de un elemento (sensor, interruptor, válvula, o actuador).
Método Intuitivo (Secuencial)
Millán Teja, S. (1996). Automatización Neumática y Electroneumática. Spain: Marcombo.
oscarrosete.com
Este sistema permite la descripción metódica elemental de un automatismo.
-
Un cilindro en el cual sale el vástago, decimos que va a (+)
-
Un cilindro en el cual entra el vástago, decimos que va a (-)

Método Intuitivo (Secuencial)
oscarrosete.com
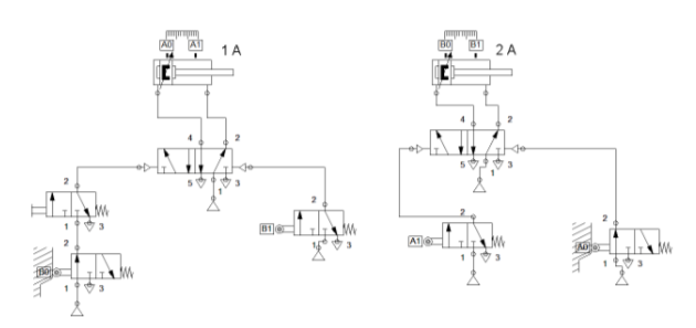
Ejemplo práctico
una máquina de taladrar, cuyo avance es mandado por un cilindro neumático que llamamos A, perfora con una broca una pieza que se sujeta por medio de una mordaza neumática accionada con otro cilindro que llamamos B, deberá hacer el siguiente ciclo simplificado:
B+ A+ A- B-
Método Intuitivo (Secuencial)
oscarrosete.com
Ecuación de secuencia
La ecuación de secuencia describe de forma temporal, la secuencia de los accionamientos del circuito.
solo se representan los cambios de fases de los actuadores
Cilindro A… elevador Cilindro C… Prensa
Cilindro B… Pusher Cilindro D… Taladro
Un ejemplo de ecuación de secuencia es:
A+ B+ B- C+ D+ D- C- A-
Método Intuitivo (Secuencial)
oscarrosete.com
Espacio←→ Fase
Representación gráfica del ciclo.
El funcionamiento de cada elemento es representado por una banda horizontal
Borde inferior corresponde a la posición(-) y el borde superior corresponde a (+)

Método Intuitivo (Secuencial)
oscarrosete.com
Espacio←→ Fase
En ordenadas se representan las posiciones del cilindro y en abscisas las diferentes fases en que se descompone el ciclo.

Método Intuitivo (Secuencial)
oscarrosete.com
Espacio←→ Fase
B+ A+ A- B-
Es un ciclo de 4 fases, en la fase inicial vemos dos cilindros en posición (-).
En la 1a fase cilindro A mantiene posición y B pasa a posición (+).
En la 2da fase cilindro B mantiene y a pasa de (-) a (+).
Este diagrama permite visualizacion rapida y entendimiento de un ciclo.

Método Intuitivo (Secuencial)
oscarrosete.com
Step←→ Displacement

Método Intuitivo (Secuencial)
oscarrosete.com
Espacio/Estado←→ Tiempo
El eje de las abscisas se muestra a escala los tiempos de cada fase.

Método Intuitivo (Secuencial)
oscarrosete.com

Método Intuitivo (Secuencial)
oscarrosete.com
Espacio←→ Fase y Espacio←→ Tiempo
Son útiles para detectar la aparición de señales que se contrapongan e impidan la correcta operación del sistema, (a tales señales se les ha denominado como señales entrampadas, permanentes o señales encontradas), una vez detectadas se busca una solución para eliminarlas y permitir la operación continua del circuito.
Método Intuitivo (Secuencial)
oscarrosete.com
Método Secuencial
-
Croquis (Dibujo de lo que se automatizará, resaltando el actuador)
-
Ecuación de Movimiento/secuencia (Letra del actuador y un símbolo: + avance, -retrae)
-
Identificación de emisores de señal (finales de carrera)
-
Diagrama espacio-fase
-
Análisis de sincronía
-
Diagrama neumático
Método Intuitivo (Secuencial)
oscarrosete.com
En un proceso de producción se pretende automatizar el paletizado, para lo cual se utilizaran dos cilindros.
Realizar diseño secuencial del circuito neumático.
Ejemplo Ilustrativo (Método Secuencial)
oscarrosete.com
-
Croquis del sistema (resaltando los actuadores).

Ejemplo Ilustrativo (Método Secuencial)
oscarrosete.com
2. Ecuación de Movimiento (Letra del actuador y un símbolo: + avance, -retrae)
1A+ 2A+ 1A- 2A-

Ejemplo Ilustrativo (Método Secuencial)
oscarrosete.com
3.Identificación de emisores de señal(finales de carrera/detector de posición)
-
Sensor pieza en posición
-
Sensores cilindro 1A
-
Sensores cilindro 2A

Ejemplo Ilustrativo (Método Secuencial)
oscarrosete.com
4. Diagrama espacio-fase
1A+ 2A+ 1A- 2A-

Ejemplo Ilustrativo (Método Secuencial)
oscarrosete.com
4. Diagrama espacio-tiempo
1A+ 2A+ 1A- 2A-
El tiempo 1A+ y 2A+ es de 5 segundos.
Mientras el tiempo de retroceso 1A- y 2A- es de 3 segundos.
El tiempo de ciclo total= 5+5+3+3 = 16 segundos

Ejemplo Ilustrativo (Método Secuencial)
oscarrosete.com
5. Análisis de sincronía
No deben de repetirse los estados, con excepcion de la fase 0 y fase 4.

| Actuador | 0 | 1 | 2 | 3 | 4 |
|---|---|---|---|---|---|
| Actuator 1A state | 0 | 1 | 1 | 0 | 0 |
| Actuator 2A State | 0 | 0 | 1 | 1 | 0 |
Fase
Ejemplo Ilustrativo (Método Secuencial)
oscarrosete.com
6. Diagrama neumático en Fluidsim

Ejemplo Ilustrativo (Método Secuencial)
oscarrosete.com
Ejercicio tarea alumno (Método Secuencial)
Un proceso de producción como el que se muestra, se pretende automatizar mediante los cilindros M1 y M2.
Realizar diseño secuencial del circuito neumático (6 pasos).

oscarrosete.com
Ejercicio tarea alumno
Al accionar un botón y soltarlo un cilindro de doble efecto debe avanzar, al presionar y soltar un segundo botón el cilindro debe regresar.
El avance y el retroceso debe ser lento y regulable.
Realizar simulación
Subir imagen y video probatorio a Blackboard

1.1 Fundamentos de la neumática.
1.2 Generación, distribución y acondicionamiento del aire comprimido.
1.3 Simbología de los elementos neumáticos.
1.4 Diseño de circuitos neumáticos.
a) Método Intuitivo.
b) Método de cascada.
c) Método paso a paso.
Unidad I: Neumática
oscarrosete.com
Agenda
oscarrosete.com
Método de cascada
Método de Cascada
(señales encontradas/condiciones de carrera/condiciones de sincronía)
1. Obtener la ecuación de secuencia requerida por el proceso.
2. Separar la ecuación de secuencia en grupos, agrupando las letras de manera que ninguna se repita en un mismo grupo, verifique que se tenga el menor número de grupos. Si el último grupo no tiene letras en común con el primero, puede integrarse a este.
3. Trazar una línea de presión por cada grupo. El suministro de aire a las líneas de presión se controla con válvulas direccionales 4/2 –o– 5/2, (“válvulas de memoria). Para activar el grupo, se presuriza la línea de presión asociada con el mismo
4. El número de válvulas de memoria necesario, es igual al número de grupos menos uno.
oscarrosete.com
Método de cascada
Método de Cascada
5. Las posiciones extremo de los actuadores se asocian a válvulas límite 3/2, monoestables accionadas mecánicamente y regresadas por resorte
6. Las marcas o etiquetas son denominadas comúnmente: [+/–], [0,1], {A+/A-}, – o – {A0/A1}
7. Las válvulas de memoria de las líneas de presión, se conectan normalmente abiertas llevando aire a la línea del grupo 1, se activan por la izquierda por la señal de cambio de grupo, (la señal de cambio de cada grupo es el ultimo termino del grupo). y por la derecha por aire de la línea del grupo subsecuente. La última válvula se retorna con la señal de cambio del último grupo.
8. Cada actuador se controla con una válvula direccional 4/2 –o– 5/2 biestable, accionada neumáticamente en ambos extremos.
oscarrosete.com
Método de cascada
Método de Cascada
En el método de cascada, se utilizan válvulas 4/2 -o- 5/2 como memoria conectandolas en serie, por la forma de hacer las conexiones se le denomina método de cascada, de manera que las señales sólo estén presentes cuando se requieren.
Sin embargo, el hecho de que las conexiones sean en serie, genera grandes caídas de presión al pasar de una válvula a otra, por ello no se recomienda usarse con más de dos válvulas de memoria, equivalente a la aplicación para tres grupos.
oscarrosete.com
Método de cascada

2 Grupos

3 Grupos
oscarrosete.com
Método de cascada (4 grupos)

oscarrosete.com
Conexiones alternativas metodo de cascada

oscarrosete.com
Ejercicio ilustrativo 10
-
Realizar diseño secuencial del circuito neumático compuesto por los cilindros A y B representado por la siguiente secuencia.
-
Realizar Método de cascada para su solución.
M1+ M2+ M2-M1-
oscarrosete.com
Ejercicio ilustrativo 10
- Ecuación de secuencia
M1+ M2+ M2-M1-
2. (M1+ M2+)(M2-M1-)
3-8 en fluidsim
oscarrosete.com
Ejercicio para entregar
Realizar Método de cascada para su solución.
A+ B+ B- C+ C- A-
1. Ecuación de secuencia
A+ B+ B- C+ C- A-
2. (A+ B+ )(B- C+) (C- A-)
3-8 en fluidsim
oscarrosete.com
Ejercicio en equipo para entregar
3-8 en fluidsim

oscarrosete.com
Tarea alumno
-
Realizar diseño secuencial del circuito neumático compuesto por los cilindros de doble efecto representados por las siguientes secuencias.
-
Realizar Método de cascada para su solución (buscar sea cíclico)
Subir vídeo del funcionamiento con explicación a Blackboard
2.- A+ B+ A-
B-
1.- A+ A- B+ C+ C- B-
(grupo lunes y jueves)

(grupo martes y jueves)
(grupo miercoles y viernes)
(grupo martes y jueves)
(grupo miercoles y viernes)
oscarrosete.com
Método paso a paso extendido

oscarrosete.com
Método paso a paso
2 estructuras básicas
derecha(último paso), izquierda(pasos restantes)

oscarrosete.com
Método paso a paso
El método paso a paso, es un procedimiento sencillo en el que las válvulas de memoria de las líneas de presión se conectan en paralelo al suministro de aire, por ello no hay acumulación de pérdidas de presión en válvulas, esto hace que sea el más utilizado por los diseñadores.
El método paso a paso puede aplicarse término a término de la ecuación de secuencia o bien por grupos, tal y como se formaron en el método cascada.
oscarrosete.com
Método paso a paso
Si el método se aplica término a término de la ecuación de secuencia se denomina paso a paso extendido, si primero se forman grupos como se hizo en el método de cascada, y se aplica por grupos se denomina paso a paso simplificado, este utiliza menos válvulas de memoria.
Es importante considerar que para poder aplicar el método paso a paso se necesita tener tres o más términos o grupos, ya que una válvula de memoria se activa por la línea anterior y se desactiva por la línea de presión subsecuente, pero si solo se tienen dos, debe usarse una línea de presión virtual para poder aplicarlo.
oscarrosete.com
Método paso a paso
1.Definir la ecuación de secuencia.
2.Dibujar los actuadores controlados por válvulas biestables 4/2 o 5/2
3.Numerar las fases, (movimientos simultáneos, se consideran como una sola fase).
4.A cada fase se asigna una línea de presión, que es presurizada con una válvula 3/2 biestable de accionamiento neumático. La válvula actuará como memoria alimentándose de aire del suministro principal. En el método extendido, se requieren tantas válvulas de memoria como términos tenga la ecuación de secuencia.
Metodología
oscarrosete.com
Ejercicio ilustrativo 1
-
Realizar diseño paso a paso del circuito neumático compuesto por los cilindros A y B representado por la siguiente secuencia.
A+ B+ B- A-
oscarrosete.com
Método paso a paso extendido
-
Sea la secuencia: A+ B+ B- A- (como recordarán esta secuencia tiene señales encontradas)
1.Definir la ecuación de secuencia.
A+ B+ B- A-
2.Dibujar los actuadores controlados por válvulas biestables 4/2 o 5/2 y etiquetarlos.

oscarrosete.com
Ejemplo ilustrativo 1

oscarrosete.com
Ejemplo ilustrativo 2
A+ A- B+ B-

oscarrosete.com
Tarea alumno
Realizar método de paso a paso extendido y simplificado para su solución.
A+ A- B+ C+ C- B-
Subir vídeo del funcionamiento con explicación a Blackboard

oscarrosete.com
Tarea alumno
-
Realizar diseño paso a paso simplificado.
Diferencia agrupación con movimientos no complementarios.

oscarrosete.com


oscarrosete.com
Ejercicio alumno
-
Realizar diseño paso a paso extendido del circuito neumático compuesto por los cilindros A, B y C representado por la siguiente secuencia.
-
Realizar diseño paso a paso simplificado para su solución.
A+ A- B+ B- C+ C-

oscarrosete.com
Paso a paso simplificado

oscarrosete.com
Ejemplo diagrama de estados

oscarrosete.com
Tendencias adicionales

oscarrosete.com
Metodología Karnaugh

oscarrosete.com
Metodología Cascada

oscarrosete.com
Actuadores adicionales
oscarrosete.com
Los generadores de vacío son elementos que, como su nombre indica, se encargan de producir vacío o depresión de aire.
A diferencia de las bombas de vacío que funcionan con la energía de un motor eléctrico, los generadores funcionan sin partes móviles y aprovechando el efecto conocido en física como venturi.


Generador de vacío
oscarrosete.com
El principio de Bernoulli: dentro de un flujo horizontal de fluido, los puntos de mayor velocidad del fluido tendrán menor presión que los de menor velocidad.
Lectura disponible en:


Generador de vacío
oscarrosete.com
Otra manera de decir que el fluido irá más rápido si hay más presión detrás de ella que delante de ella.



Generador de vacío
oscarrosete.com
Generador de vacío
El efecto Venturi es un fenómeno físico que consiste en que cuando un fluido en movimiento dentro de un tubo o conducto de determinada sección, atraviesa una sección menor, inevitablemente este aumenta su velocidad.
Al aumentar su velocidad se descubrió que disminuye su presión. A esto se lo llama efecto Venturi.


oscarrosete.com
Generador de vacío
Hay veces en donde el aumento de velocidad es muy grande, haciendo que se produzcan presiones negativas. Por lo que si se conecta otro tubo a este a través de un conducto, se generará una aspiración del fluido en el tubo donde se generó la depresión.
oscarrosete.com
Generador de vacío
oscarrosete.com
Generador de vacío
El aire a presión procedente de la red entra por (1) y al llegar a (2) se estrangula, aumentando notablemente su velocidad. Este aumento de velocidad crea una depresión en la cámara (3) y en el conducto (5), que se aprovecha para conectar las ventosas de vacío.
El aire a presión generador del vacío sale expulsado al exterior a través del conducto (4)

oscarrosete.com
Generador de vacío
La siguiente gráfica muestra el comportamiento de 4 generadores de vacío con distintos diámetros internos de la boquilla. 0.1, 1, 1.5 y 2 mm.
El nivel de depresión conseguido no depende de dicho diámetro, pero sí dependen de esos diámetros el caudal aspirado y consumido.


oscarrosete.com
Generador de vacío
La siguiente gráfica muestra el comportamiento de 4 generadores de vacío con distintos diámetros internos de la boquilla. 0.1, 1, 1.5 y 2 mm.
El nivel de depresión conseguido no depende de dicho diámetro, pero sí dependen de esos diámetros el caudal aspirado y consumido.

oscarrosete.com
Generador de vacío
La fuerza de sujeción de una determinada ventosa dependerá del nivel de depresión conseguido por el generador. El nivel de vacío no depende del diámetro de la boquilla.
Bajo cualquier diámetro en cierto instante del tiempo con un mismo generador se obtendrá una misma fuerza requerida.

oscarrosete.com
Generador de vacío
Pero el tiempo es importante, bajo mayor caudal aspirado se producirá la misma depresión de una forma más rápida.
Asimismo cuanto mayor sea el consumo de aire, mayor coste de funcionamiento.

oscarrosete.com
Ventosas
Las ventosas son los componentes de la técnica de vacío que realizan el trabajo de adherencia a distintos objetos para ser éstos manipulados.
Existen varios tipos de ventosas, cada una con peculiaridades propias y especialmente concebidas para diversos usos.

oscarrosete.com
Las ventosas, atendiendo a una clasificación general y a su forma, se pueden dividir en: ventosas planas, de fuelle, de rótula y alargadas. En cuanto al elastómero o material que produce la estanqueidad, puede ser de nitrilo, caucho natural, silicona y vitón.
El material los hace más o menos resistentes a compresión, desgaste, desgarro, líquidos como aceites o ácidos y a temperaturas.

Ventosas
oscarrosete.com
Las ventosas planas (a y b) se emplean cuando las superficies son planas y lisas.
Las ventosas (c) de fuelle para manipular productos muy deformables, así como objetos con planos a distinto nivel o planos inclinados.

Ventosas
oscarrosete.com
Las ventosas de rótula (d), se adaptan mediante el giro de la articulación en todas las direcciones a elementos con planos inclinados y planchas flexibles.
Las ventosas alargadas, también llamadas rectangulares (e) se emplean para manipular objetos con superficies curvas, también para sacos de grano, cemento,etc.

Ventosas
oscarrosete.com

Ventosas
oscarrosete.com
Generador de vacío
oscarrosete.com
Sujeción
Accesorios de sujeción o levantamiento de cargas
Los elementos de agarre pueden ser excitados manualmente, eléctricamente, neumáticamente o de modo hidráulico.
Las mordazas pueden ser de simple efecto con retorno por resorte, de doble efecto. La fuerza que ejercen puede ser tan baja como 10 kg hasta llegar a varias toneladas.
oscarrosete.com
Sujeción

oscarrosete.com
Grippers
oscarrosete.com
Unidad II: Electroneumática
Rotate and transfer mechanism
Se desea que una pieza se mueva de una mesa a otra a través de un actuador semi giratorio(A), un cilindro neumático (B) y succión de vacío(V). (La pieza es de vidrio).
Minuto 1:24 del video

oscarrosete.com
Unidad II: Electroneumática
Rotate and transfer mechanism
Ec. Secuencia:
B+ V+ B- ADER B+ V- B- AIZQ
Resolución individual para entregar en blackboard.
-
Paso a paso extendido
-
Paso a paso simplificado


oscarrosete.com
Unidad II: Electroneumática
Rotate and transfer mechanism alternativo
Pagina 49.
Descripción:
http://wikifab.dimf.etsii.upm.es/wikifab/images/8/85/FESTO99ejemplos.pdf

oscarrosete.com
Proyecto Final
Trabajo escrito
-
Introducción y Justificación
-
Definición del problema
-
Video explicativo del proceso a automatizar.
-
-
Marco teorico
-
Diagrama de Gantt
-
Identificar condiciones de riesgo e incertidumbre para el éxito del proyecto.
-
Análisis Proceso
-
oscarrosete.com
Proyecto Final

oscarrosete.com
Sesión pasada
Agenda: 1.2 Generación, distribución y acondicionamiento del aire comprimido.
-
Calidad del aire comprimido.
-
Casos registrados
-
Normativa
-
Compresores (generación)
-
Tipos de secadores
-
Tipos de filtros
-
Acumulador
-
Red de aire
-
Conectores para tubería
-
Instrumentación básica.
oscarrosete.com
Sesión pasada
-
Tipos de filtros
-
Eliminación de fugas
-
Actuadores
-
Simple y doble efecto
-
-
Válvulas
oscarrosete.com
Actividad investigación en equipos
En una presentación compartida a través de blackboard dar respuesta a las siguientes preguntas:
-
Complementar los sucesos históricos vistos en clase con por lo menos 3 adicionales que consideran sean relevantes para la neumática.
-
Describir por lo menos una aplicación real documentada de la neumática en la industria y fuera del ámbito industrial:
-
Describir brevemente los componentes utilizados.
-
¿Cuál consideran que es el nivel de desarrollo en cuanto a Automatización Industrial en México? (Justificar bien la respuesta).
oscarrosete.com
Actividad investigación en equipos
En una presentación compartida a través de blackboard dar respuesta a las siguientes preguntas:
- Complementar los sucesos históricos vistos en clase con por lo menos 3 adicionales que consideran sean relevantes para la neumática.
-
Describir por lo menos una aplicación real documentada de la neumática en la industria y fuera del ámbito industrial:
-
Describir brevemente los componentes utilizados.
- ¿Cuál consideran que es el nivel de desarrollo en cuanto a Automatización Industrial en México? (Justificar bien la respuesta).
oscarrosete.com
Ejercicio alumno 6 simulación

oscarrosete.com
Ejercicio alumno 8
Displacement step diagram y análisis de sincronía
M1+ M2+ M2-M1-

| Step | 1 | 2 | 3 | 4 |
|---|---|---|---|---|
| Actuator M1 State | 0 | 1 | 1 | 1 |
| Actuator M2 State | 0 | 0 | 1 | 0 |
oscarrosete.com
Ejercicio alumno 8
Diagrama neumático en Fluidsim
M1+ M2+ M2-M1-

Neumática 1er Unidad (2022)
By Oscar Rosete
Neumática 1er Unidad (2022)
- 2,248
































































