Presentations
Templates
Features
Teams
Pricing
Log in
Sign up
Log in
Sign up
Menu
CPU設計プロジェクト
2017-12-7
山家壮平
松本慎輝
名井雄大
チームの進捗
勉強会を行って、現在パイプラインCPUの制作を行っています。
現在はデータハザードの解決にとりくんでいます。
プログラミングに不慣れなので、やりたいことがあってもSystem verilogの書き方がわからず苦労しています。
チームの進捗
山家の進捗
うごいた…
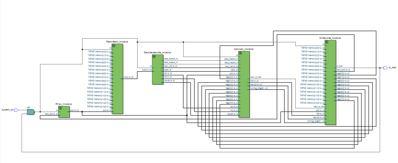
現在の制作物
CPUせっけいぷろじぇくと
By eliza0x
Made with Slides.com
CPUせっけいぷろじぇくと
287
eliza0x
More from
eliza0x