Potencia Eléctrica
Unidad de competencia III. Potencia real, activa y aparente
Facultad de Ingeniería/Campus Mexicali
Ing. Oscar Alonso Rosete Beas
Unidad 3 Rev:2 ciclo 2021-1
oscarrosete.com


Agenda
Unidad de competencia II. Potencia real, activa y aparente
2.1. Potencia instantánea
2.2. Potencia activa o real
2.3. Potencia reactiva
2.4. Definición de carga y fuente reactivas
2.5. Capacitor y potencia reactiva
2.6. Distinción entre potencia activa y potencia Reactiva
2.7. Cargas activa y reactiva combinadas: potencia aparente
2.8. Relación entre P, Q y S
2.9. Factor de potencia
2.10. Triángulo de potencia

oscarrosete.com
Competencias de la unidad
- Comprender las diferencias entre cada sistema de unidades y como utilizarlas para la resolución de problemas en su campo de aplicación.
- Aplicar los conceptos básicos vistos en las materias de circuitos eléctricos I y en circuitos eléctricos II.
- Analizar problemas de sistemas de potencia para poder explicar las variables resultantes de dicho sistema.
- Mediante el análisis de casos, y resolución de problemas y ejercicios estructurados. Con una actitud proactiva, colaborativa y tenaz.

oscarrosete.com
Análisis de fallas (sistemas trifásicos)
oscarrosete.com
+Información
Son cinco los tipos de cortocircuitos más frecuentes que pueden darse en una red eléctrica; por suerte, el doble contacto a tierra es poco frecuente, revistiendo su cálculo una gran complejidad.
Fallas más comúnes
oscarrosete.com


oscarrosete.com

Formulario


oscarrosete.com

Fundamento
Cálculo de fallas trifásicas (Método de Thevenin)
En este metodo se requiere utilizar la red de secuencia (+), en la cual los generadores se representan por una fuente de voltaje y una reactancia, las lineas y transformadores solo por una reactancia. El circuito de thevenin utiliza en el punto de falla un generador equivalente y las fuentes se cortocircuitan teniendo polaridad contraria a la red de secuencia (+).
oscarrosete.com

Ejemplo ilustrativo
Sea el siguiente sistema, calcule los valores de falla en el punto D.

oscarrosete.com

Ejercicios alumnos 2
Sea el siguiente sistema, calcule los valores de falla en secundario del transformador 1 y el secundario del transformador 2

oscarrosete.com

Ejercicios alumnos 3
Sea el siguiente sistema, calcule los valores de falla en secundario del transformador 1 y el secundario del transformador 2


oscarrosete.com

Material de referencia
• Análisis de fallas (Video introductorio de 6 minutos):
https://youtu.be/g8itg4MOjok
• Componentes simétricos (tiempo estimado de 50 minutos):
https://youtu.be/iLOfLIHLaqs
- Aplicación a cortos circuitos:
https://youtu.be/VwgGm-N0Cpw
Investigación alumno
En presentación Microsoft Powerpoint (buscar en biblioteca digital), entregar a mas tardar el día Martes 27:
- Metodología análisis de falla del corto circuito monofásico a tierra
- Ubicar un ejemplo del análisis o plantearlo.
- Buscar dispositivos de protección utilizados usualmente para la protección contra los cortocircuitos e identificar los criterios de selección de los mismos.
oscarrosete.com
oscarrosete.com
+Información
oscarrosete.com

Material de referencia
Análisis de fallas (Playlist de 50 minutos):
oscarrosete.com

Presentación Unidad 3
Entregar a mas tardar el día Viernes 7:
En presentación Microsoft Powerpoint (buscar referencias en biblioteca digital)
- Definir la metodología para el análisis de fallas asimétrica asignada.
- Ubicar un ejemplo del análisis o plantearlo.
- Buscar dispositivos de protección utilizados usualmente para la protección contra los cortocircuitos e identificar los criterios de selección de los mismos.
Notas:
La explicación deberá estar contemplada con una duración máxima de 20 minutos, contemplando 5 minutos para preguntas y respuestas de sus compañeros y profesor.
En esta sesión se evaluará la medición de aprendizaje IER1.
La sesión será grabada y compartida en el sitio web del curso.
oscarrosete.com

Presentación Unidad 3
La presentación el día Jueves de las siguientes temáticas:
- Cortocircuito con doble contacto a tierra (mancillas, alcaraz, vasquez)
- Cortocircuito bifásico sin contacto a tierra (Max, Bryan, Dani, Yon)
- Cortocircuito bifásico con contacto a tierra (Johana, Claudia, esquer)
- Cortocircuito monofásico a tierra. Resolución con método no visto en clase (Alejandro Coronel, Arturo Orozco y Fernando Murillo)
oscarrosete.com

En una máquina síncrona el flujo en el entrehierro no es el mismo en el instante en que ocurre el cortocircuito que el de unos pocos ciclos más tarde.
El cambio de flujo viene determinado por la acción conjunta del campo, la armadura y los devanados amortiguadores.
Fallas relacionadas a máquinas síncronas
oscarrosete.com

Fallas relacionadas a máquinas síncronas
Una vez ocurrido el fallo, los periodos subtransitorio, transitorio y permanente se caracterizan por sus respectivas reactancias.
Dichas reactancias tienen valores crecientes, Xd"<Xd'<Xd, y por tanto las correspondientes componentes de las corrrientes de cortocircuito tienen magnitudes decrecientes, I">I'>I
oscarrosete.com

Fallas relacionadas a máquinas síncronas



oscarrosete.com

Fallas relacionadas a máquinas síncronas

oscarrosete.com

Fallas relacionadas a máquinas síncronas
oscarrosete.com

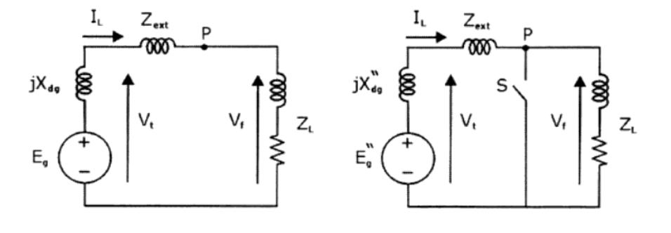
Tensiones internas de máquinas en carga
Considerando un generador con una carga trifásica equilibrada. El circuito equivalente en régimen permanente queda determinada por la tensión en vacio Eg y la reactancia síncrona Xdg. La corriente que circula antes del fallo es IL, la tensión en el punto de fallo es Vf y la tensión en terminales del generador es Vt.

oscarrosete.com

Tensiones internas de máquinas en carga
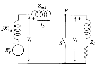
En la figura se observa un voltaje Eg" en serie con Xdg" el cual suministra la corriente de estado estable IL, cuando el interruptor esta abierto y suministra la corriente al cortocircuito a traves de Xdg" y Zext cuando S esta cerrado.
Eg" es llamado voltaje interno subtransitorio e IL" es la corriente subtransitoria.

oscarrosete.com

Tensiones internas de máquinas en carga
De manera similar, cuando se calcule la corriente transitoria I', que se debe suministrar a través de la corriente transitoria Xdg' el voltaje de operación es el voltaje interno transitorio Eg'.

oscarrosete.com

Tensiones internas de máquinas en carga
Los motores sincrónicos tienen reactancias del mismo tipo que los generadores. Cuando un motor se cortocircuita, no recibe más energía eléctrica de la línea de potencia, pero su campo permanece energizado y la inercia de su rotor y la carga conectada lo conserva rotando por un corto periodo.

oscarrosete.com

Tensiones internas de máquinas en carga
El voltaje interno de un motor sincrónico origina que contribuya con corriente al sistema y así, un motor actúa como un generador.
En la figura se muestran las contribuciones a la corriente de cortocircuito subransitoria de un motor y un generador.

oscarrosete.com

Tensiones internas de máquinas en carga



En una segunda etapa analice utilizando teorema de Thévenin
oscarrosete.com

Tensiones internas de máquinas en carga



En una segunda etapa analice utilizando teorema de Thévenin
oscarrosete.com

Tensiones internas de máquinas en carga
El generador síncrono de la figura esta operando a la potencia nominal en MVA, f.p de 0.95. en atraso y 5% encima de su voltaje nominal cuando un corto circuito trifásico ocurre en la barra 1. Calcular los valores por unidad de la corriente de falla subtransitoria, la corriente subtransitoria del generador y motor discriminando la corriente prefalla y las mismas corrientes considerando la corriente prefalla.


oscarrosete.com

Tensiones internas de máquinas en carga
Un generador trifásico de 1000-MVA, 20-kV, 60-Hz, esta conectado a traves de un transformador de 1000-MVA, 20-kV/345-kV, delta-estrella, a un circuit breaker y una linea de transmision de 345-kV.
Una falla de corto circuito trifásico sucede en la conexión a la linea de transmisión del CB.
- Las reactancias del generador son X"=0.17, X'=0.30, y X=1.5 pu
- Sus constantes de tiempo son T"=0.05,T'=1.0 y T=0.1s.
- La reactancia del transformador es de 0.1
Determine la corriente de falla subtransitoria en p.u
y en KA rms


oscarrosete.com

Introducción componentes simétricas
Diagrama de secuencia positiva
El diagrama puede obtenerse representando cada elemento por su reactancia ya referida a una base común y también representando las fuentes de tensión con sus valores representados por unidad y referenciandolos a una base común


oscarrosete.com

Introducción componentes simétricas
Diagrama de secuencia negativa
La componente negativa es una indicación de la medida de desbalance existente en el sistema trifásico,es decir, la falta de simetría entre los fasores de tensión en el punto de conexión.
Este se elabora de la misma forma que el de secuencia positiva, los valores de las reactancias son iguales, pero la única diferencia consiste en omitir las fuentes de tensión que cuenta la secuencia positiva.

oscarrosete.com

Introducción componentes simétricas
Diagrama de secuencia cero
Este tipo de diagrama requiere consideraciones adicionales con respecto a los anteriores diagramas. Los componentes de secuencia cero se vincula a la conexión respecto de tierra. Las corrientes de secuencia cero son aquellas que no cierran el circuito por las fases activas, sin o que lo hacen por el neutro, o por tierra.

oscarrosete.com

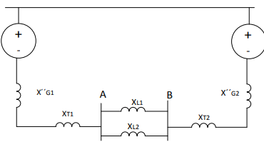
Tensiones internas de máquinas en carga
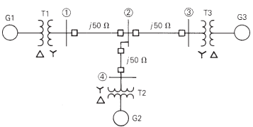
Los datos nominales para el sistema de 4 barras son los siguientes:
Una falla trifásica de corto circuito ocurre en la barra 1, el voltaje prefalla es 525 kV. Determine la reactancia por unidad en el lugar de la falla, la corriente de falla subtransitoria en por unidad y en kA rms, asi como las contribuciones del generador G1 y de la linea 1-2.



oscarrosete.com

Power World Simulator
oscarrosete.com

Circuito monofásico equivalente línea a tierra


oscarrosete.com

Circuitos equivalentes homopolares
Cálculo de fallas trifásicas (Método de Thevenin)
En este método se requiere utilizar la red de secuencia (+), en la cual los generadores se representan por una fuente de voltaje y una reactancia, las lineas y transformadores solo por una reactancia. El circuito de thevenin utiliza en el punto de falla un generador equivalente y las fuentes se cortocircuitan teniendo polaridad contraria a la red de secuencia (+).
Para fallas simétricas se analizan los circuitos equivalentes de secuencia directa(+), inversa(-) y homopolar(-).
oscarrosete.com

Circuitos equivalentes homopolares

oscarrosete.com

Circuitos equivalentes homopolar transformador


oscarrosete.com

Circuito monofásico equivalente línea a tierra

oscarrosete.com
Presentación Unidad 3
Sea el siguiente sistema, calcule los valores de falla en el punto F.

Potencia Análisis en por unidad 05/14/2020
By oscar_rosete
Potencia Análisis en por unidad 05/14/2020
- 493