Potencia Electrica
Unidad 2: Potencia real, activa y aparente
Ing. Oscar Alonso Rosete Beas
Unidad 2 Rev:1 ciclo 2021-1
oscarrosete.com

oscarrosete.com


Agenda
2.1. Potencia instantánea
2.2. Potencia activa o real
2.3. Potencia reactiva
2.4. Definición de carga y fuente reactivas
2.5. Capacitor y potencia reactiva
Unidad 2: Potencia real, activa y aparente
oscarrosete.com

Agenda
2.6. Distinción entre potencia activa y potencia Reactiva
2.7. Cargas activa y reactiva combinadas: potencia aparente
2.8. Relación entre P, Q y S
2.9. Factor de potencia
2.10. Triángulo de potencia
Unidad 2: Potencia real, activa y aparente
oscarrosete.com

Unit #2
oscarrosete.com
oscarrosete.com

oscarrosete.com
Agenda
Unidad I. Fundamentos básicos
1.6 Unidades comúnmente utilizadas
1.7 Tablas de conversión y su uso
1.8 El sistema de medición por unidad
1.9 Sistema por unidad con una base
1.10 Conversión a diferentes sistemas de unidades
oscarrosete.com
Fundamento teórico
Cuando se analiza un solo aparato (transformador o motor), se usan sus propios valores nominales como la base del sistema por unidad.
Si se utiliza un sistema por unidad basado en los valores nominales del transformador, las características del transformador de potencia o de distribución no cambiarán mucho dentro de una amplia gama de valores de voltaje y potencia.
oscarrosete.com
Fundamento teórico
Por ejemplo, normalmente la resistencia en serie de un transformador es alrededor de 0.01 por unidad, y por lo común la reactancia en serie está entre 0.02 y 0.10 por unidad.
En general, cuanto mayor es el transformador menores son sus impedancias en serie. La reactancia de magnetización normalmente está entre 10 y 40 por unidad, en tanto que la resistencia de pérdidas en el núcleo por lo regular está entre 50 y 200 por unidad.
oscarrosete.com
Fundamento teórico
Debido a que los valores por unidad dan una forma conveniente y significativa para comparar las características de los transformadores cuando son de diferentes tamaños, las impedancias del transformador normalmente se dan por unidad o como un porcentaje en la placa característica del transformador
oscarrosete.com
Fundamento teórico
Text

Circuito equivalente exacto
oscarrosete.com

Pérdidas en el cobre
El efecto más sencillo de evaluar son las pérdidas en el cobre (Rp y Rs).
Efectos de la excitación en el núcleo
La derivación de excitación se modela por la resistencia Rc (histéresis y pérdidas de núcleo) en paralelo con la reactancia Xm (la corriente de magnetización)
oscarrosete.com
Ejemplo datos característicos

oscarrosete.com
Cantidades en por unidad
La resolución de circuitos que contienen transformadores puede ser muy tediosa debido a la necesidad de referir a un nivel común todos los distintos niveles de voltaje en los diferentes extremos de los transformadores del sistema.
Únicamente después de ejecutar este paso se puede resolver el sistema en cuanto a sus corrientes y voltajes.
Calculo de Icarga

oscarrosete.com
Cantidades en por unidad
Hay otra manera de resolver circuitos que contienen transformadores, lo cual elimina la necesidad de las conversiones explícitas de los niveles de voltaje en cada transformador del sistema.
Las conversiones necesarias se realizan automáticamente por el método en sí, sin que el usuario se preocupe por las transformaciones de la impedancia.
oscarrosete.com
Cantidades en por unidad
Debido a que es posible evitar estas transformaciones de la impedancia, se pueden resolver fácilmente los circuitos que contienen varios transformadores con un menor margen de error.
Este método de cálculo se conoce como sistema de medidas por unidad (pu).
oscarrosete.com
Cantidades en por unidad
En el sistema por unidad no se mide a los voltajes, corrientes, potencias, impedancias y otras cantidades eléctricas en las unidades tradicionales del SI (volts, amperes, watts, ohms, etc.).
En cambio, se mide cada cantidad eléctrica como una fracción decimal de un nivel base. Cualquier cantidad se puede expresar en una base por unidad con la siguiente ecuación

Monofásico

oscarrosete.com
Cantidades en por unidad

En la figura se muestra un sistema de potencia simple que contiene un generador de 480 V que está conectado a un transformador elevador ideal de 1:10, a una línea de transmisión, a un transformador reductor ideal de 20:1 y a una carga. La impedancia de la línea de transmisión es de 20+j60 y la impedancia de la carga es de 10 ∠ 30° V.
Calcular la corriente en la carga
Los valores base de este sistema son 480 V y 10 kVA en el generador.
oscarrosete.com
Cantidades en por unidad
oscarrosete.com
Cantidades en por unidad






oscarrosete.com
Cantidades en por unidad




oscarrosete.com
Cantidades en por unidad




Rcarga=8.66 ohms
I=23.71 A
oscarrosete.com
Cantidades en por unidad

oscarrosete.com
Cantidades en por unidad
Actividad Asíncrona
Lectura hasta página 28
https://elibro.net/es/ereader/cetys/73537?page=20
Revisar siguiente presentación
https://slides.com/oscarrosete/potencia-semana2
Ver los siguientes videos
oscarrosete.com
Actividad individual
Ejercicio 1
La coriente base y el voltaje base de un sistema de 400 kV son seleccionados como 2000A y 250 kV.
- Determine el voltaje por unidad y la impedancia base del sistema.
- Calcule la corriente en por unidad si el sistema es de 1200 MVA nominales.
oscarrosete.com
oscarrosete.com
Actividad individual
Ejercicio 2
Un transformador de 10 kVA, 1000/250 V puede ser representado aproximadamente por una reactancia de 5 ohms en el lado del bajo voltaje (secundario) considerando los valores nominales como cantidades base, expresa la reactancia del transformador como una cantidad por unidad.
Nota: Este ejercicio fue resuelto por el profesor, resolver mismo ejercicio en términos del lado de alto voltaje.
oscarrosete.com
Entrega en Google Classroom Individual
Utilizando como referencia los sistemas de potencia eléctrica, generación, transmisión y distribución y sus componentes usuales
- Representación en diagrama unifilar
- Circuito eléctrico equivalente
Deberá prepararse para explicación en la siguiente clase.
oscarrosete.com
Actividad individual

oscarrosete.com
Importancia por unidad en análisis de sistemas
-
Cálculos más sencillos.
-
Comparación de maquinaría bajo una misma base.
-
Eliminación de múltiples niveles de voltaje en el análisis de sistemas de potencia.
oscarrosete.com
Cálculos más sencillos
Una máquina de corriente directa con voltaje y corriente nominal de 200 V y 100 A tiene una resistencia de armadura de 0.1 Ω y una resistencia de circuito de campo de 0.15 Ω.
Calcular la pérdida eléctrica generada.
Eliminar múltiples niveles de voltajes 1
Un transformador monofásico de 2.5kVA y 110/440 V, su reactancia de fuga medida desde el lado de bajo voltaje es de 0.06 Ω.
Determine la reactancia en por unidad.
oscarrosete.com
Eliminar múltiples niveles de voltajes 1
Eliminar múltiples niveles de voltajes 1
Una carga monofásica de 80 kW es alimentada por un transformador de 100 kVA y 11 kV/415 V a través de lineas de transmisión de 808 metros que tiene una impedancia de (0.2+j0.8)Ohms/km.
Si el f.p de la carga es de 0.9 calcule la impedancia p.u de la carga y de las lineas de transmisión.
oscarrosete.com
Análisis de sistemas de potencia
Eliminar múltiples niveles de voltajes 1
Una seccion de un sistema de potencia electrica consiste de dos generadores en una conexion paralelo a un transformador elevador que los une a una linea de transmision de 132 kV como se muestra en la figura.
Cambio de base

oscarrosete.com
Los datos nominales son
Generador G1: 40MVA, 15% reactancia
Generador G2: 25MVA, 12% reactancia
Transformador: 75MVA, 10% reactancia
Linea de transmision: (10+j80) a 132 kV
Donde las reactancias porcentuales se calculan con base en los datos nominales de cada componente.
Exprese las reactancias e impedancias en porcentaje con respecto a 75MVA.
Eliminar múltiples niveles de voltajes 1
En un documento de word incluir una explicación de los siguientes temas:
- Reactancia síncrona en un generador
- Pérdidas asociadas a los motores y generadores de cd
- Pérdidas asociadas a los motores y generadores generadores de ca
- Pérdidas asociadas a los transformadores
- Calculo de parámetros base y por unidad en sistemas trifásicos
oscarrosete.com
Investigación previa

Eliminar múltiples niveles de voltajes 1
Una carga trifásica de 80 kW es alimentada por un transformador de 100 kVA y 11 kV/415 V a través de lineas de transmisión de 808 metros que tiene una impedancia de (0.2+j0.8)Ohms/km.
Si el f.p de la carga es de 0.9 calcule la impedancia p.u de la carga y de las lineas de transmisión.
oscarrosete.com
Análisis de sistemas de potencia
¿Qué sucede si es trifásico?
Resolver de tarea

oscarrosete.com
Cantidades en por unidad
Eliminar múltiples niveles de voltajes 1
Para el sistema mostrado en la figura, dibuje un diagrama de impedancia en por unidad seleccionando 100 kVA y 2400 V como las cantidades base
oscarrosete.com
Cambio de base y diagrama de impedancia

Eliminar múltiples niveles de voltajes 1
Considere el circuito monofásico mostrado en la figura. Los transformadores tienen los siguientes datos nominales:
X-Y 15 MVA, 13.8/138 kV, reactancia de fuga 10%
Y-Z 15 MVA, 138/69 kV, reactancia de fuga 8%
oscarrosete.com
Cambio de base y diagrama de impedancia
Tomando como base para el circuito Y los valores 15 MVA, 138 kv.
Determine la impedancia por unidad de la carga resistiva de 500 ohms en el circuito Z, referido a los circuitos Z,Y,X.
Dibuje el diagrama de impedancia


Eliminar múltiples niveles de voltajes 1
Considere el siguiente sistema de potencia eléctrica
oscarrosete.com
Cambio de base y diagrama de impedancia
Tomando como base para la zona media los valores 30MVA y 66kV
Dibuje el diagrama de reactancia utilizando cantidades por unidad.

oscarrosete.com

oscarrosete.com
oscarrosete.com

oscarrosete.com
Agenda
2.1. Potencia instantánea
2.2. Potencia activa o real
2.3. Potencia reactiva
2.4. Definición de carga y fuente reactivas
2.5. Capacitor y potencia reactiva
Unidad 2: Potencia real, activa y aparente
oscarrosete.com

oscarrosete.com
2.6. Distinción entre potencia activa y potencia Reactiva
2.7. Cargas activa y reactiva combinadas: potencia aparente
2.8. Relación entre P, Q y S
2.9. Factor de potencia
2.10. Triángulo de potencia
Unidad 2: Potencia real, activa y aparente
Agenda
oscarrosete.com

oscarrosete.com

Agenda
oscarrosete.com

oscarrosete.com
Potencia activa, reactiva y aparente en circuitos trifásicos
La relación entre potencia activa P, potencia reactiva Q y potencia aparente S es la misma en circuitos trifásicos balanceados que en circuitos monofásicos. Por consiguiente, tenemos:


oscarrosete.com

oscarrosete.com
Potencia transmitida por una línea trifásica
La potencia aparente suministrada por una línea monofásica es igual al producto del voltaje de línea por la corriente de línea.
¿Qué sucede en los sistemas trifásicos?
oscarrosete.com

oscarrosete.com
Potencia transmitida por una línea trifásica
Un sistema trifásico habitual consta de tres fuentes de tensión conectadas a cargas mediante tres o cuatro conductores (o líneas de transmisión). Un sistema trifásico equivale a tres circuitos monofásicos.

oscarrosete.com

oscarrosete.com
Potencia transmitida por una línea trifásica
Las fuentes de tensión pueden conectarse en estrella o en delta y 2 secuencias posibles abc o acb.
Si las fuentes de tensión tienen la misma amplitud y frecuencia ω y están desfasadas 120º entre sí, se dice que las tensiones están balanceadas.


oscarrosete.com

oscarrosete.com
Potencia transmitida por una línea trifásica
Las fuentes de tensión pueden conectarse en estrella o en delta y 2 secuencias posibles abc o acb.
Si las fuentes de tensión tienen la misma amplitud y frecuencia ω y están desfasadas 120º entre sí, se dice que las tensiones están balanceadas.
oscarrosete.com

oscarrosete.com
Potencia transmitida por una línea trifásica
Una carga balanceada es aquella en la que las impedancias de las fases son iguales en magnitud y en fase.
Una carga trifásica puede conectarse en estrella o en delta, dependiendo de la aplicación final.

oscarrosete.com

oscarrosete.com
Potencia transmitida por una línea trifásica
Puesto que tanto la fuente trifásica como la carga trifásica pueden conectarse ya sea en estrella o en delta, se tienen cuatro conexiones posibles:
1.Conexión estrella-estrella
2.Conexión estrella-delta.
3.Conexión delta-delta.
4.Conexión delta-estrella.

oscarrosete.com
oscarrosete.com
Potencia transmitida por una línea trifásica
De acuerdo con la carga conectada en Y de la figura, la potencia suministrada a las 3 ramas es:


oscarrosete.com

oscarrosete.com
Potencia transmitida por una línea trifásica
De acuerdo con la carga conectada en Δ de la figura, la potencia suministrada a las 3 ramas es:


oscarrosete.com

oscarrosete.com
Potencia transmitida por una línea trifásica
Un motor trifásico, conectado a una línea de 440 V, absorbe una corriente de línea de 5A. Si el factor de potencia del motor es de 80 por ciento, calcule lo siguiente:
La potencia aparente total, la potencia activa total.
La potencia reactiva total absorbida por la máquina.
oscarrosete.com

oscarrosete.com
Potencia transmitida por una línea trifásica
Tres resistores idénticos que disipan una potencia total de 3000 W están conectados en Y a través de una línea trifásica de 550 V.
Calcule
La corriente de cada línea, el valor de cada resistor.

oscarrosete.com
oscarrosete.com
Ejercicio de tarea
En el circuito de la figura, calcule lo siguiente:
a) La corriente de cada línea
b) El voltaje a través de las terminales del inductor.


oscarrosete.com
oscarrosete.com
Ejercicio de tarea
Un calentador trifásico disipa 15 kW cuando se conecta a una línea trifásica de 208 V.
- ¿Cuál es la corriente de línea si los resistores están conectados en Y?
- ¿Cuál es la corriente de línea si los resistores están conectados en delta?
- Si se sabe que los resistores están conectados en Y, calcule la resistencia de cada uno.

oscarrosete.com
oscarrosete.com
Ejercicio de tarea
Un motor trifásico de 60hp absorbe 50 kW de una línea trifásica de 600 V. Si la corriente de línea es de 60 A, calcule lo siguiente:
- La potencia aparente absorbida por el motor
- la potencia reactiva absorbida por el motor
- El factor de potencia del motor.

oscarrosete.com
oscarrosete.com
Cargas Industriales
La mayoría de las veces no sabemos si una carga trifásica particular esta conectada en Y. Por ejemplo, los motores, generadores, transformadores, capacitores, etc., trifásicos a menudo solo tienen tres terminales externas, y no hay forma de saber como están hechas las conexiones internas.
En estas circunstancias, por cuestiones de facilidad de análisis se podría suponer que la conexión es en Y.

oscarrosete.com
oscarrosete.com
Cargas Industriales
No solo con cargas individuales, sino al representar una fabrica que contiene motores, lamparas, calentadores, hornos, etc.
Podríamos suponer que el centro de carga esta conectado en Y y proseguir con los cálculos usuales.

oscarrosete.com
oscarrosete.com
Ejercicio de tarea
Una planta manufacturera absorbe un total de 415 kVA de una linea trifásica (linea a linea) de 2400 V. Si el factor de potencia de la planta es de 87.5 por ciento retrasado, calcule lo siguiente:
- La impedancia de la planta, por fase.
- El angulo de fase entre el voltaje de linea a neutro y la corriente de linea
- El diagrama fasorial completo de la planta.

oscarrosete.com
oscarrosete.com
Ejercicio de tarea


oscarrosete.com
oscarrosete.com
Ejemplo ilustrativo
Un motor de 5000 hp conectado en Y esta conectado a una linea trifasica (linea a linea) de 4000 V y 60 Hz.
Un banco capacitores conectado en delta con capacidad de 1800 kVAR también esta conectado a la linea. Si el motor produce 3594 hp con una eficiencia de 93 por ciente y un factor de potencia de 90 por ciento (retrasado), calcule lo siguiente:

oscarrosete.com
oscarrosete.com
- La potencia activa absorbida por el motor
- La potencia reactiva absorbida por el motor
- La potencia reactiva suministrada por la linea de transmisión
- La potencia aparante suministrada por la linea de transmisión.
- La corriente en la linea de transmisión
- La corriente de linea del motor
- Trace el diagrama fasorial completo de una fase.

Ejemplo ilustrativo
oscarrosete.com
oscarrosete.com
Sesión de trabajo asistida
Resolver y simular en clase los siguientes ejercicios
Tres resistores de 15 ohms y tres reactores de 8 ohms están conectados como se muestra en la figura.
Si el voltaje de linea es de 530 V, calcule lo siguiente:
- Potencia activa, reactiva y aparente suministrada a la carga trifasica
- El voltaje a través de cada resistor.

oscarrosete.com
oscarrosete.com
Sesión de trabajo asistida
Resolver y simular en clase los siguientes ejercicios
Tres resistores estan conectados en delta. Si el voltaje de linea es de 13.2 kV y la corriente de linea de 1202 A, calcule lo siguiente:
- La corriente en cada resistor
- la potencia suministrada a cada resistor
- la potencia suministrada a la carga trifásica
- el valor óhmico de cada resistor
oscarrosete.com

oscarrosete.com
Agenda
Unidad I. Fundamentos básicos
1.6 Unidades comúnmente utilizadas
1.7 Tablas de conversión y su uso
1.8 El sistema de medición por unidad
1.9 Sistema por unidad con una base
1.10 Conversión a diferentes sistemas de unidades
oscarrosete.com
oscarrosete.com
Aplicación a sistemas trifásicos
Resolver los siguientes ejercicios
Ejemplo 1
Un transformador trifásico Y-delta de 1500kVA, 33/6.6 kV tiene una resistencia de fuga de 10 ohms en el primario y una de 2 ohms en el secundario por fase.
Calcule la reactancia del transformador en pu.
oscarrosete.com
oscarrosete.com
Cambio de base
Ejemplo 2
Un generador de 120 MVA, 19.5 kV, tiene una reactancia de 0.15 pu y esta conectado a una linea de transmisión a traves de un transformador con 150 MVA nominales y 18/230 kV Delta-Y con X=0.1 pu
- Calcular la reactancia por unidad tomando los datos del generador como valores base
- Calcular reactancia p.u con transformador como valores base
- Reactancia p.u. con 100MVA y 220 kV en el lado de alto voltaje del transformador.
oscarrosete.com
oscarrosete.com
Un alternador trifásico de 250 MVA, 11kV tiene una reactancia subtransitoria de 15%.
El generador alimenta tres motores síncronos a través de una linea de transmisión de 25 kM con transformadores en ambos extremos.
El transformador T1 está fabricado con tres transformadores monofásicos idénticos, T2 es un transformador trifásico.

Diagrama de reactancia
Ejemplo 3
oscarrosete.com
oscarrosete.com
Dibuje el diagrama de reactancia con todas las reactancias marcadas en p.u. tomando los datos nominales del generador como valores base.

Ejemplo 3
Diagrama de reactancia
oscarrosete.com
oscarrosete.com
Un diagrama unifilar de un sistema trifásico se muestra en la figura, seleccionando una base de 150 MVA y 33 kV. Dibuje un diagrama de impedancia con todas las impedancias incluyendo la impedancia de carga en valores por unidad.
Los datos nominales de cada dispositivo son los siguientes:
Ejercicio estudiante 1


oscarrosete.com
oscarrosete.com
Generador: 80 MVA, 22kV, X=0.2 p.u
Transformador 1: 100 MVA, 22/110 kV, X=0.1 p.u
Transformador 2: 80 MVA, 22/66 kV, X=0.15 p.u
Trandformador 3: 80 MVA, 110/6.6, x=0.125 p.u.
Transformador 4: 90 MVA, 66/6.6 , X=0.2 p.u
Motor: 40 MVA, 6.6 kV, X=0.175 p.u.
Una carga trifasica de 40 MVA con un f.p. de 0.85 y 6kV esta conectada al bus 2.
La línea 1 y la línea 2 tienen una reactancia de 40 ohms y 60 ohms respectivamente.
Ejercicio estudiante 1


oscarrosete.com
oscarrosete.com
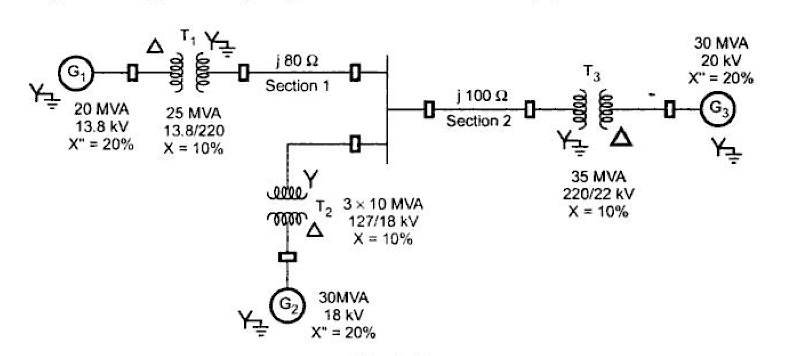
Dibuje el diagrama de reactancia utilizando una cantidad base de 50MVA y 13.8 kV en el generador G1 para el siguiente diagrama unifilar
Ejercicio estudiante 1


Formulario de referencia
oscarrosete.com


Formulario de referencia
oscarrosete.com
oscarrosete.com

Formulario de referencia
oscarrosete.com
Copy of Potencia Electrica Unidad 2
By oscar_rosete
Copy of Potencia Electrica Unidad 2
- 791