數位電路&CPU
計算機概論[1]
講師:溫室蔡、乘一
電腦簡史
「computer」
原指「從事計算的人」
電腦被發明的目的
就是為了用來處理大量的計算
電腦簡史
19 世紀初:巴貝奇的差分機
19 世紀末:何樂禮的打孔製表機
二戰:破解德軍密碼的巨像電腦
戰後:計算火炮彈道的 ENIAC
關鍵元件
要控制電子電路只能靠「開關」
要自動化得靠「能被其他電路控制的開關」
於是就發展出了:
繼電器
真空管
電晶體



邏輯閘
現代電腦以電晶體為基礎
進一步構成了可處理二元輸入/輸出的邏輯閘

邏輯閘
數學上而言,只用 NOT 跟 AND


就能做出剩下的所有邏輯閘
NOT 閘
AND 閘
邏輯閘
就可以開始設計用來進行數學運算的電路了
有了這些邏輯閘之後
但在那之前…
如何表示數字
我們則將其定義為 1 跟 0
並以「二進制」來表示數字
數位電路中只存在「開」跟「關」
8 4 2 1
1 1 0 1
如何表示數字
8 4 2 1
1 1 0 1
8×1 + 4×1 + 2×0 + 1×1 = 13
8 4 2 1
1 1 0 1
那負數呢?
如果我們要表示負數
我們會把最高位的值改成負的
-8 4 2 1
1 1 0 1
那負數呢?
如果我們要表示負數
我們會把最高位的值改成負的
-8×1 + 4×1 + 2×0 + 1×1 = -3
這樣的好處是負數可以直接數到正數
加法器
二進制的加法有如下的真值表:
| 輸入 A | 輸入 B | 總和 | 進位 |
|---|---|---|---|
| 0 | 0 | 0 | 0 |
| 0 | 1 | 1 | 0 |
| 1 | 0 | 1 | 0 |
| 1 | 1 | 0 | 1 |
如何用邏輯閘做出來?
加法器
二進制的加法有如下的真值表:
| 輸入 A | 輸入 B | 總和 | 進位 |
|---|---|---|---|
| 0 | 0 | 0 | 0 |
| 0 | 1 | 1 | 0 |
| 1 | 0 | 1 | 0 |
| 1 | 1 | 0 | 1 |
如何用邏輯閘做出來?

XOR
加法器
二進制的加法有如下的真值表:
| 輸入 A | 輸入 B | 總和 | 進位 |
|---|---|---|---|
| 0 | 0 | 0 | 0 |
| 0 | 1 | 1 | 0 |
| 1 | 0 | 1 | 0 |
| 1 | 1 | 0 | 1 |
如何用邏輯閘做出來?

AND
加法器
於是可以像這樣做出一個「半加器」:

加法器
但實際在運算的時候,因為有進位
會需要一次把三個數字加在一起
這時可以將兩個半加器組合在一起
做出「全加器」
加法器

加法器

把 n 個全加器串連起來
就可以做出 n 位元加法器
算術邏輯單元
在 CPU 中,算術邏輯單元(ALU)
用來對兩個數字進行算術或邏輯運算

算術邏輯單元
ALU 可以用「操作碼」(opcode)
從多種運算中選擇一種執行,如:
-
加法
-
減法
-
帶進位加法
-
帶進位減法
-
AND
-
OR
-
XOR
-
變號
-
加 1
-
減 1
-
左移
-
右移
算術邏輯單元
除了輸出計算結果外
ALU 還會輸出一些「狀態」,如:
-
結果是不是零?
-
結果是不是負數?
-
結果有沒有進位?
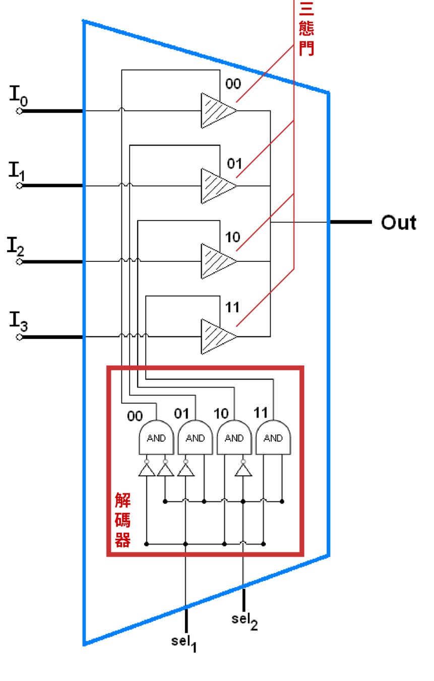
多工器

多工器(Multiplexer)
經常縮寫為 MUX
可以從多個輸入中
選擇其中一個做為輸出
可用來選擇 ALU 的操作
儲存元件
計算結果如果不能儲存就沒有意義了
因此需要建立一種在特定條件下
即使輸入改變
也不會影響輸出狀態的電路
SR 閂鎖
SR 指的是 Set 跟 Reset
它可以選擇儲存一個 1(Set)
或儲存一個 0(Reset)

門控 D 閂鎖
在 SR 閂鎖外再加入一層

控制存 1 或存 0 的「Data」(D)
以及控制是否儲存的「門控」(E)
| D | E | SR 輸入 |
|---|---|---|
| X | 0 | 無 |
| 0 | 1 | Reset |
| 1 | 1 | Set |
無窮迴圈
如果把 D 閂鎖儲存的值拿去做運算
再試圖將結果存回 D 閂鎖
會導致無窮迴圈
這時就需要引入「時脈」與「正反器」
D 正反器
可以將兩個 D 閂鎖如下結合

神奇地,現在只有在時脈輸入由 0 轉 1 時
資料才會更新
暫存器
為 D 正反器加上門控後

就得到了 CPU 中最重要的暫存器
隨機存取記憶體
就像加法器一樣
暫存器也可以串聯來儲存 n 位元的數字
但更重要的是
如果將大量的 n 位元暫存器排成矩陣
再用另一條輸入決定要存取的暫存器
就做出了隨機存取記憶體(RAM)
馮紐曼架構
CPU 負責控制其他元件進行運算
記憶體則負責儲存程式與其資料
兩者之間透過匯流排(Bus)溝通
這是現今多數電腦的架構
稱為「馮紐曼架構」
(Von Neumann architecture)
馮紐曼架構

匯流排
CPU 中的多個元件要相互溝通
讀取或寫入彼此的資料
為避免線路複雜
所有的元件共用同一條線路
稱為匯流排(Bus)
匯流排

控制單元
控制單元(Control unit)
負責根據讀取到的指令
與指令執行的階段
決定哪個元件可以輸出資料到匯流排上
並要寫入至哪個元件
本日課程結束
以上是對 CPU 中數位電路的基本介紹
至於你用程式語言寫出來的程式
是如何被編譯並被 CPU 執行
則是下一堂課的內容!
計算機概論 - CPU
By ck1100762蔡政廷
計算機概論 - CPU
- 429