Circuitos Eléctricos
Unidad I: Análisis de corriente alterna y Sistemas trifásicos
Ing. Oscar Alonso Rosete Beas
Semana 9 Agosto Rev:3 ciclo 2021-2

oscarrosete.com
1.1 Análisis de potencia de ca
1.1.1 Potencia instantánea y promedio
1.1.2 Máxima transferencia de potencia promedio
1.1.3 Valor eficaz o rms
1.1.4 Potencia aparente y factor de potencia
1.1.5 Potencia compleja
1.1.6 Conservación de la potencia de ca
1.1.7 Corrección del factor de potencia
Unidad I: Análisis de corriente alterna y Sistemas trifásicos
oscarrosete.com
Agenda
oscarrosete.com
Unidad 1
Introducción a la materia
Horas de Clase Asistidas: 64 (4/semana)
Horas de laboratorio: 32 (2/semana)
Horas de Clase Independientes: 32 (2/semana)
Horario:
Martes 17:00-19:00
Miercoles y Viernes 19:00-21:00
Salón: ----
DATOS DEL DOCENTE
Nombre: Oscar Alonso Rosete Beas
E-mail: oscar.rosete@cetys.mx
oscarrosete.com
PROPÓSITO DEL CURSO
La finalidad de este curso es generar el conocimiento en los participantes sobre la aplicación del análisis de circuitos en corriente alterna, en sistemas trifásicos así como en los filtros pasivos y en los activos.
Durante el curso se estudiará:
-
Circuitos acoplados magnéticamente
-
Circuitos de primer orden
-
Circuitos trifásicos
-
Filtros
oscarrosete.com

Introducción a la materia
Las actividades que se realicen dentro del aula serán dirigidas por el profesor y otras serán de carácter independiente para ser realizadas por los alumnos fuera del aula.
Las formas genéricas de actividades de aprendizaje que serán realizadas por los alumnos son:
- Trabajo colaborativo dentro del aula para analizar y debatir sobre los contenidos y bajo la dirección del profesor.
- Exposición de contenidos por parte del profesor y alumnos
- Aprendizaje basado en proyectos de aplicación por equipos o individuales.
oscarrosete.com
EVIDENCIAS DE DESEMPEÑO
- Reportes de análisis y resolución de casos de estudio y ejercicios de aplicación.
- Reportes de lectura y reportes de investigación donde se identifiquen las principales tecnologías relacionadas a los sistemas electromecánicos para aplicaciones industriales.
-
Elaboración de prototipos/ simulaciones.
- Presentaciones en clase.
- Prácticas de laboratorio*
- Proyecto final integrador en donde se apliquen las herramientas vistas durante el curso.
- Exámenes teóricos/prácticos a lo largo del curso.
oscarrosete.com
Contenido temático
1.1 Análisis de potencia de ca
1.1.1 Potencia instantánea y promedio
1.1.2 Máxima transferencia de potencia promedio
1.1.3 Valor eficaz o rms
1.1.4 Potencia aparente y factor de potencia
1.1.5 Potencia compleja
1.1.6 Conservación de la potencia de ca
1.1.7 Corrección del factor de potencia
Unidad I: Análisis de corriente alterna y Sistemas trifásicos
oscarrosete.com
Contenido temático
1.2 Circuitos trifásicos
1.2.1 Tensiones trifásicas balanceadas
1.2.2 Conexión estrella-estrella balanceada
1.2.3 Conexión estrella-delta balanceada
1.2.4 Conexión delta-delta balanceada
1.2.5 Conexión delta-estrella balanceada
1.2.6 Potencia en un sistema balanceado
1.2.7 Sistemas trifásicos desbalanceados
Unidad I: Análisis de corriente alterna y Sistemas trifásicos
oscarrosete.com
Contenido temático
2.1 Circuitos magnéticamente acoplados
2.1.1 Inductancia mutua
2.1.2 Energía en un circuito acoplado
2.2.3 Transformadores lineales
2.2.4 Transformadores ideales
2.2.5 Autotransformadores ideales
2.2.6 Transformadores trifásicos
Unidad 2: Métodos de análisis en corriente directa.
oscarrosete.com
Contenido temático
2.2 Circuitos de primer orden
2.2.1 Circuito RC sin fuente
2.2.2 Circuito RL sin fuente
2.2.3 Funciones singulares
2.2.4 Respuesta escalón de un circuito RC
2.2.5 Respuesta escalón de un circuito RL
2.2.6 Circuitos de primer orden con amplificadores operacionales
Unidad 2: Métodos de análisis en corriente directa.
oscarrosete.com
Contenido temático
3.1 Respuestas en frecuencia
3.1.1 Función de transferencia
3.1.2 La escala de decibeles
3.1.3 Diagramas de Bode
3.1.4 Resonancia en serie
3.1.5 Resonancia en paralelo
Unidad 3: Análisis de circuitos en corriente alterna.
oscarrosete.com
Contenido temático
3.1 Respuestas en frecuencia
3.1.6 Filtros pasivos
3.1.6.1 Filtro pasabajas
3.1.6.2 Filtro pasaaltas
3.1.6.3 Filtro pasabanda
3.1.6.4 Filtro rechazabanda
3.1.7 Filtros activos
3.1.8 Filtro pasabajas de primer orden
3.1.9 Filtro pasaaltas de primer orden
3.1.10 Filtro pasabanda
3.1.11 Filtro rechazabanda
Unidad 3: Análisis de circuitos en corriente alterna.
oscarrosete.com
POLÍTICAS ENTREGAS
- Existe tolerancia de 5 minutos de llegada tardía, a partir de los cuales se tomará asistencia.
- Las fechas de entrega y presentación para exámenes parciales, tareas, exposiciones, prácticas y trabajo final son Inamovibles.
- No se aceptarán entregas de exámenes fuera de la fecha y hora establecida y la calificación de una falta de entrega o entrega extemporánea es cero.
oscarrosete.com
- Se aceptarán entregas de tareas/prácticas fuera de las fechas y horas establecidas (calificación de falta de entrega es cero).
- Penalización 10%/ día en tareas
- Penalización 10%/ semana en práctica.
- Todas las entregas deberán realizarse por medio definido en clase, de acuerdo a las indicaciones dadas (blackboard y pdf generalmente).
POLÍTICAS ENTREGAS
oscarrosete.com
POLÍTICAS MATERIAL
- El material para trabajar en clase, descripción de tareas y temas para exposición, así como cualquier material de apoyo estará disponible a través del Blackboard o el sitio web y este será actualizado periódicamente.
- Es responsabilidad de cada estudiante traer a la sesión de clase el material que indique el maestro, incluyendo exposiciones y tareas.
oscarrosete.com
POLÍTICAS PRESENTACIONES
- Preparar una presentación formal e interactiva que presente al grupo el tema correspondiente (Prezi, PowerPoint, Google Slides, otro).
- Preparar un reporte escrito de los puntos más relevantes de la presentación, así como las referencias consultadas.
- Subir en la actividad correspondiente en Blackboard la presentación y el reporte escrito.
- Es necesario estar presente en las actividades de exposición, de lo contrario la calificación para la exposición es cero.
oscarrosete.com
Introducción a la materia
Bibliografía
Alexander, C. K. (2006). Fundamentos de circuitos eléctricos. México: McGraw Hill.
Boylestad, R. L. (2011). Introducción al análisis de circuitos. México: Pearson.
Fraile, J. M. (2012). Circuitos Eléctricos.
España: Pearson Educación.
oscarrosete.com


Software:
NI MultisimLive (Crear cuenta)
MATLAB*
Herramientas digitales:
Blackboard, Google suite, recursos microsoft, portafolio electronico, bases de datos.
oscarrosete.com
Introducción a la materia
| Concepto | Descripción | Ponderación |
|---|---|---|
| Formación: Actitudes y valores | Actitud en actividades individuales y en equipo relacionadas a la clase | 10% |
| Tareas/Exposiciones grupales | Resolución de ejemplos típicos, solución de problemas en tareas individuales y en equipo. Exposiciones de acuerdo a temáticas asignadas. |
25% |
| Pruebas objetivas (2) | Pruebas objetivas en forma de exámenes parciales y/o finales | 15% |
| Actividades de clase | Desarrollo exitoso y elaboración de actividades de clase | 20% |
| Prácticas de Laboratorio | Desarrollo exitoso y elaboración de actividades de prácticas de laboratorio. | 15% |
| Proyecto FInal | Desarrollo y presentaciones profesionales de los proyectos | 15% |
oscarrosete.com
Introducción a la materia
Información de referencia
Profesor:
Ing. Oscar Alonso Rosete Beas
E-Mail:
oscar.rosete@cetys.mx
Pagina de facebook:
https://www.facebook.com/oscararosete
Sitio web:
https://oscarrosete.com/
oscarrosete.com
Contacto preferente para dudas

Asesorías: WhatsApp 686 264 5073
oscarrosete.com
Proyecto final:
Desarrollar un proyecto de innovación a nivel experimental de tecnología utilizando circuitos eléctricos, donde el alumno proponga la solución de un problema planteado mediante el desarrollo de un proceso para la implementación de la solución y la realización de pruebas de factibilidad y utilidad de un sistema.
oscarrosete.com

Introducción a la materia
- Formación de equipos para presentaciones y proyectos (2-3 integrantes)
- Registro en grupo de Facebook
oscarrosete.com

oscarrosete.com
Diagnóstico Circuitos Eléctricos II
Agenda
1.1 Análisis de potencia de ca
1.1.1 Potencia instantánea y promedio
1.1.2 Máxima transferencia de potencia promedio
1.1.3 Valor eficaz o rms
1.1.4 Potencia aparente y factor de potencia
1.1.5 Potencia compleja
1.1.6 Conservación de la potencia de ca
1.1.7 Corrección del factor de potencia
Unidad I: Análisis de corriente alterna y Sistemas trifásicos
oscarrosete.com
Agenda
-
El estudiante conocerá los diferentes elementos del análisis de potencia en corriente alterna así como el análisis de los sistemas trifásicos en conexión delta o estrella.
-
El estudiante analizará las diferentes configuraciones de las cargas de los sistemas trifásicos.
-
El estudiante será capaz de comprender el funcionamiento de los elementos que forman los circuitos mediante el trabajo en el laboratorio.
Objetivos
oscarrosete.com
Examen Diagnóstico
-
Carga, corriente, voltaje y sus unidades
-
Potencia y su unidad
-
Inductor, capacitor, resistencia e Impedancia
-
Frecuencia y su unidad
-
Corriente alterna
-
Monofásico, Trifásico
-
Red lineal pasiva
-
Amplitud de señal, voltaje pico, voltaje pico-pico, voltaje medio, adelanto de señal, retraso de señal.
Definiciones
oscarrosete.com
Examen Diagnóstico
Resolver la siguiente integral
oscarrosete.com

Examen Diagnóstico
Obtener la corriente en el siguiente circuito:
oscarrosete.com

Examen Diagnóstico
Obtener las corrientes I1 e I2 en el siguiente circuito:
oscarrosete.com

Introducción a la corriente alterna
Carga es una propiedad eléctrica de las partículas atómicas de las que se compone la materia, medida en coulombs (C).
Cada átomo consta de electrones, protones y neutrones.
Carga eléctrica
oscarrosete.com

Introducción a la corriente alterna
Cuando un alambre conductor (integrado por varios átomos) se conecta a una batería (una fuente de fuerza electromotriz), las cargas son obligadas a moverse; las cargas positivas se mueven en una dirección, mientras que las cargas negativas se mueven en la dirección opuesta. Este movimiento de cargas crea corriente eléctrica. Por convención se considera al flujo de corriente como el movimiento de cargas positivas.
Flujo de la carga eléctrica
oscarrosete.com

Introducción a la corriente alterna
Corriente eléctrica es la velocidad de cambio de la carga respecto al tiempo, medida en amperes (A).
Se seguirá la convención universalmente aceptada de que la corriente es el flujo neto de cargas positivas
Corriente eléctrica
oscarrosete.com

Introducción a la corriente alterna
Matemáticamente, la relación entre la corriente i, la carga q y el tiempo t es:
Donde la corriente se mide en amperes(A), y
1 ampere=1 coulomb/segundo
Corriente eléctrica
oscarrosete.com

Introducción a la corriente alterna
Para mover el electrón en un conductor en una dirección particular es necesario realizar algo de trabajo o transferir energía.
Este trabajo lo lleva a cabo una fuerza electromotriz externa (fem), habitualmente representada por una batería
Tensión/diferencia de potencial
oscarrosete.com
Introducción a la corriente alterna
Es la energía requerida para mover una carga unitaria a través de un elemento, medida en volts (V).
Tensión/diferencia de potencial
oscarrosete.com



Introducción a la corriente alterna
Analogía con la hidráulica
oscarrosete.com
Introducción a la corriente alterna
Para efectos prácticos, se necesita saber cuánta potencia puede manejar un dispositivo eléctrico. Sabemos por experiencia que un foco de 100 watts da más luz que uno de 60 watts.
Relevancia en recibos de luz
Potencia
oscarrosete.com


Introducción a la corriente alterna
Potencia es la variación respecto del tiempo de gasto o absorción de energía, medida en watts (W).
Potencia
oscarrosete.com

Introducción a la corriente alterna
La potencia p en la ecuación es una cantidad que varía con el tiempo y se llama potencia instantánea
Potencia
oscarrosete.com

Introducción a la corriente alterna
Si la potencia tiene signo + , se está suministrando o la está absorbiendo el elemento. Si, por el contrario, tiene signo - , está siendo suministrada por el elemento.
Potencia
oscarrosete.com

Introducción a la corriente alterna
La ley de conservación de la energía debe cumplirse en cualquier circuito
Potencia
oscarrosete.com


Incandescent bulb vs energy efficient
500 lumens, 40 watts,$9.99
650 lumens, 8 watts,$13.99
¿Cuál es el consumo de energía eléctrica?
Potencia
oscarrosete.com

Incandescent bulb vs energy efficient
Potencia
oscarrosete.com
500 lumens, 40 watts,$9.99
650 lumens, 8 watts,$13.99
¿Cuál es el consumo de energía eléctrica?
Incandescent bulb vs energy efficient
oscarrosete.com
Incandescent bulb vs energy efficient
Resultado
Ahorro total de $204.7284
Con tarifa 1A
Potencia
oscarrosete.com
¿A partir de que momento se paga?

Ejercicio alumno
oscarrosete.com

Ejercicios recibos de luz
oscarrosete.com

Introducción a la corriente alterna
La carga puede variar con el tiempo de diversas maneras.
Una corriente directa (cd) es una corriente que permanece constante en el tiempo.
Por convención, el símbolo I se usa para representar tal corriente constante.
Corriente directa
oscarrosete.com
Introducción a la corriente alterna


Corriente directa vs corriente alterna
oscarrosete.com
Introducción a la corriente alterna
Corriente directa vs corriente alterna
oscarrosete.com
Introducción a la corriente alterna
Corriente directa vs corriente alterna
Una corriente que varía con el tiempo se representa con el símbolo i.
Una forma común de corriente que varía con el tiempo es la corriente senoidal o corriente alterna (ca).
Una corriente alterna (ca) es una corriente que varía senoidalmente con el tiempo.
oscarrosete.com

Introducción a la corriente alterna


Corriente directa vs corriente alterna
Esta corriente se emplea en los hogares, para accionar el acondicionador de aire, refrigerador, lavadora y otros aparatos eléctricos.
oscarrosete.com
Introducción a la corriente alterna


Corriente directa vs corriente alterna
Nikola Tesla (1856-1943) y George Westinghouse (1846-1914) contribuyeron a establecer la corriente alterna como el modo primario de la transmisión y distribución de electricidad.
oscarrosete.com
Introducción a la corriente alterna
Tensión de cd y tensión de ca
Al igual que en el caso de la corriente eléctrica, a una tensión constante se le llama tensión de cd y se le representa como V, mientras que a una tensión que varía senoidalmente con el tiempo se le llama tensión de ca y se le representa como v.
oscarrosete.com
Introducción a la corriente alterna

Tensión de cd y tensión de ca
Una tensión de cd la produce comúnmente una batería; una tensión de ca la produce un generador eléctrico.
oscarrosete.com
Introducción a la corriente alterna


Senoides
Una corriente senoidal se conoce usualmente como corriente alterna (ca) y es producida por la excitación senoidal variable con respecto al tiempo o simplemente por una senoide. Esta corriente se invierte a intervalos regulares y tiene valores alternadamente positivo y negativo.
Los circuitos excitados por fuentes de corriente o tensión senoidal se llaman circuitos de ca.
oscarrosete.com
Introducción a la corriente alterna

oscarrosete.com
Introducción a la corriente alterna
Senoides
Una senoide es una señal que tiene la forma de la función seno o coseno.
oscarrosete.com

Introducción a la corriente alterna
oscarrosete.com
Introducción a la corriente alterna
Función periódica
Una función periódica es aquella que satisface f (t)=f (t+nT) para cualquier t y para cualquier n entero(como la senoide).
En otras palabras:
Una función periódica se repite a intervalos regulares y cumple siempre la siguiente propiedad:
f (t) = f (t+ T) = f (t + 2T) = f (t + 3T) = ….
Donde T es una cantidad denominada período de la onda, y es el tiempo que tarda en repetirse una fase de la misma. En unidades de Sistema Internacional, el período se mide en segundos.
oscarrosete.com

Introducción a la corriente alterna
Periodo y frecuencia
El periodo T de la función periódica es el tiempo de un ciclo completo, o el número de segundos por ciclo.
El recíproco de esta cantidad es el número de ciclos por segundo, conocido como frecuencia cíclica f de la senoide.
cíclica
oscarrosete.com
Introducción a la corriente alterna

oscarrosete.com
Introducción a la corriente alterna

oscarrosete.com
Introducción a la corriente alterna

oscarrosete.com
Introducción a la corriente alterna

oscarrosete.com
Introducción a la corriente alterna

oscarrosete.com

Introducción a la corriente alterna
oscarrosete.com
Introducción a la corriente alterna

oscarrosete.com

Introducción a la corriente alterna
oscarrosete.com
Introducción a la corriente alterna

oscarrosete.com
Introducción a la corriente alterna

oscarrosete.com
Introducción a la corriente alterna

oscarrosete.com

Introducción a la corriente alterna
oscarrosete.com
Ejercicio alumno

oscarrosete.com
Relacion voltaje-corriente alterna
Los parámetros mencionados para las ondas senoidales son utilizados para corrientes y voltajes alternos

Los voltímetros y amperímetros se utilizan para medir valores rms de la corriente o tensión.
oscarrosete.com
Relacion voltaje-corriente alterna
Los voltímetros y amperímetros se utilizan para medir valores rms de la corriente o tensión.

oscarrosete.com
Relacion voltaje-corriente alterna
Introducción
La potencia es la cantidad más relevante en sistemas de suministro de electricidad, electrónicos y de comunicación, porque tales sistemas implican la transmisión de potencia de un punto a otro.

oscarrosete.com
Relacion voltaje-corriente alterna
Introducción
La forma más común de potencia eléctrica es la potencia de CA a 50 o 60 Hz. La elección de la CA sobre la CD permitió la transmisión de potencia en alta tensión desde la planta generadora de energía al consumidor.
oscarrosete.com
Relacion voltaje-corriente alterna
Potencia Instantánea
La potencia instantánea p(t) absorbida por un elemento es el producto de la tensión instantánea v(t) en las terminales del elemento y la corriente instantánea i(t) a través de él. La potencia instantánea es la tasa en la cual un elemento absorbe energía.
La potencia instantánea es la potencia en cualquier instante
oscarrosete.com
Relacion voltaje-corriente alterna
Potencia Instantánea
oscarrosete.com
Relacion voltaje-corriente alterna
Potencia Instantánea

oscarrosete.com
Relacion voltaje-corriente alterna
Potencia Instantánea
Aplicando la identidad trigonométrica,
Componente independiente del tiempo. Su valor depende de la diferencia de fase entre la tensión y la corriente.
Función cuya frecuencia es 2ω, el doble de la frecuencia angular de la tensión o la corriente.


oscarrosete.com
Relacion voltaje-corriente alterna
Potencia Instantánea

oscarrosete.com
Potencia en la corriente alterna
Ejemplo 1:. Calcule la potencia instantánea absorbida por la red lineal pasiva de la figura si:
Potencia Instantánea

oscarrosete.com
Relacion voltaje-corriente alterna
Potencia Instantánea
Ejercicios 1: Calcule la potencia instantánea absorbida por la red lineal pasiva de la figura si (graficar las 3 señales):
v(t) = 120 cos(377t+45°)
i(t) = 10 cos(377t-10°)
Identificar la potencia absorbida en 0.1, 0.5 y 1 s.
v(t) = 120 sen(39t+28°)
i(t) = 10 cos(39t-10°)
Identificar la potencia absorbida en 0.1, 0.5 y 1 s.


oscarrosete.com
Potencia en la corriente alterna
La potencia instantánea cambia con el tiempo, por lo tanto, es difícil de medir.
El wattímetro nos permite medir la potencia pormedio.
Potencia promedio

La potencia promedio es el promedio de la potencia instantánea a lo largo de un periodo.
oscarrosete.com
Potencia en la corriente alterna
Integrando y evaluando límites
Potencia promedio
La potencia instantánea, p(t), es variable en el tiempo.
La potencia promedio P no depende del tiempo. Lo importante es la diferencia en las fases de la tensión y la corriente.


oscarrosete.com
Potencia en la corriente alterna
Potencia promedio
oscarrosete.com
Potencia en la corriente alterna
Para hallar la potencia instantánea, necesariamente debe tenerse v(t) e i(t) en el dominio del tiempo. En cambio, la potencia promedio puede hallarse cuando la tensión y la corriente se expresan en el dominio temporal, o cuando se expresan en el dominio de frecuencia.
Las formas fasoriales de v(t) e i(t) son:
Potencia promedio

¿Qué es un fasor?
oscarrosete.com
Introducción a la corriente alterna
Fasores
Se introducen para analizar circuitos con alimentación eléctrica de tipo senoidal

oscarrosete.com
Introducción a la corriente alterna
Fasores
Las senoides se expresan fácilmente en términos de fasores, un fasor es un número complejo que representa la amplitud y la fase de una senoide.


oscarrosete.com
Ejercicio alumno números complejos
Realizar las conversiones de número complejo a la representación deseada
Forma rectangular a polar
Forma polar o cis a rectangular
oscarrosete.com
Introducción a la corriente alterna

oscarrosete.com
Introducción a la corriente alterna
Identidad de euler
Re e Im significan la parte real de y la parte imaginaria respectivamente

oscarrosete.com
Introducción a la corriente alterna
Fasores
Un fasor puede considerarse como un equivalente matemático de una senoide sin la dependencia del tiempo.
V es entonces la representación fasorial de la senoide v(t)



oscarrosete.com
Diferencias v(t) y V
-
v(t) es la representación instantánea o en el dominio temporal, mientras que V es la representación de frecuencia o en el dominio fasorial. v(t) depende del tiempo, mientras que V no.
-
v(t) siempre es real y no tiene ningún término complejo, mientras que V es generalmente compleja.
-
El análisis fasorial sólo se aplica cuando la frecuencia es constante; se aplica en la manipulación de dos o más señales senoidales sólo si son de la misma frecuencia.
oscarrosete.com
Potencia en la corriente alterna
Para calcular la potencia promedio utilizando fasores, partimos de la siguiente expresión:
Potencia promedio

oscarrosete.com
Potencia en la corriente alterna
Ejemplo 1:. Calcule la potencia promedio absorbida por la red lineal pasiva de la figura si:
Potencia promedio

oscarrosete.com
Potencia en la corriente alterna
Ejemplo 2: Una corriente I = 10∟30º fluye a través de una impedancia Z = 20∟-22º Ω. Halle la potencia promedio suministrada a la impedancia.
Potencia promedio

oscarrosete.com
Potencia en la corriente alterna
Ejemplo 2: Una corriente I = 10∟30º fluye a través de una impedancia Z = 20∟-22º Ω. Halle la potencia promedio suministrada a la impedancia.
Potencia promedio

oscarrosete.com
Potencia en la corriente alterna
Ejemplo 3: En el circuito que aparece a continuación, calcule la potencia promedio absorbida por el resistor y el inductor. Halle la potencia promedio suministrada por la fuente de tensión.
Potencia promedio

oscarrosete.com
Potencia en la corriente alterna
Potencia promedio

oscarrosete.com
Potencia en la corriente alterna
Potencia promedio
Ejemplo 4: Calcule la potencia promedio absorbida por cada uno de los cinco elementos del circuito de la figura:

Potencia en la corriente alterna
Potencia promedio
Ejercicio alumno 1: Calcule la potencia promedio por cada uno de los elementos del circuito de la figura, demuestra con simulación que los voltajes y corrientes de los elementos coinciden con los cálculos:


oscarrosete.com
Potencia en la corriente alterna
Potencia instantánea
Ejercicio alumno 2: Calcule la potencia instantánea que absorbe cada elemento pasivo en el circuito de la siguiente figura, en t = 0 si vs= 20 cos(1000t + 30)V, demuestra con simulación que los voltajes y corrientes de los elementos coinciden con los cálculos:


oscarrosete.com
Sesiones previas
1.1 Análisis de potencia de ca
-
Fasores
-
Potencia Instantánea
-
Potencia Promedio
oscarrosete.com
Unidad I: Análisis de corriente alterna y Sistemas trifásicos
1.1 Análisis de potencia de ca
-
1.1.1 Potencia instantánea y promedio
-
1.1.2 Máxima transferencia de potencia promedio
-
1.1.3 Valor eficaz o rms
-
1.1.4 Potencia aparente y factor de potencia
-
1.1.5 Potencia compleja
-
1.1.6 Conservación de la potencia de ca
-
1.1.7 Corrección del factor de potencia
oscarrosete.com
Ejercicio alumnos
Potencia promedio
Calcule la potencia promedio absorbida por cada uno de las cargas del circuito de la figura:
Comprobar voltajes y corrientes calculados con simulación en Multisim Live


oscarrosete.com
Potencia en la corriente alterna
Máxima transferencia de potencia promedio en DC
En muchas situaciones prácticas, un circuito se diseña para suministrar potencia a una carga. Hay aplicaciones en áreas como comunicaciones en las que es deseable maximizar la potencia suministrada a una carga.
El equivalente de Thevenin es útil para hallar la máxima potencia que un circuito lineal puede suministrar a una carga.

oscarrosete.com
Potencia en la corriente alterna
Equivalente de Thevenin
De un circuito que no conozcamos los componentes interiores se puede representar como un equivalente más sencillo, el equivalente de thevenin.

oscarrosete.com
Potencia en la corriente alterna
Equivalente de Thevenin
El circuito equivalente es una fuente de voltaje con voltaje Vth en serie con una resistencia Rth.
El voltaje Vth es el voltaje de circuito abierto existente en las terminales del circuito original.
La resistencia Rth es la resistencia medida entre los puntos A y B al reemplazar las fuentes de voltaje y corriente por sus resistencias internas.
-
voltaje→ corto circuito
-
corriente→ circuito abierto

oscarrosete.com
Potencia en la corriente alterna
Equivalente de Thevenin
-
Circuito Original
-
Voltaje equivalente VTh
-
Resistencia equivalente RTh
-
Circuito Equivalente de Thevenin

oscarrosete.com
Potencia en la corriente alterna
Máxima transferencia de potencia promedio en DC
Si quiero averiguar cuál es la máxima potencia que le puede entregar ese circuito a una carga, conecto una carga variable a los nodos a y b (RL).
VTh y RTh son fijos.
RL es una resistencia variable (R de la carga)

oscarrosete.com
Potencia en la corriente alterna
Máxima transferencia de potencia promedio en DC

oscarrosete.com
Potencia en la corriente alterna
Máxima transferencia de potencia promedio en DC
Supóngase que se puede ajustar la resistencia de carga RL. Si el circuito entero se reemplaza por su equivalente de Thevenin exceptuando la carga,la potencia suministrada a la carga es:
VTh y RTh son fijos. RL es una resistencia variable(R de la carga)

oscarrosete.com
Potencia en la corriente alterna
Máxima transferencia de potencia promedio en DC
Para obtener la maxima potencia de una red, la resistencia de la carga debe de ser igual que la resistencia de thevenin de la red.
RL=Rth
oscarrosete.com
Potencia en la corriente alterna
Ejemplo ilustrativo

oscarrosete.com
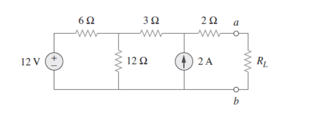
Potencia en la corriente alterna
Máxima transferencia de potencia promedio en DC
Halle el valor de RL para la máxima transferencia de potencia en el circuito de la figura, así como la máxima potencia.

oscarrosete.com
Potencia en la corriente alterna
Máxima transferencia de potencia promedio en AC


oscarrosete.com
Potencia en la corriente alterna
Máxima transferencia de potencia promedio en AC

oscarrosete.com
Potencia en la corriente alterna
Máxima transferencia de potencia promedio en AC
Este resultado se conoce como teorema de la máxima transferencia de potencia promedio para el estado estable senoidal.

oscarrosete.com

Potencia en la corriente alterna
Máxima transferencia de potencia promedio en AC
Ejemplo 1: Determine la impedancia de carga ZL que maximiza la potencia promedio del circuito mostrado. ¿Cuál es la máxima potencia promedio?

oscarrosete.com
Potencia en la corriente alterna
Máxima transferencia de potencia promedio en AC
Ejercicio alumnos: Determine la impedancia de carga ZL que maximiza la potencia promedio del circuito mostrado.
¿Cuál es la máxima potencia promedio?

oscarrosete.com

Potencia en la corriente alterna
Máxima transferencia de potencia promedio en AC
Ejercicio alumnos: Determine la impedancia de carga Z que maximiza la potencia promedio del circuito mostrado. ¿Cuál es la máxima potencia promedio?
Considere i=5cos40t A.

oscarrosete.com

oscarrosete.com
Potencia en la corriente alterna
Valor eficaz o rms
La idea del valor eficaz surge de la necesidad de medir la eficacia de una fuente de tensión o de corriente en el suministro de potencia a una carga resistiva.
El valor eficaz de una corriente periódica es la corriente de cd que suministra la misma potencia promedio a una resistencia que la corriente periódica.
oscarrosete.com
Potencia en la corriente alterna
oscarrosete.com
Potencia en la corriente alterna

oscarrosete.com
Potencia en la corriente alterna

oscarrosete.com
Potencia en la corriente alterna

oscarrosete.com
Potencia en la corriente alterna
•Cuando se especifica una tensión o corriente senoidal, a menudo se hace en términos de su valor máximo (o pico) o de su valor RMS, ya que su valor promedio es de cero.
•En análisis de potencia es conveniente expresar la tensión y la corriente en sus valores RMS.
•Los voltímetros y amperímetros analógicos están diseñados para leer en forma directa el valor RMS de la tensión y la corriente respectivamente.

oscarrosete.com
Potencia en la corriente alterna

oscarrosete.com
Potencia en la corriente alterna

oscarrosete.com
Potencia en la corriente alterna
Ejemplo 1: Calcule el valor RMS de la onda de corriente de la figura que aparece a continuación.
Si la corriente fluye a través de una resistencia de 9 Ω calcule la potencia promedio absorbida por el resistor.

oscarrosete.com
Potencia en la corriente alterna
Ejercicios alumno: Calcule el valor RMS de la onda de corriente y la onda de voltaje de las siguientes figuras que aparece a continuación.
1.Si la corriente fluye a través de una resistencia de 77Ω calcule la potencia promedio absorbida por el resistor.
2. Calcule la potencia promedio utilizando la forma de voltaje de la figura de la derecha.


oscarrosete.com
Potencia en la corriente alterna
Ejercicio alumnos: Determine la impedancia de carga Z que maximiza la potencia promedio del circuito mostrado. ¿Cuál es la máxima potencia promedio? Considere i=5cos40t A.
Simule el circuito en Multisim Live:
Encuentre el Voltaje de Thevenin
Máxima transferencia de potencia promedio en AC

oscarrosete.com
1.1.4 Potencia aparente y factor de potencia
1.1.5 Potencia compleja
Máxima transferencia de potencia promedio en AC
oscarrosete.com
Potencia en la corriente alterna
Partiendo de la expresión de potencia promedio:
Se puede escribir la siguiente fórmula:


El producto VRMS*IRMS se conoce como potencia aparente S. El factor cos(θv –θi) se llama factor de potencia (pf)
oscarrosete.com
Potencia en la corriente alterna
La potencia aparente se llama así porque aparentemente la potencia debería ser el producto tensión-corriente, por analogía con los circuitos resistivos cd. Esta potencia se mide en volt-amperes o VA para distinguirla de la potencia promedio o real, la cual se mide en watts.
oscarrosete.com
Potencia en la corriente alterna
El factor de potencia es la proporción de la potencia promedio entre la potencia aparente:

El ángulo θv – θi se llama ángulo del factor de potencia, dado que es el ángulo cuyo coseno es igual al factor de potencia.
oscarrosete.com
Potencia en la corriente alterna
El ángulo del factor de potencia es igual al ángulo de la impedancia de carga, si V es la tensión entre las terminales de la carga e I la corriente que fluye por ella.
El factor de potencia es el coseno de la diferencia de fase entre la tensión y la corriente. También es igual al coseno del ángulo de la impedancia de la carga

oscarrosete.com
Potencia en la corriente alterna
El valor del factor de potencia va de cero a la unidad.
En el caso de una carga puramente resistiva, la tensión y la corriente están en fase, de modo que θv – θi=0 y fp =1. Esto implica que la potencia aparente es igual a la potencia promedio.
oscarrosete.com
Potencia en la corriente alterna
Casos factor de potencia:
-
En el caso de una carga puramente reactiva, θv – θi = ±90º y fp =0. En esta circunstancia la potencia promedio es de cero. Entre estos dos casos extremos se dice que el factor de potencia está adelantado o atrasado.
-
Un factor de potencia adelantado(leading power factor) significa que la corriente se adelanta a la tensión, lo cual implica una carga capacitiva. (θv – θi)<0
- Un factor de potencia atrasado(lagging power factor) significa que la corriente se atrasa de la tensión, lo que implica una carga inductiva. (θv – θi)>0
oscarrosete.com
Potencia en la corriente alterna

oscarrosete.com
Ejemplo ilustrativo

oscarrosete.com
Ejercicio alumnos

oscarrosete.com
Solucion ejercicio alumnos

oscarrosete.com
Ejercicio alumnos
Determine el factor de potencia del circuito completo de la figura visto desde la fuente.
Calcule la potencia promedio suministrada por la fuente.

oscarrosete.com
Ejemplo ilustrativo
Potencia compleja
Dada la forma fasorial V del voltaje v(t) y la corriente i(t),
La potencia compleja S recibida por la carga de ca es el producto de la tensión por el complejo conjugado de la corriente


oscarrosete.com
Señales V,I,P resistencia

oscarrosete.com
Señales V,I,P inductor

oscarrosete.com
Importancia del factor de potencia
Supongamos un motor monofásico de 1kW a 230 V con un f.p. 0.6.
Se identifica potencia reactiva elevada causado por el efecto de la autoinducción de los bobinados.
Hay que pensar que la potencia reactiva no se transforma en trabajo útil en el motor simplemente sirve para generar el campo electromagnético, para luego ser devuelta al generador. Esto hace que la compañía suministradora de energía eléctrica tenga que proporcionar una potencia aparente superior a la consumida, en consecuencia, aumento de corriente por los conductores de línea y costos de las instalaciones eléctricas.

Potencia Aparente
oscarrosete.com
Importancia del factor de potencia
Potencia Aparente
La compañia distribuidora (y también el cliente) diseñan sus sistemas de transmisión y distribución según la potencia aparente y la corriente que deben suministrar.
Ya que el cliente paga por la potencia real utilizada, la compañía suministradora estimula el uso de sistemas de factores de potencia elevados(cercanos a 1).
Es más costoso suministrar una unidad de potencia cuando el f.p. es bajo.

oscarrosete.com
Ejemplo ilustrativo

En el circuito serie de la figura, el generador de tensión tiene un valor instantáneo dado por la expresión v(t). Calcular:
a) intensidad instantánea
b) potencia instantánea desarollada por el generador
c) potencia compleja entregada por el generador
d) potencia compleja de cada elemento pasivo
e)a partir de los resultados de los apartados c y d compruebese el balance de potencias en el circuito, es decir que la potencia compleja suministrada por el generador es igual a la suma de potencias complejas desarrolladas en los receptores.
oscarrosete.com
Ejercicio alumno
Dado el circuito de la figura determinar:
-
Factor de potencia entre
A y B -
Potencia aparente dada
por la fuente -
Potencia compleja por cada elemento pasivo.


oscarrosete.com
Potencia en la corriente alterna
Potencia
Calcule la potencia compleja


oscarrosete.com
Ejemplo ilustrativo
Potencia compleja
Dada la forma fasorial Vrms e Irms,
La potencia compleja S recibida por la carga de ca es el producto de la tensión por el complejo conjugado de la corriente


oscarrosete.com
Ejemplo ilustrativo
Dada la impedancia de carga,
La potencia compleja S en términos de la impedancia de carga


Potencia compleja
oscarrosete.com
Ejemplo ilustrativo
P es la potencia promedio o real y depende de la resistencia de la carga R. Q depende de la reactancia de la carga X y se llama potencia reactiva (o en cuadratura).

Triangulo de potencia y de impedancia
oscarrosete.com
Ejemplo ilustrativo

Triangulo de potencia y de impedancia
oscarrosete.com
Ejemplo ilustrativo
Triangulo de potencia y de impedancia
El triángulo de potencia contiene cuatro elementos: la potencia aparente/compleja, la potencia real, la potencia reactiva y el ángulo de factor de potencia. Dados dos de estos elementos, los otros dos pueden obtenerse fácilmente del triángulo.

oscarrosete.com
Ejemplo ilustrativo
Potencia compleja
La potencia compleja (en VA) es el producto del fasor de la tensión rms y el conjugado complejo del fasor de la corriente rms. Como variable compleja, su parte real representa la potencia real P y su parte imaginaria la potencia reactiva Q.

oscarrosete.com
Ejemplo ilustrativo
Como se muestra en la figura, cuando S se sitúa en el primer cuadrante, se tiene una carga inductiva y un fp atrasado. Cuando S se sitúa en el cuarto cuadrante, la carga es capacitiva y el fp está adelantado.

Potencia compleja
oscarrosete.com
Ejemplo ilustrativo
Potencia compleja resumen



oscarrosete.com
Unidad I: Análisis de corriente alterna y Sistemas trifásicos
Potencia compleja
oscarrosete.com
Unidad I: Análisis de corriente alterna y Sistemas trifásicos
Potencia compleja
oscarrosete.com
Ejemplo ilustrativo
Ejemplo #1.
La tensión en las terminales de una carga es v(t)=60cos(ωt-10º) V y la corriente que fluye a través del elemento en la dirección de la caída de tensión es i(t)=1.5 cos(ωt+50º) A. Halle:
a)Las potencias compleja y aparente.
b)Las potencias real y reactiva.
c)El factor de potencia y la impedancia de carga.
Potencia compleja
oscarrosete.com
Ejemplo ilustrativo
Ejemplo #2.
Una carga Z toma 12 kVA, con un factor de potencia atrasado de 0.856, de una fuente senoidal de 120 V rms.
Calcule:
Las potencias promedio y reactiva suministradas a la carga,
La corriente pico y
La impedancia de carga.
Potencia compleja
oscarrosete.com
Conservación de la Potencia de CA
El principio de la conservación de la potencia se aplica a los circuitos de CA tanto como a los circuitos de CD.
Para confirmarlo, consideremos el siguiente circuito, en el que dos impedancias de carga Z1 y Z2 están conectadas en paralelo a una fuente de CA.
La LCK produce:
Conservación de la Potencia de CA

oscarrosete.com
Conservación de la Potencia de CA
Conservación de la Potencia de CA


La potencia compleja suministrada por la fuente es la siguiente:
Donde S1 y S2 denotan las potencias complejas provistas a las cargas Z1 y Z2, respectivamente.
oscarrosete.com
Conservación de la Potencia de CA
Si las cargas se conectan en serie con la fuente de tensión, como se muestra en la figura, la LTK produce:
Conservación de la Potencia de CA

oscarrosete.com
Conservación de la Potencia de CA

oscarrosete.com
Conservación de la Potencia de CA
De aquí se concluye que si las cargas se conectan en serie o en paralelo (o en general), la potencia total suministrada por la fuente es igual a la potencia total provista a la carga. En general, en el caso de una fuente conectada a N cargas,
Conservación de la Potencia de CA

oscarrosete.com
Conservación de la Potencia de CA
La potencia compleja total en una red es la suma de las potencias complejas de los componentes individuales.
Conservación de la Potencia de CA

oscarrosete.com
Corrección del factor de potencia
La mayoría de las cargas domésticas (como lavadoras, aparatos de aire acondicionado y refrigeradores) y de las cargas industriales (como los motores de inducción) son inductivas y operan con un factor de potencia bajo y atrasado.
Aunque la naturaleza inductiva de la carga no puede modificarse, es posible incrementar su factor de potencia.

oscarrosete.com
Corrección del factor de potencia
El proceso de incrementar el factor de potencia sin alterar la tensión o corriente de la carga original se conoce como corrección del factor de potencia.

oscarrosete.com
Corrección del factor de potencia
Dado que la mayoría de las cargas son inductivas, el factor de potencia de una carga mejora o se corrige al instalar deliberadamente un capacitor en paralelo con la carga

oscarrosete.com
Corrección del factor de potencia

oscarrosete.com
Corrección del factor de potencia
Es benéfico tanto para una compañía suministradora del servicio como para el consumidor industrial hacer un gran esfuerzo para minimizar el nivel de corriente o mantener el factor de potencia lo más cerca posible de la unidad.
Mediante la elección del tamaño adecuado del capacitor, puede lograrse que la corriente esté completamente en fase con la tensión, lo que implica un factor de potencia unitario.

oscarrosete.com
Corrección del factor de potencia

oscarrosete.com
Corrección del factor de potencia

oscarrosete.com
Corrección del factor de potencia
La potencia real P disipada por la carga no se ve afectada por la corrección del factor de potencia, porque la potencia promedio debida a la capacitancia es de cero.

oscarrosete.com
Corrección del factor de potencia
Aunque la situación más común en la práctica es la de una carga inductiva, también es posible que la carga sea capacitiva; es decir, que opera con un factor de potencia adelantado.
En este caso, debe conectarse un inductor en la carga para la corrección del factor de potencia.
La inductancia en paralelo L requerida puede calcularse a partir de:


Donde QL = Q1 – Q2, la diferencia entre la nueva y la antigua potencias reactivas.
oscarrosete.com
Corrección del factor de potencia
Ejemplo #1: Cuando se conecta a una línea de potencia de 120 V (rms) a 60 Hz, una carga absorbe 4 kW con factor de potencia atrasado de 0.8. Halle el valor de la capacitancia necesaria para aumentar el fp a 0.95.

oscarrosete.com
Corrección del factor de potencia

oscarrosete.com
Corrección del factor de potencia
Ejemplo #2: Halle el valor de la capacitancia en paralelo necesaria para corregir una carga de 140 kVAR con fp atrasado de 0.85 y convertirlo en fp unitario. Suponga que la carga se alimenta con una línea de 110 V (rms) a 60 Hz.

oscarrosete.com
Corrección del factor de potencia

oscarrosete.com
Cargos y bonificaciones por factor de potencia
Ejemplo ilustrativo: Cuando se conecta a una línea de potencia de 220 V (rms) a 60 Hz, una carga absorbe 4.5 kW con factor de potencia atrasado de 0.8.
Halle el valor de la capacitancia necesaria para aumentar el fp a 0.9.
Calcule cargos y bonificaciones relacionados

Unidad I: Análisis de corriente alterna y Sistemas trifásicos
1.1 Análisis de potencia de ca
-
1.1.1 Potencia instantánea y promedio
-
1.1.2 Máxima transferencia de potencia promedio
-
1.1.3 Valor eficaz o rms
-
1.1.4 Potencia aparente y factor de potencia
-
1.1.5 Potencia compleja
-
1.1.6 Conservación de la potencia de ca
-
1.1.7 Corrección del factor de potencia
oscarrosete.com
Unidad I: Análisis de corriente alterna y Sistemas trifásicos
1.2 Circuitos trifásicos
-
1.2.1 Tensiones trifásicas balanceadas
-
1.2.2 Conexión estrella-estrella balanceada
-
1.2.3 Conexión estrella-delta balanceada
-
1.2.4 Conexión delta-delta balanceada
-
1.2.5 Conexión delta-estrella balanceada
-
1.2.6 Potencia en un sistema balanceado
-
1.2.7 Sistemas trifásicos desbalanceados
oscarrosete.com

Conexión delta y estrella
En el análisis de circuitos suelen surgir situaciones en las que las resistencias no están en paralelo ni en serie. Un ejemplo de ello, es el circuito puente mostrado a continuación:
Muchos circuitos de este tipo se pueden simplificar usando redes equivalentes de tres terminales. Éstas son la red en estrella (Y) y la red delta (Δ)
oscarrosete.com

Conexión delta y estrella
Este tipo de circuitos se usan en redes trifásicas, filtros eléctricos y redes de acoplamiento.
El principal interés es saber cómo identificarlas cuando aparecen como parte de una red y cómo aplicar la transformación estrella-delta en el análisis de esa red.
oscarrosete.com

Conexión delta y estrella
Este tipo de circuitos se usan en redes trifásicas, filtros eléctricos y redes de acoplamiento.
El principal interés es saber cómo identificarlas cuando aparecen como parte de una red y cómo aplicar la transformación estrella-delta en el análisis de esa red.
oscarrosete.com

Conexión delta y estrella
Conversión delta a estrella
Para obtener las resistencias equivalentes en la red en estrella, hay que comparar las dos redes y cerciorarse de que la resistencia entre cada par de nodos en la red Δ (o Π) sea igual a la resistencia entre el mismo par de nodos en la red Y (o T).
oscarrosete.com

Conexión delta y estrella
Conversión delta a estrella
oscarrosete.com


Conexión delta y estrella
Conversión delta a estrella
oscarrosete.com
Cada resistor de la red Y es el producto de los resistores de las dos ramas Δ adyacentes dividido entre la suma de los tres resistores de Δ


Conexión delta y estrella
Conversión estrella a delta
oscarrosete.com
Cada resistor de la red Δ es la suma de todos los productos posibles de los resistores Y tomados de dos en dos, dividido entre el resistor opuesto en Y.


Circuitos trifásicos
oscarrosete.com
Un sistema bifásico se produce con un generador que consta de dos bobinas dispuestas en forma perpendicular entre sí a fin de que la tensión generada por una se atrase 90º de la otra.
El bifásico puro( 90º) no existe, se obtiene de un trifásico con 2 fases.

Sistemas Polifásicos
Los circuitos o sistemas en los que las fuentes de CA operan a la misma frecuencia pero en diferentes fases se conocen como polifásicos.
Circuitos trifásicos
oscarrosete.com
Un sistema trifásico se produce con un generador que consta de tres fuentes con la misma amplitud y frecuencia, pero desfasadas 120º entre sí. El sistema trifásico es con mucho el sistema polifásico más frecuente y económico.

Circuitos trifásicos
oscarrosete.com
Un sistema monofásico de potencia de ca consta de un generador conectado a través de un par de conductores (una línea de transmisión) a una carga.
Este sistema contiene dos fuentes idénticas (de igual magnitud y de la misma fase) conectadas a dos cargas por medio de dos conductores exteriores y el neutro. Este tipo de sistemas es muy común en la práctica*.

Circuitos trifásicos
oscarrosete.com
Aplicaciones de monofásico 3 conductores (lavadora /secadora)

Product Description Amazon
-
This product's AC power input voltage is AC220V, the plug shape is a C type plug.
-
If your local AC power supply AC100 ~ 120V, you will need a transformer for 220VAC to 110VAC conversion.
Circuitos trifásicos
oscarrosete.com
Step Up 110V/120V To 220V/240V Or Step Down 220V/240V To 110V/120V (Switch Is On The Back Of The Unit)
Circuitos trifásicos
oscarrosete.com
Sistema monofásico de tres conductores

Unidad I: Análisis de corriente alterna y Sistemas trifásicos
1.2 Circuitos trifásicos
-
1.2.1 Tensiones trifásicas balanceadas
-
1.2.2 Conexión estrella-estrella balanceada (profesor)
-
1.2.3 Conexión estrella-delta balanceada (Mario/Paola)
-
1.2.4 Conexión delta-delta balanceada (profesor)
-
1.2.5 Conexión delta-estrella balanceada (Sunemi/Elizabeth/Daniel)
-
1.2.6 Potencia en un sistema balanceado
-
1.2.7 Sistemas trifásicos desbalanceados
oscarrosete.com

Unidad I: Análisis de corriente alterna y Sistemas trifásicos
Potencia en un sistema balanceado
Presentaciones Miercoles 21/09/20
- Explicación con apoyo de presentación:
- Conexion asignada, corriente de linea, corriente de fase, voltaje de linea y voltaje de fase, calculo de potencia real
-
Ejercicio resuelto
-
Simulación
-
Comprobación corrientes de línea y corrientes de fase con multímetros.
-
Comprobación potencia real con vatímetro
-
Comprobación desfasamiento con osciloscopio.
-
Subir a blackboard
oscarrosete.com

Circuitos trifásicos
Tensiones trifásicas balanceadas
Sistemas Polifásicos
Los circuitos o sistemas en los que las fuentes de CA operan a la misma frecuencia pero en diferentes fases se conocen como polifásicos.
oscarrosete.com
Un sistema bifásico se produce con un generador que consta de dos bobinas dispuestas en forma perpendicular entre sí a fin de que la tensión generada por una se atrase 90º de la otra.
El bifásico puro( 90º) no existe, se obtiene de un trifásico con 2 fases.

Circuitos trifásicos
Tensiones trifásicas balanceadas
Un sistema trifásico se produce con un generador que consta de tres fuentes con la misma amplitud y frecuencia, pero desfasadas 120º entre sí. El sistema trifásico es con mucho el sistema polifásico más frecuente y económico.
oscarrosete.com

Unidad I: Análisis de corriente alterna y Sistemas trifásicos
oscarrosete.com
Circuitos trifásicos
oscarrosete.com
Terminología básica
-
Media tensión, baja tension, alta tension
-
Transformador de distribucion trifasico
-
Neutro
-
Fases
-
Voltaje de Linea (entre 2 fases-220V)=> bifásico.
-
Voltaje de fase (fase a neutro-127 V)

Circuitos trifásicos
oscarrosete.com
Terminología básica
Circuitos trifásicos
oscarrosete.com
Terminología básica
-
Transformador de distribución monofásico(240v/120V)
-
X2 es el neutro
-
-
Servicio monofásico a 2 hilos o a 3 hilos

Circuitos trifásicos
oscarrosete.com

Circuitos trifásicos
oscarrosete.com
Terminología básica
El transformador de tensión es un equipo que se utiliza para convertir, cambiar o ajustar los voltajes con los que se alimenta en su embobinado o devanado primario -normalmente alta tensión (13,000 volts, 25,000 volts o 32,000 volts)- a otros valores más bajos de voltaje de salida en su devanado secundario -normalmente tensiones comunes de uso residencial, comercial ó industrial (208/120V - 220/127V - 380/220V - 400/230V o 440/254 volts).
Circuitos trifásicos
oscarrosete.com
Terminología básica
Circuitos trifásicos
oscarrosete.com

Terminología básica
Circuitos trifásicos
oscarrosete.com
Tensiones trifásicas balanceadas
Los sistemas trifásicos son importantes por al menos tres razones:
1. Casi toda la potencia eléctrica se genera y distribuye en forma trifásica, a una frecuencia de utilización de 60 Hz en América o de 50 Hz en otras partes del mundo.
2. La potencia instantánea en un sistema trifásico puede ser constante. Esto produce una transmisión uniforme de potencia y menos vibración de las máquinas trifásicas

Circuitos trifásicos
oscarrosete.com
Tensiones trifásicas balanceadas
Circuitos trifásicos
oscarrosete.com
Las tensiones trifásicas se producen a menudo con un generador (o alternador) trifásico de ca.
Este generador consta básicamente de un imán giratorio (llamado rotor) rodeado por un devanado estacionario (llamado estator).

Tensiones trifásicas balanceadas
Circuitos trifásicos
oscarrosete.com
Tres devanados o bobinas independientes con terminales a-a´, b-b´, y c-c´ se disponen físicamente alrededor del estator a 120º de distancia entre sí.

Tensiones trifásicas balanceadas
Circuitos trifásicos
oscarrosete.com
Al girar el rotor, su campo magnético “corta” el flujo de las tres bobinas e induce tensiones en ellas. A causa de que las bobinas se hallan a 120º de distancia entre sí, las tensiones inducidas en ellas son de igual magnitud pero desfasadas 120º.

Tensiones trifásicas balanceadas
Circuitos trifásicos
oscarrosete.com
Tensiones obtenidas de un generador trifásico
Puesto que cada bobina puede considerarse en sí misma un generador monofásico, el generador trifásico puede suministrar potencia a cargas tanto monofásicas como trifásicas.

Circuitos trifásicos
oscarrosete.com
Un sistema trifásico habitual consta de tres fuentes de tensión conectadas a cargas mediante tres o cuatro conductores (o líneas de transmisión).

Tensiones obtenidas de un generador trifásico
Circuitos trifásicos
oscarrosete.com
Un sistema trifásico equivale a tres circuitos monofásicos.
Las fuentes de tensión pueden conectarse en estrella o en delta.

Tensiones obtenidas de un generador trifásico
Circuitos trifásicos
oscarrosete.com
En la figura, se puede observar que las tensiones Van, Vbn y Vcn se encuentran respectivamente entre las líneas a, b y c y la línea neutra n. Esas tensiones se llaman tensiones de fase.
Si las fuentes de tensión tienen la misma amplitud y frecuencia ω y están desfasadas 120º entre sí, se dice que las tensiones están balanceadas. Esto implica que:

Tensiones obtenidas de un generador trifásico
Circuitos trifásicos
oscarrosete.com
Las tensiones de fase balanceadas son de igual magnitud y están desfasadas 120º entre sí.

Tensiones obtenidas de un generador trifásico
Circuitos trifásicos
oscarrosete.com
Dado que las tensiones trifásicas están desfasadas 120º entre sí, hay dos combinaciones posibles.

Tensiones obtenidas de un generador trifásico
Circuitos trifásicos
oscarrosete.com
La secuencia de fases es el orden temporal en que las tensiones pasan por sus respectivos valores máximos.


Tensiones obtenidas de un generador trifásico
Circuitos trifásicos
oscarrosete.com

Tensiones obtenidas de un generador trifásico
La secuencia de fases es el orden temporal en que las tensiones pasan por sus respectivos valores máximos.

Circuitos trifásicos
oscarrosete.com
Al igual que las conexiones del generador, una carga trifásica puede conectarse en estrella o en delta, dependiendo de la aplicación final.
Una carga balanceada es aquella en la que las impedancias de las fases son iguales en magnitud y en fase.

Tensiones obtenidas de un generador trifásico
Circuitos trifásicos
oscarrosete.com

Tensiones obtenidas de un generador trifásico
Circuitos trifásicos
oscarrosete.com
En una carga balanceada conectada en estrella,
donde ZY es la impedancia de carga por fase.


Tensiones obtenidas de un generador trifásico
Circuitos trifásicos
oscarrosete.com
En una carga balanceada conectada en delta,
donde ZΔ es la impedancia de carga por fase.


Tensiones obtenidas de un generador trifásico
Circuitos trifásicos
oscarrosete.com
Puesto que tanto la fuente trifásica como la carga trifásica pueden conectarse ya sea en estrella o en delta, se tienen cuatro conexiones posibles:
1.Conexión estrella-estrella (es decir, fuente conectada en Y con carga conectada en Y).
2.Conexión estrella-delta.
3.Conexión delta-delta.
4.Conexión delta-estrella.
Tensiones obtenidas de un generador trifásico
Circuitos trifásicos
oscarrosete.com
Ejemplo Conexión estrella-estrella balanceada
Secuencia positiva

Circuitos trifásicos
oscarrosete.com
En la figura se muestra un generador trifásico balanceado con secuencia de fase positiva, el cual tiene una impedancia de 0,2 + j0,5 ohm/fase y una fem generada por fase de 120V . El generador alimenta una carga trifásica balanceada conectada en estrella, que tiene una impedancia por fase de 39+ j28 ohms . La impedancia de cada una de las líneas que conectan el generador a la carga es de 0,8 + j1,5 ohms . Tomar como referencia la fem generada en la fase a . a) Calcular las corrientes de línea IaA, IbB , e IcC . b) Hallar los voltajes de fase en la carga VAn' , VBn' y VCn' . c) Determinar los voltajes de línea en los terminales de la carga VAB , VBC y VCA . d) Hallar los voltajes de fase en los terminales del generador Van , Vbn y Vcn . e) Calcular los voltajes de línea en los terminales del generador Vab , Vbc y Vca .
Comprobar los resultados con simulación


Circuitos trifásicos
oscarrosete.com

Circuitos trifásicos
oscarrosete.com

Circuitos trifásicos
oscarrosete.com

Ejercicios tarea
oscarrosete.com
Un generador trifásico balanceado conectado en Y con una impedancia de 0.4+j0.3 por fase se conecta con una carga balanceada conectada en Y con una impedancia de 24+j19 por fase. La línea que une al generador y la carga tiene una impedancia de 0.6+j0.7 por fase. Suponiendo una secuencia positiva de las tensiones de fuente y que Van=120∠30° V halle:
a) Tensiones de línea
b) Corrientes de línea
c) Potencia compleja en la fuente y en la carga
Ejercicios tarea
oscarrosete.com
Una tensión de línea de una fuente balanceada conectada en Y es VAB 120∠20° V. Si la fuente se conecta a una carga en Δ de 20∠40° , halle
-
Corrientes de fase
-
Corrientes de línea.
-
Potencia compleja en la fuente
y en la carga
Suponga la secuencia abc.

Circuitos trifásicos desbalanceados
oscarrosete.com
Un sistema desbalanceado es producto de dos posibles situaciones:
1) las tensiones de fuente no son iguales en magnitud y/o difieren en fase en ángulos desiguales, o
2) las impedancias de carga son desiguales. Así,

Circuitos trifásicos desbalanceados
oscarrosete.com
Los sistemas trifásicos desbalanceados se resuelven mediante la aplicación directa
de los análisis de mallas y nodal.
Puesto que la carga está desbalanceada, ZA, ZB y ZC no son iguales, corriente neutro no es cero. Las corrientes de línea se determinan mediante la ley de Ohm como:

Carga trifásica desbalanceada conectada en Y

Circuitos trifásicos desbalanceados
oscarrosete.com
En un sistema de tres conductores, en el que la línea neutra está ausente, también es posible hallar las corrientes de línea Ia, Ib y Ic, aplicando el análisis de malla. En el nodo N, la LCK debe satisfacerse, de modo que Ia+Ib+Ic=0 en este caso.
Lo mismo podría hacerse en un sistema Δ-Y, Y-Δ o Δ-Δ de tres conductores. Para calcular la potencia en un sistema trifásico desbalanceado se requiere hallar la potencia en cada fase. La potencia total no es sencillamente tres veces la potencia en una fase, sino la suma de las potencias en las tres fases.
Ejemplo estrella-estrella desbalanceado 3 conductores
oscarrosete.com

Ejemplo estrella-delta desbalanceado 3 conductores
oscarrosete.com

Tomando como referencia el circuito desbalanceado mostrado en la figura, calcule:
-
Las corrientes de línea
-
La potencia real absorbida por la carga
-
La potencia compleja suministrada por la fuente
Ejercicios tarea
oscarrosete.com
Una fuente balanceada conectada en Δ en secuencia positiva alimenta a una carga balanceada conectada en Δ . Si la impedancia por fase de la carga es 18+ j12 y Ia
9.609∠35° A, halle
-
IAB y VAB.
-
Potencia compleja en la fuente y en la carga
Suponga la secuencia abc.


Ejercicios tarea
oscarrosete.com
Halle las corrientes de línea en el circuito trifásico desbalanceado de la figura y la potencia real absorbida por la carga.


Agenda
oscarrosete.com
- 2.1 Circuitos magnéticamente acoplado
-
2.1.1 Inductancia mutua
-
2.1.2 Energía en un circuito acoplado
-
2.2.3 Transformadores lineales
-
2.2.4 Transformadores ideales
-
2.2.5 Autotransformadores ideales
-
2.2.6 Transformadores trifásicos
Unidad 2: Métodos de análisis en corriente directa
Inductancia mutua
oscarrosete.com
El magnetismo juega una parte integral en casi todo dispositivo eléctrico usado actualmente en la industria, la investigación o en casa. Generadores, motores, transformadores, cortacircuitos, televisiones, computadoras, grabadoras de cinta y teléfonos emplean efectos magnéticos para efectuar una variedad de importantes tareas.
La brújula, se basa en un imán permanente para indicar dirección. El imán permanente está hecho de un material, como el acero o el hierro, que permanece magnetizado por largos periodos sin necesitar una fuente externa de energía.
Inductancia mutua
oscarrosete.com

Inductancia mutua
oscarrosete.com
Cuando dos inductores están en proximidad estrecha entre sí, el flujo magnético causado por la corriente en una bobina se relaciona con la otra, induce tensión en esta última.
Este fenómeno se conoce como inductancia mutua.

Inductancia mutua
oscarrosete.com
Aunque la inductancia mutua M siempre es una cantidad positiva, la tensión mutua puede ser negativa o positiva, al igual que la tensión autoinducida.
Para determinar la polaridad de la tensión mutua se aplica la convención de las marcas de polaridad en el análisis de circuitos. Se coloca una marca en un extremo de cada una de las dos bobinas acopladas magnéticamente de un circuito para indicar la dirección del flujo magnético si entra una corriente en la terminal marcada de la bobina.
Inductancia mutua
oscarrosete.com
Marcas de referencia

Inductancia mutua
oscarrosete.com
Marcas de referencia

Inductancia mutua
oscarrosete.com
Ejercicio ilustrativo

Inductancia mutua
oscarrosete.com
Ejercicio ilustrativo

Inductancia mutua
oscarrosete.com
Ejercicio ilustrativo 2

Inductancia mutua
oscarrosete.com
Ejercicio tarea


Inductancia mutua
oscarrosete.com
Devanados con diferentes coeficientes de acoplamientos

Inductancia mutua
oscarrosete.com
Transformador
Es probablemente uno de los dispositivos eléctricos más útiles jamás inventados.
-
Puede aumentar o disminuir el voltaje o corriente de un circuito de ca
-
Puede aislar circuitos entre sí
-
Puede incrementar o disminuir el valor aparente de un capacitor, un inductor o un resistor
Inductancia mutua
oscarrosete.com
Transformador
Un transformador se construye con dos bobinas colocadas de manera que el flujo variable desarrollado por una bobina enlazara a la otra,
Esto resultará en un voltaje inducido en cada bobina.

Inductancia mutua
oscarrosete.com
Transformador
Para distinguir entre las bobinas, aplicaremos la convención de transformadores acerca de que se le llama primario a la bobina donde se aplica la fuente, y la bobina donde es aplicada la carga se denomina secundario.

Energía en un circuito acoplado
oscarrosete.com
La energía almacenada en un inductor está dada por

Consideraremos el siguiente circuito

Energía en un circuito acoplado
oscarrosete.com
Supóngase que las corrientes i1 e i2 son inicialmente de cero, de modo que la energía almacenada en las bobinas es de cero. Si se considera que i1 aumenta de cero a I1 mientras que se mantiene i2=0, la potencia en la bobina 1 es

Energía en un circuito acoplado
oscarrosete.com
Si ahora se mantiene i1 I1 y se aumenta i2 de cero a I2, la tensión mutua inducida en la bobina 1 es M12 di2/dt, en tanto que la tensión mutua inducida en la bobina 2 es de cero, puesto que i1 no cambia

Energía en un circuito acoplado
oscarrosete.com
La energía total almacenada en las bobinas cuando tanto i1 como i2 han alcanzado valores constantes es


Se selecciona el signo positivo en el término mutuo si ambas corrientes entran o salen de las terminales de las bobinas con marca de polaridad; de lo contrario, se selecciona el signo negativo
Energía en un circuito acoplado
oscarrosete.com
El coeficiente de acoplamiento k es una medida del acoplamiento magnético entre dos bobinas; 0<=k<=1.
Si el flujo completo producido por una bobina se enlaza con la otra bobina, entonces k 1 y se tiene un acoplamiento de 100%, o se dice que las bobinas están perfectamente acopladas. Para k < 0.5, se dice que las bobinas están acopladas holgadamente (imagen izquierda), y para k > 0.5, se dice que están acopladas estrechamente (imagen derecha).

Energía en un circuito acoplado
oscarrosete.com
Considere el circuito de la figura
Determine el coeficiente de acoplamiento.
Calcule la energía almacenada en los inductores acoplados en el momento t=1 s si v=60 cos(4t+30°) V.

Energía en un circuito acoplado
oscarrosete.com
-
Determine el coeficiente de acoplamiento y la energía almacenada en los inductores acoplados en t=1.5 s


Transformador
oscarrosete.com
Es probablemente uno de los dispositivos eléctricos más útiles jamás inventados.
-
Puede aumentar o disminuir el voltaje o corriente de un circuito de ca
-
Puede aislar circuitos entre sí
-
Puede incrementar o disminuir el valor aparente de un capacitor, un inductor o un resistor
Transformador
oscarrosete.com
Un transformador se construye con dos bobinas colocadas de manera que el flujo variable desarrollado por una bobina enlazara a la otra,
Esto resultará en un voltaje inducido en cada bobina.

Transformadores Lineales
oscarrosete.com
Se dice que el transformador es lineal si las bobinas están devanadas en un material lineal magnéticamente, en el que la permeabilidad magnética es constante. Entre estos materiales están el aire, plástico, baquelita y madera.
También se les llama transformadores de núcleo de aire, aunque no todos ellos son de núcleo de aire. Se les emplea en radios y televisores.

Transformadores Ideales
oscarrosete.com
Un transformador ideal es aquel con acoplamiento perfecto (k=1). Consta de dos (o más) bobinas con gran número de vueltas devanadas en un núcleo de alta permeabilidad. A causa de esta alta permeabilidad del núcleo, el flujo enlaza a todas las vueltas de ambas bobinas, lo que da por resultado un acoplamiento perfecto.
Transformadores Ideales
oscarrosete.com
Las bobinas tienen reactancias muy grandes (L1, L2, M →∞)
El coeficiente de acoplamiento es igual a la unidad (k= 1).
Las bobinas primaria y secundaria no tienen pérdidas (R1 = 0 = R2)
Un transformador ideal es un transformador de acoplamiento unitario sin pérdidas en el que las bobinas primaria y secundaria tienen autoinductancias infinitas.
Transformadores Ideales
oscarrosete.com

Transformadores Ideales
oscarrosete.com

Transformadores Ideales
oscarrosete.com

Transformadores Ideales
oscarrosete.com
En referencia al circuito con transformador ideal de la figura, halle:
-
la corriente de fuente I1
-
la tensión de salida Vo
-
la potencia compleja suministrada por la fuente.

Transformadores Ideales
oscarrosete.com
En referencia al circuito con transformador ideal de la figura, halle:
-
v(t)
-
La potencia compleja suministrada por la fuente
-
La potencia compleja consumida por el capacitor

Transformadores Ideales
oscarrosete.com
En referencia al circuito con transformador ideal de la figura, halle:
-
La potencia compleja suministrada por la fuente
-
La potencia compleja consumida por la resistencia de 8 ohms

Circuitos Eléctricos 1er Unidad
By OSCAR ROSETE
Circuitos Eléctricos 1er Unidad
- 1,125













