Variational Quantum Linear Solver for Multiphysics Problems (Final)

Mostafa Atallah

Cairo University

\frac{\partial^2 T}{\partial x^2} = 0

The Laplace Equation

T_{i+1} - 2T_{i}+ T_{i-1} = 0

apply FDM

\begin{pmatrix} -2 & 0 & 1 & 0 & 0 & 0 & 0 & 0\\ 0 & -2 & 0 & 1 & 0 & 0 & 0 & 0\\ 1 & 0 & -2 & 0 & 1 & 0 & 0 & 0\\ 0 & 1 & 0 & -2 & 1 & 1 & 0 & 0\\ 0 & 0 & 1 & 1 & -2 & 0 & 1 & 0\\ 0 & 0 & 0 & 1 & 0 & -2 & 0 & 1\\ 0 & 0 & 0 & 0 & 1 & 0 & -2 & 0\\ 0 & 0 & 0 & 0 & 0 & 1 & 0 & -2 \end{pmatrix} \begin{pmatrix} T_{0} \\ T_{1} \\ T_{2} \\ T_{3} \\ T_{4} \\ T_{5} \\ T_{6} \\ T_{7} \end{pmatrix} =\begin{pmatrix} 0 \\ 0 \\ 0 \\ 0 \\ 0 \\ 0 \\ 0 \\ 0 \end{pmatrix}
A x = b
A = 2 \left( I -0.125\; X_0 X_1 X_2 + 0.125 \; X_0 Y_1 Y_2 + 0.125 \; Y_0 X_1 Y_2 - 0.125 \; Y_0 Y_1 X_2 - 0.25 \; X_1 X_2 - 0.25 \; Y_1 Y_2 - 0.5 \; X_2 \right)

VQLS

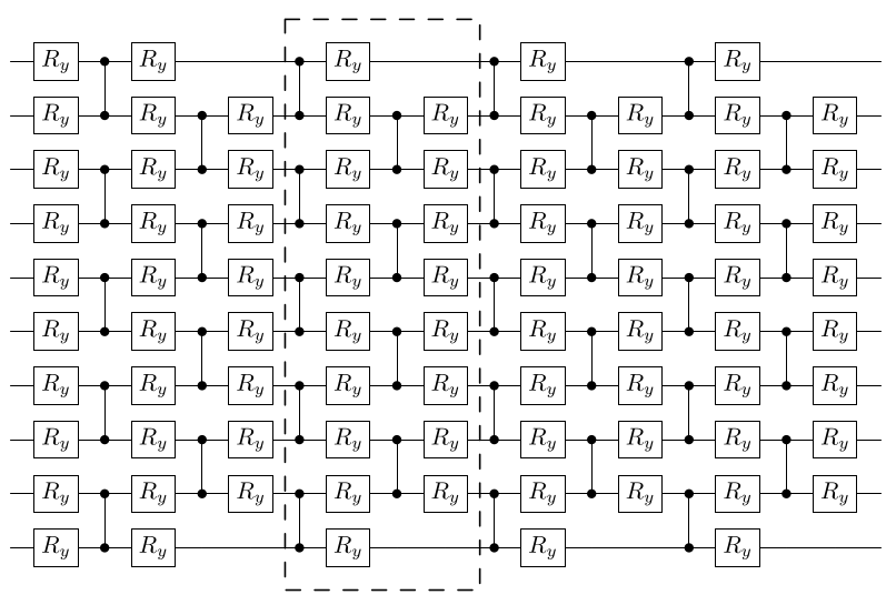
R_y(\alpha_i) = \mathbf{e}^{-\imath \; \alpha_i Y / 2}
V(\alpha)

\[ H = A^\dagger (\mathbb{I} - |b> <b|) A \]

\[ C = <x|H|x>\]

Cost Convergence

Cost vs. Shots

Goals Checklist

  • Study and analyze the performance of the Variational Quantum Linear Solver (VQLS) in general.
  • Solve some Multiphysics problems such as the Heat equation, etc. using VQLS.
  • Execute the results using Qiskit on both a simulator and a device.
  • Work with higher dimensions and employ Qiskit runtime and the local cost approach.
  • Study quantum chip qubits connectivity and use the error mitigation techniques which can significantly improve expectation values and therefore the final fidelity.

Solving Multiphysics Problems on quantum computers (Final)

By Mostafa Ataallah

Solving Multiphysics Problems on quantum computers (Final)

  • 97