digital testing
Modern Packaging
By: Malou Mistal
evolution of electronic packaging

From DIP -> QFP -> BGA -> CSP
Changes driven by increasing pin count, system performance and heterogonous integration
Board Testing Issue
By: Gwyne Gonzales
JTAG Boundary-Scan
By: Mylene A. King
JTAG Boundary Scan
- Introduction
- Device Architecture
- Board Level Application
- Demo
What is JTAG?
joint test acCESS group
BOUNDARY SCAN
why it is develop?
Motivation for BOUNDARY SCAN
- Modern Packaging
- Board Testing Issues
serial shift register around the boundary of the device
PRINCIPLE of Boundary scan architecture
USING BOUNDary scan path
boundary scan cell

Note: This is just an example.
IEee 1149.1 STANDARD
(JTAG) boundary scan
video
DeviCE ARCHITECTURE
DEVICE architecture
instruction register
standard instruction

TAP controller
(test access port)
tap controller

tap controller state diagram

bypass register


identification register


boundary scan register


BOARD LEVEL APPLICATION
general strategy
Step 1 - Carry out a board-level boundary-scan infrastructure test

Step 2 - Use the Extest instruction to select the boundary-scan registers
Step 3 - Apply tests to the non-boundary-scan devices
interconnect test example


testing non-boundary scan devices

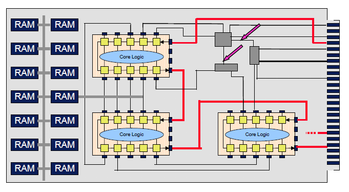
testing a ram array via boundary scan

tester hardware

where are we today?
the explosive growth of boundary scan technology

references
IEEE 1149.1 JTAG and Boundary Scan Tutorial by Dr. Ben Bennetts
DEMO
DEmo videos
END
Digital Testing
By Mylene King
Digital Testing
COE215 Design of Digital Systems and Computers
- 1,138