Zespołowe przedsięwzięcie inżynieryjne

Wspomaganie procesu suszenia ziarna kukurydzy
TEMAT:
AGENdA

CEL PRACY
Naszym celem projektowym było wypracowanie rozwiązania pozwalającego na wspomaganie sterowania nastawami suszarnii celem automatyzacji procesu suszenia kukurydzy, które to będzie możliwe do osadzenia na komputerach krańcowych o limitowanych możliwościach obliczeniowych.
Założenia
Założenia podjęte w naszym projekcie
OPis procesu Suszenia kukurydzy


Docelowa Platforma

ŹródłO danych
Przyjęte oznaczenia

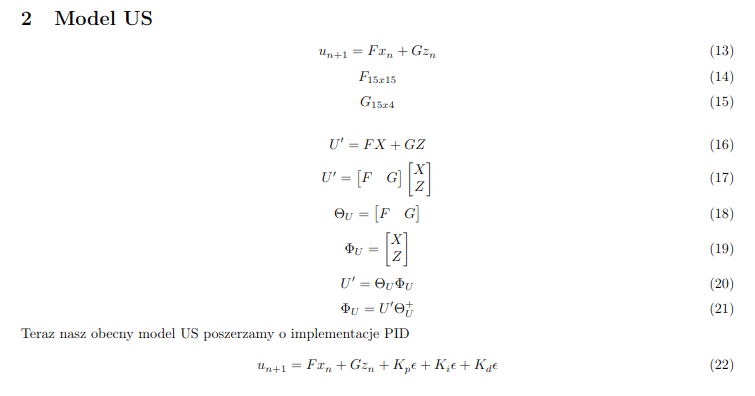
Obiekt sterowania

Urządzenie sterowania

1
Wczytanie danych do komputera.
2
Identyfikacja sekcji danych które dotyczyły suszenia kukurydzy.
3
Eliminacja wierszy utworzonych na skutek
przypadku nieciągłej pracy.
5
Ekstrapolacja z postaci o nierównym kroku czasowym do formy z jednostajnym krokiem czasowym.
4
Wydzielenie
podzbiorów które opisywały ciągły proces suszenia.
6
Zapisanie
ekstrapolowanych podzbiorów do użytecznej postaci.
.
Operacje na danych
Opracowane dane

Funkcjonalności
- Symulacja wartości czujników suszarnii.
- Estymacja parametrów nastawy.
- Podgląd otrzymanych wyników.
Demonstracja
Demonstracja scenariusza
Inne próby opracowania os
LSTM


Inne próby opracowania os
MATLAB

Inne próby opracowania os
SYMULACJA FIZYCZna




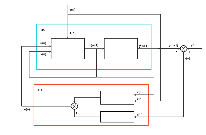
Ogólny diagram rozwiązania

Diagram PRZEPŁywu

Diagram US

Diagram OS

Diagram HMI

Garść statystyk
-
Ilość wytrenowanych modeli LSTM: 30
-
Ilość dobrze działających modeli LSTM: 0
-
Ilość napisanych linii kodu: ~6400
-
Liczba załamań nerwowych 6/osoba

Wykres bicia naszych serc dzisiaj:
Dziekujemy za uwagę

Minimal
By Bartłomiej Koba
Minimal
- 245